Запчасти Case W14 (330) - AXLE ASSEMBLIES, DISC BRAKE AXLES (06) - POWER TRAIN

Схема запчастей Case W14 - (330) - AXLE ASSEMBLIES, DISC BRAKE AXLES (06) - POWER TRAIN
FIT
1:1
100%

Артикул

Название

Примечание

Количество

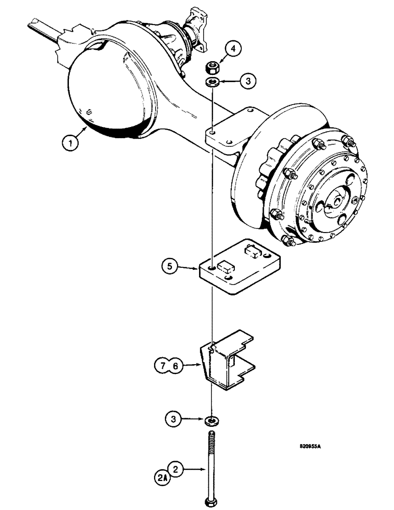
1

L76804

AXLE

ASSEMBLY - front, PRS-204RHD-3, parts list figures 332-336 and 348

1шт.

1

L76803

AXLE

ASSEMBLY - rear, PRS-204RHD-2, parts list figures 332-336 and 348

1шт.

1

L79132

AXLE, FRONT

AXLE ASSEMBLY - front, PRS-204N-9, parts list figures 332, 338, and 348

1шт.

1

L79133

AXLE, REAR

AXLE ASSEMBLY - rear, PRS-204N-8, parts list figures 332, 338, and 348

1шт.

1

L60795

CENTER AXLE

AXLE ASSEMBLY - front, PRS-204N-26, parts list figures 332, 338, and 348

1шт.

1

L60796

CENTER AXLE

AXLE ASSEMBLY - rear, PRS-204N-27, parts list figures 332, 338, and 348

1шт.

1

L61201

CENTER AXLE

AXLE ASSEMBLY - front, PRS-204N-31, parts list figures 332, 338, and 348

1шт.

1

L61202

CENTER AXLE

AXLE ASSEMBLY - rear, PRS-204N-30, parts list figures 332, 338, and 348

1шт.

1

L113302

AXLE, FRONT

AXLE ASSEMBLY - front, PRS-204N-39, parts list figures 332, 338, and 348

1шт.

2

116-703

BOLT,Hex, 3/4" - 16 x 9-1/2", Gr 8

Hex, 3/4"-16 x 9 1/2", G8, Used to mount front axle

8шт.

2a

116-704

BOLT,Hex, 3/4" - 16 x 10", Gr 8

Hex, 3/4"-16 x 10", G8, Used to mount rear axle

8шт.

3

L79179

WASHER

- hardened

32шт.

4

131-1251

LOCK NUT,3/4"-16, GC

NUT, LOCK, 3/4"-16, GC

16шт.

5

L76957

PLATE

- axle mounting

4шт.

6

L105083

GUARD ASSY.

GUARD - right-hand rear and left-hand front, forestry models

2шт.

7

L105084

GUARD ASSY.

GUARD - left-hand rear and right-hand front, forestry models

2шт.

When pads are modified per Bulletin #109-84, you use 116-703 Bolts for Ref. 2A and 131-186 Nuts for Ref. 4.

1шт.

Выбрано товаров: 17