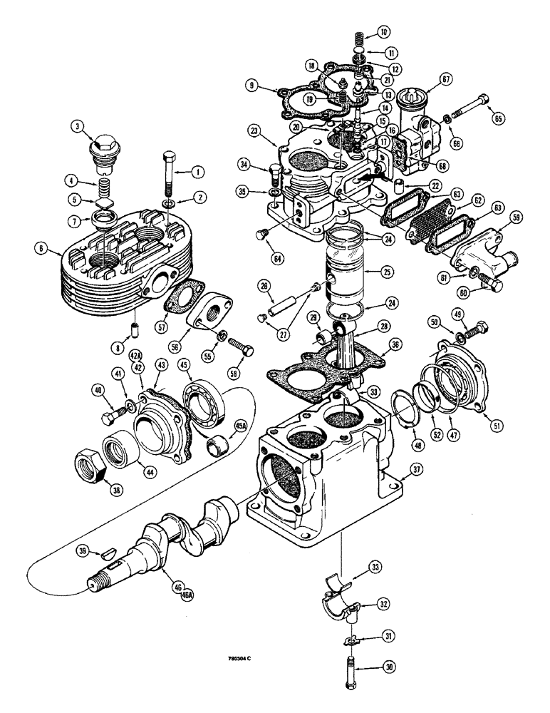
Запчасти Case W14 (374) - L109544 AND L79410 AIR COMPRESSOR - AIR COOLED, ALUMINUM BLOCK (07) - BRAKES

Схема запчастей Case W14 - (374) - L109544 AND L79410 AIR COMPRESSOR - AIR COOLED, ALUMINUM BLOCK (07) - BRAKES
FIT
1:1
100%

Артикул

Название

Примечание

Количество

L109544

COMPRESSOR

AIR COMPRESSOR ASSEMBLY - aluminum block, Bendix No. 102829, Includes: Ref. 1 - 68

1шт.

L79410

COMPRESSOR

AIR COMPRESSOR ASSEMBLY - aluminum block, Bendix No. 289405, Includes: Ref. 1 - 68

1шт.

1

13-536

BOLT,Hex, 5/16" - 18 x 2-1/4", Gr 5

8шт.

2

L32917

WASHER

- special

8шт.

L32899

CYLINDER

DISCHARGE VALVE AND HEAD ASSEMBLY - cylinder, Includes: Ref. 3 - 8

1шт.

3

L32916

CYLINDER END CAP

CAP - discharge valve

2шт.

4

S117754

SPRING

- valve

2шт.

5

L32915

LOCK VALVE

VALVE - discharge

2шт.

NSS

NOT SOLD SEPARAT

HEAD ASSEMBLY - cylinder, Includes: Ref. 6 - 8

1шт.

6

NSS

NOT SOLD SEPARAT

HEAD - cylinder

1шт.

7

L32909

SEAT

- discharge valve

2шт.

8

L32914

DOWEL

STOP - valve

2шт.

9

L32898

GASKET

- head to cylinder block

1шт.

10

L31442

SPRING

- inlet valve

2шт.

11

L31441

VALVE

- inlet

2шт.

12

L31440

GUIDE

- inlet valve

2шт.

L32880

CYLINDER

BLOCK ASSEMBLY - cylinder, Includes: Ref. 13 - 23

1шт.

13

L31409

GUIDE

- plunger

2шт.

14

L31408

PLUNGER

- unloader

2шт.

L31404

PISTON

ASSEMBLY - unloader, Includes: Ref. 15 - 17

2шт.

15

NSS

NOT SOLD SEPARAT

PISTON - unloader

1шт.

16

L31406

BACK-UP RING

BACKUP RING - unloader piston seal

1шт.

17

L31407

O-RING

O-RING SEAL - unloader piston

1шт.

18

L31412

SEAT

- spring, unloader

1шт.

19

L31413

SPRING

- unloader

1шт.

20

L32885

SADDLE

- spring, unloader

1шт.

L32881

BLOCK

- cylinder, Includes: Ref. 21 - 23

1шт.

21

L33173

SEAT

- inlet valve

2шт.

22

L33174

BUSHING

- cylinder block

2шт.

23

NSS

NOT SOLD SEPARAT

BODY - cylinder block

1шт.

24

N8250

PISTON RING SET

PISTON RING - standard, 2.0625" (52.38 mm)

6шт.

24

N8390

RING

PISTON RING - oversized, 2.0725" (52.64 mm)

6шт.

24

N8391

KIT

PISTON RING - oversized, 2.0825" (52.89 mm)

6шт.

24

N8392

KIT

PISTON RING - oversized, 2.0925" (53.15 mm)

6шт.

D80617

PISTON

AND WRIST PIN - standard

2шт.

D80618

PIN

PISTON AND WRIST PIN - .010" (0.254 mm) oversized

2шт.

D80619

AXLE PIN

PISTON AND WRIST PIN - .020" (0.508 mm) oversized

2шт.

D80620

LARGE PIN

PISTON AND WRIST PIN - .030" (0.762 mm) oversized, Includes: Ref. 25 - 27

2шт.

25

NSS

NOT SOLD SEPARAT

PISTON - air compressor

1шт.

26

NSS

NOT SOLD SEPARAT

WRIST PIN - piston

1шт.

27

D80616

BUTTON

- wrist pin

2шт.

L32894

ROD

ASSEMBLY - standard, 1.1253" (29.58 mm), Includes: Ref. 28 - 33

2шт.

L32895

ROD, CONNECTING

ROD ASSEMBLY - undersized, 1.1153" (28.33 mm), Includes: Ref. 28 - 33

2шт.

L32896

ROD, CONNECTING

ROD ASSEMBLY - undersized, 1.1053" (28.07 mm), Includes: Ref. 28 - 33

2шт.

L32897

EXCHANGE CONROD

ROD ASSEMBLY - undersized, 1.0953" (27.82 mm), Includes: Ref. 28 - 33

2шт.

28

NSS

NOT SOLD SEPARAT

CONNECTING ROD - piston

1шт.

29

NSS

NOT SOLD SEPARAT

BUSHING - wrist pin

1шт.

30

L31427

BOLT

BOLT - special, connecting rod

2шт.

31

L31426

LOCK WASHER

WASHER - special, connecting rod

2шт.

32

NSS

NOT SOLD SEPARAT

CAP - rod

1шт.

33

L33720

INSERT

- set of 2, L32894 rod

1шт.

33

L33721

RING

INSERT - set of 2, L32895 rod

1шт.

33

L33722

INSERT

- set of 2, L32896 rod

1шт.

33

L33723

KIT

INSERT - set of 2, L32897 rod

1шт.

34

113-288

BOLT - hex head, 3/8"-16 NC x 7/8"

6шт.

35

92-6

LOCK WASHER,3/8"

6шт.

36

N7835

GASKET

- cylinder, Serial Range: block-crankcase

1шт.

37

D80611

CRANKCASE

- air compressor

1шт.

38

131-1172

LOCK NUT,3/4"-16, GA

NUT - hex, self-locking, 3/4"-16 NF, plated

1шт.

39

126-216

WOODRUFF KEY,Hi-Pro, 1" Dia x 1/4" x 1 1/16"

- special

1шт.

40

13-514

BOLT,Hex, 5/16" - 18 x 7/8", Gr 5

4шт.

41

192-110

LOCK WASHER,5/16"

WASHER - lock, 5/16"

4шт.

42

L32889

COVER ASSY

COVER - end, front, used on L79410 with ball type bearing

1шт.

42a

N7766

COVER

- end, front, used on L109544 with sleeve type bearing

1шт.

43

L32888

GASKET

- cover, front end

1шт.

44

S94706

OIL SEAL

OIL SEAL - front cover

1шт.

45

A29183

BALL BEARING,34.99mm ID x 71.99mm OD x 16.94mm W

BEARING - crankshaft, used on L79410 compressor

1шт.

45a

L32824

BUSHING

SLEEVE - crankshaft, used on L109544 compressor

1шт.

46

L32886

CRANKSHAFT

- air compressor, used with A29183 ball bearing, L79410 compressor

1шт.

46a

N7836

CRANKSHAFT

- air compressor, used with L32824 sleeve bearing, L109544 compressor

1шт.

47

A57116

O-RING,2.612 mm ID x 2.818 mm OD x -H288 mm

- cover

1шт.

48

S117757

WASHER, THRUST

THRUST WASHER - crankshaft

1шт.

49

13-512

BOLT,Hex, 5/16" - 18 x 3/4", Gr 5

4шт.

50

192-110

LOCK WASHER,5/16"

WASHER - lock, 5/16"

4шт.

D80612

COVER ASSY

COVER ASSEMBLY - air compressor, Includes: Ref. 51 and 52

1шт.

51

NSS

NOT SOLD SEPARAT

COVER - rear, crankcase

1шт.

52

L32824

BUSHING

- crankshaft, 1.381" (35.8 mm) ID

1шт.

D80613

COVER

ASSEMBLY - air compressor, Includes: Ref. 51 and 52

1шт.

51

NSS

NOT SOLD SEPARAT

COVER - rear, crankcase

1шт.

52

L32825

BUSHING

- crankshaft, 1.371" (34.82 mm) ID

1шт.

D80614

REAR COVER

COVER ASSEMBLY - air compressor, Includes: Ref. 51 and 52

1шт.

51

NSS

NOT SOLD SEPARAT

COVER - rear, crankcase

1шт.

52

L32826

BUSHING

- crankshaft, 1.361" (34.57 mm) ID

1шт.

D80615

COVER ASSY

COVER ASSEMBLY - air compressor, Includes: Ref. 51 and 52

1шт.

51

NSS

NOT SOLD SEPARAT

COVER - rear, crankcase

1шт.

52

L32827

BUSHING

- crankshaft, 1.351" (34.32 mm) ID

1шт.

53

RESERVED

1шт.

54

RESERVED

1шт.

55

192-110

LOCK WASHER,5/16"

WASHER - lock, 5/16"

2шт.

56

L13524

CLAMP

FITTING - discharge

1шт.

57

L31456

GASKET

- discharge

1шт.

58

13-516

BOLT,Hex, 5/16" - 18 x 1", Gr 5

2шт.

59

L32921

ELBOW UNION

FITTING - inlet

1шт.

60

13-514

BOLT,Hex, 5/16" - 18 x 7/8", Gr 5

2шт.

61

192-110

LOCK WASHER,5/16"

WASHER - lock, 5/16"

2шт.

62

L32920

PLATE ASSY.

PLATE - screen

1шт.

63

L31457

GASKET

- screen

2шт.

64

221-1662

PLUG

- hex head, 1/4" NPT

1шт.

65

13-546

CAPSCREW,Hex, 5/16" - 18 x 2 7/8", Gr 5

BOLT - hex head, 5/16"-18 NC x 2-7/8"

2шт.

66

192-110

LOCK WASHER,5/16"

WASHER - lock, 5/16"

2шт.

67

REF

INSTRUCTION

GOVERNOR ASSEMBLY - compressor, parts list figure 384

1шт.

68

L13526

GASKET

- governor mounting

1шт.

Выбрано товаров: 102