Запчасти Case W14 (406) - BRAKE SYSTEM, PARKING BRAKE VALVE TO PARKING BRAKE ACTUATOR (07) - BRAKES

Схема запчастей Case W14 - (406) - BRAKE SYSTEM, PARKING BRAKE VALVE TO PARKING BRAKE ACTUATOR (07) - BRAKES
FIT
1:1
100%

Артикул

Название

Примечание

Количество

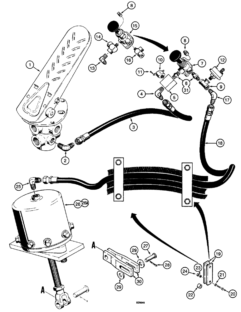
1

L73042

VALVE, BRAKE

TREADLE ASSEMBLY - right-hand, parts list figure 408

1шт.

2

218-491

ELBOW,90 Degree Elbow, 7/16" - 20 Male JIC x 1/4" - 18 Male NPTF

- 90 degree, male

1шт.

3

L49927

HOSE

- 40" (1016 mm) long

1шт.

4

218-481

ELBOW,90 Degree Elbow, 7/16" - 20 Male JIC x 1/8" - 27 Male NPTF

- 90 degree, male, used with L52178 valve, Ref. 7

1шт.

Part of parking brake valve kit, P/N L361999

1шт.

5

L13273

UNION TEE

TEE - special, used with L51278 valve, Ref. 7

1шт.

6

217-1071

HYD CONNECTOR,1/4" - 18NPTF x 1/8" - 27 NPTF

ADAPTER - male, straight, used with L52178 valve, Ref. 7

2шт.

7

L52178

VALVE

ASSEMBLY - parking brake, mounts with two mounting screws, parts list figure 410, order L36199 kit, see below, Serial Range: -9137292

1шт.

7

L52178

VALVE

ASSEMBLY - parking brake, mounts with two mounting screws, parts list figure 410, order L36199 kit, see below, Serial Range: -9137286

1шт.

8

221-1011

DRAIN PLUG,Sq Hd, 1/8"-27 NPTF

PLUG - square head, 1/8" NPT

1шт.

Part of parking brake valve kit, P/N L361999

1шт.

9

221-421

TEE,1/8" NPT

- , used with L52178 valve, Ref. 7 1/8" NPT

1шт.

10

L48480

SWITCH

- air pressure

1шт.

11

173-73

SCREW,Sl Rnd Hd, #8 - 32 x 1/4"

- No. 8 - 32 NC x 1/4"

2шт.

12

L57937

SWITCH

SENDER - air pressure

1шт.

13

218-491

ELBOW,90 Degree Elbow, 7/16" - 20 Male JIC x 1/4" - 18 Male NPTF

- 90 degree, male, used with L103834 valve, Ref. 15

1шт.

14

217-1250

TEE,1/4"-18 Female x 1/8"-27 Male Run

- special, used with L103834, valve, Ref. 15

1шт.

15

L103834

VALVE

ASSEMBLY - parking brake, mounts with lock nut, parts list figure 412, used on PIN 9137286 - PIN 9137291, Start Serial: 9137293

1шт.

Part of parking brake valve kit, P/N L361999

1шт.

16

217-1061

TEE,1/8" - 27 Female x 1/8" - 27 Male Run

- special, used with L103834 valve, Ref. 15

1шт.

17

218-481

ELBOW,90 Degree Elbow, 7/16" - 20 Male JIC x 1/8" - 27 Male NPTF

- 90 degree, male

1шт.

Part of parking brake valve kit, P/N L361999

1шт.

18

L48120

HOSE

- 82" (2033 mm) long

1шт.

19

L50641

CONNECTING STRIP

STRAP - hose mounting

4шт.

20

413-632

BOLT,Hex, 3/8" - 16 x 2", Gr 5

4шт.

21

95-6

WASHER,3/8"

- flat, 3/8"

8шт.

22

D95745

BUSHING

SPACER - hose strap

2шт.

23

92-6

LOCK WASHER,3/8"

4шт.

24

25-106

NUT,3/8"-16, G5

- hex, 3/8"-16 NC

4шт.

25

218-491

ELBOW,90 Degree Elbow, 7/16" - 20 Male JIC x 1/4" - 18 Male NPTF

- 90 degree, male

1шт.

26

L48127

CHAMBER

PARKING BRAKE ACTUATOR - parts list figure 432, no longer available, order L61187

1шт.

26a

L61187

CHAMBER

PARKING BRAKE ACTUATOR - parts list figure 434

1шт.

27

141-5

CLEVIS PIN,7/16" x 1.190"

- 7/16" diameter

1шт.

28

132-26

COTTER PIN

Pin, Split (Cotter), 3/32" x 3/4"

1шт.

29

95-7

WASHER,7/16"

- flat, 7/16"

2шт.

30

L107710

DRAG LINK

LINK - parking brake

2шт.

31

221-1103

FITTING,Nipple, 1/8" NPT x 1"

NIPPLE - pipe, 1/8" NPT x 1", used with L103834 valve, Ref. 15 when replacing L52178 valve

2шт.

Part of parking brake valve kit, P/N L361999

1шт.

L36199

VALVE

KIT - parking brake valve, to service L52178 valve, Includes: Refs. 4, 8, 15, 17 and 31

1шт.

Выбрано товаров: 39