Запчасти Case W14 (416) - L77529 AND L77758 BRAKE ACTUATORS (07) - BRAKES

Схема запчастей Case W14 - (416) - L77529 AND L77758 BRAKE ACTUATORS (07) - BRAKES
FIT
1:1
100%

Артикул

Название

Примечание

Количество

L77758

CLUSTER

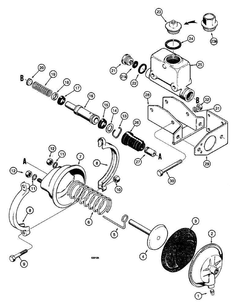
BRAKE ACTUATOR - Wagner No. AF-89552, not available, order L112001 brake actuator, figure 426, Includes: Ref. 1 - 32

1шт.

L77529

CYLINDER

BRAKE ACTUATOR - Wagner No. AF-89551, not available, order L113007 brake actuator, figure 428, Includes: Ref. 1 - 32

1шт.

NSS

NOT SOLD SEPARAT

AIR CHAMBER ASSEMBLY - brake, Includes: Ref. 1 - 12

1шт.

1

221-13

PLUG,Sq Hd, 3/8"-18

- square head, 3/8" NPT

1шт.

2

NSS

NOT SOLD SEPARAT

PLATE - pressure

1шт.

3

NSS

NOT SOLD SEPARAT

DIAPHRAGM - air chamber

1шт.

4

NSS

NOT SOLD SEPARAT

PUSH ROD - brake actuator

1шт.

5

NSS

NOT SOLD SEPARAT

ROD - stroke indicator

1шт.

6

NSS

NOT SOLD SEPARAT

SPRING - diaphragm return

1шт.

7

D78291

COVER PLATE

PLATE AND STUD ASSEMBLY - air chamber

1шт.

8

NSS

NOT SOLD SEPARAT

CLAMP - plate and stud assembly

2шт.

9

114-216

BOLT,Hex, 3/8" - 24 x 2", Gr 5

- hex head, 3/8"-24 NF x 2"

2шт.

10

86585245

SPECIAL NUT,JAM, 5/8" - 18

- hex, 3/8"-24 NF

2шт.

11

92-10

LOCK WASHER,5/8"

WASHER, LOCK, 5/8"

2шт.

12

129-167

JAM NUT,Jam, 5/8"-18, G5

JAM NUT - hex, 5/8"-11 NC

2шт.

D80496

MASTER CYLINDER

- brake, drum brakes, no longer available, order L112001 brake actuator, figure 426, Includes: Ref. 13 - 25

1шт.

D78286

SPARE PART

MASTER CYLINDER - brake, disc brakes, no longer available, order L113007 brake actuator, figure 428, Includes: Ref. 13 - 25

1шт.

13

D78300

RING, SNAP

SNAP RING - master cylinder

1шт.

14

D78301

STOP

- piston

1шт.

NSS

NOT SOLD SEPARAT

PISTON ASSEMBLY - master cylinder, Includes: Ref. 15 and 16

1шт.

15

L32552

CUP

U-CUP SEAL - piston

1шт.

16

NSS

NOT SOLD SEPARAT

PISTON - master cylinder

1шт.

17

NSS

NOT SOLD SEPARAT

U-CUP SEAL - master cylinder

1шт.

18

D78304

RETAINER

- spring

1шт.

19

D78303

SPRING

- return

1шт.

20

NSS

NOT SOLD SEPARAT

CHECK VALVE - master cylinder

1шт.

21

NSS

NOT SOLD SEPARAT

HEAD ASSEMBLY - master cylinder

1шт.

21a

NSS

NOT SOLD SEPARAT

SEAT - spring

1шт.

22

NSS

NOT SOLD SEPARAT

GASKET - head

1шт.

23

D78284

FILLER CAP

CAP - filler, used with L77529 brake actuator

1шт.

23a

S75474

PLUG

CAP - filler, used with L77758 brake actuator

1шт.

24

A19755

GASKET

- filler cap

1шт.

25

NSS

NOT SOLD SEPARAT

HOUSING - reservoir

1шт.

26

NSS

NOT SOLD SEPARAT

BOOT - piston stop

1шт.

27

D78289

SLEEVE

STOP - piston

1шт.

28

NSS

NOT SOLD SEPARAT

BRACKET - master cylinder

1шт.

29

NSS

NOT SOLD SEPARAT

BRACKET - brake actuator

1шт.

30

114-310

BOLT,Hex, 7/16" - 20 x 3-3/4", Gr 5

2шт.

31

92-7

LOCK WASHER,7/16"

2шт.

32

425-117

NUT,7/16"-20, G5

- hex, 7/16"-20 NF

2шт.

Выбрано товаров: 40