Запчасти Case W14 (418) - L103952, L103953, L107985, AND L107986 BRAKE ACTUATORS (07) - BRAKES

Схема запчастей Case W14 - (418) - L103952, L103953, L107985, AND L107986 BRAKE ACTUATORS (07) - BRAKES
FIT
1:1
100%

Артикул

Название

Примечание

Количество

L103953

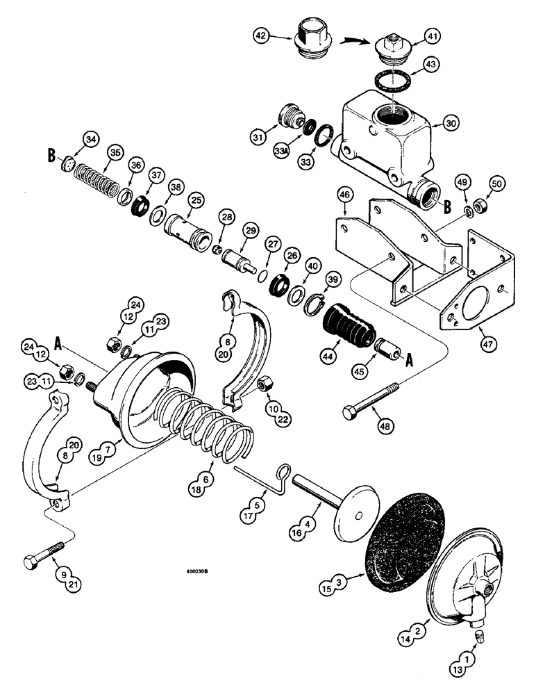
BRAKE ACTUATOR - Wagner No. AF-99582, not available, order L112001 brake actuator, figure 426, Includes: Ref. 1 - 50

2шт.

L107986

BRAKE ACTUATOR - Wagner No. AF-104382, not available, order L112001 brake actuator, figure 426, Includes: Ref. 1 - 50

2шт.

L103952

CYLINDER BLOCK

BRAKE ACTUATOR - Wagner No. AF-99581, not available, order L113007 brake actuator, figure 428, Includes: Ref. 1 - 50

2шт.

L107985

CYLINDER BLOCK

BRAKE ACTUATOR - Wagner No. AF-104381, not available, order L113007 brake actuator, figure 428, Includes: Ref. 1 - 50

2шт.

N6536

CYLINDER

AIR CHAMBER ASSEMBLY - brake actuator, order N9055 air chamber, Includes: Ref. 1 - 12

1шт.

1

221-13

PLUG,Sq Hd, 3/8"-18

- square head, 3/8" NPT

1шт.

2

NSS

NOT SOLD SEPARAT

PLATE - pressure

1шт.

3

NSS

NOT SOLD SEPARAT

DIAPHRAGM - air chamber

1шт.

Part of maintenance kit, P/N N6938

1шт.

4

NSS

NOT SOLD SEPARAT

PUSH ROD - brake actuator

1шт.

Part of master cylinder repair kit, P/N L36218

1шт.

5

NSS

NOT SOLD SEPARAT

ROD - stroke indicator

1шт.

6

NSS

NOT SOLD SEPARAT

SPRING - diaphragm return

1шт.

7

NSS

NOT SOLD SEPARAT

PLATE AND STUD ASSEMBLY - air chamber

1шт.

8

NSS

NOT SOLD SEPARAT

CLAMP - plate and stud assembly

2шт.

9

114-216

BOLT,Hex, 3/8" - 24 x 2", Gr 5

- hex head, 3/8"-24 NF x 2"

2шт.

10

86585245

SPECIAL NUT,JAM, 5/8" - 18

- hex, 3/8"-24 NF

2шт.

11

92-10

LOCK WASHER,5/8"

WASHER, LOCK, 5/8"

2шт.

12

129-167

JAM NUT,Jam, 5/8"-18, G5

- hex, 5/8"-11 NC

2шт.

N9055

MASTER CYLINDER

AIR CHAMBER ASSEMBLY - brake actuator, Midland No. N30168, part No. stamped on assembly, Includes: Ref. 13 - 24

1шт.

13

221-1013

DRAIN PLUG,Sq Hd, 3/8"-18 NPTF

PLUG - square head, 3/8" NPT

1шт.

14

NSS

NOT SOLD SEPARAT

PLATE - pressure

1шт.

15

N9521

DIAPHRAGM

- air chamber

1шт.

16

N9942

PUSH ROD

- brake actuator

1шт.

17

D78296

INDICATOR

ROD - stroke indicator

1шт.

18

D78294

SPRING

- diaphragm return

1шт.

19

NSS

NOT SOLD SEPARAT

PLATE AND STUD ASSEMBLY - air chamber

1шт.

20

N9938

CLAMP

- plate and stud assembly

2шт.

21

N9937

BOLT

- special

2шт.

22

N9939

NUT

- special

2шт.

23

192-25

LOCK WASHER,5/8"

WASHER, LOCK, 5/8"

2шт.

24

129-107

NUT,5/8"-11, G5

2шт.

N8469

CYLINDER

MASTER CYLINDER - brake actuator, order N6937 kit for service, Includes: Ref. 25 - 50

1шт.

This part could have number FE3419 on it in very early units. This is per notes in 3270 and in the paper catalog.

1шт.

NSS

NOT SOLD SEPARAT

PISTON ASSEMBLY - master cylinder, Includes: Ref. 25 - 29

1шт.

25

NSS

NOT SOLD SEPARAT

PISTON - main

1шт.

Part of master cylinder kit, P/N N6937

1шт.

26

NSS

NOT SOLD SEPARAT

U-CUP SEAL - piston

1шт.

Part of master cylinder kit, P/N N6937

1шт.

27

A64436

O-RING,0.549" ID x 0.755" OD

- piston

1шт.

Part of master cylinder kit, P/N N6937

1шт.

28

N6567

VALVE

CHECK VALVE - piston assembly

1шт.

Part of master cylinder kit, P/N N6937

1шт.

29

NSS

NOT SOLD SEPARAT

PISTON - secondary

1шт.

Part of master cylinder kit, P/N N6937

1шт.

NSS

NOT SOLD SEPARAT

HEAD ASSEMBLY AND RESERVOIR - master cylinder, Includes: Ref. 30 - 33A

1шт.

30

NSS

NOT SOLD SEPARAT

HOUSING - reservoir

1шт.

NSS

NOT SOLD SEPARAT

HEAD AND SEAT ASSEMBLY - master cylinder, removable, if used, Includes: Ref. 31 - 33

1шт.

31

NSS

NOT SOLD SEPARAT

HEAD - master cylinder, if used

1шт.

32

NSS

NOT SOLD SEPARAT

SEAT - spring, used with removable head, if used

1шт.

Part of master cylinder kit, P/N N6937

1шт.

33

NSS

NOT SOLD SEPARAT

GASKET - head, if used

1шт.

Part of master cylinder kit, P/N N6937

1шт.

33a

NSS

NOT SOLD SEPARAT

SEAT - spring, used without removable head, if used

1шт.

Part of master cylinder kit, P/N N6937

1шт.

34

NSS

NOT SOLD SEPARAT

CHECK VALVE - master cylinder

1шт.

35

D78303

SPRING

- return

1шт.

36

NSS

NOT SOLD SEPARAT

RETAINER - spring

1шт.

37

NSS

NOT SOLD SEPARAT

U-CUP SEAL - master cylinder

1шт.

Part of master cylinder kit, P/N N6937

1шт.

38

NSS

NOT SOLD SEPARAT

BACKUP RING - seal

1шт.

Part of master cylinder kit, P/N N6937

1шт.

39

D27833

SNAP RING,1.625", Int, #162

Ring, Snap, , master cylinder 1.625", Int, #162

1шт.

Part of master cylinder kit, P/N N6937

1шт.

40

NSS

NOT SOLD SEPARAT

STOP - piston, used on L103952 and L103953 brake actuators

1шт.

Part of master cylinder repair kit, P/N L36218

1шт.

40

NSS

NOT SOLD SEPARAT

STOP - piston, used on L107985 and L107986 brake actuators

1шт.

41

D78284

FILLER CAP

CAP - filler, used on L103952 and L107985 brake actuators

1шт.

42

S75474

PLUG

CAP - filler, used on L103953 and L107986 brake actuator

1шт.

43

NSS

NOT SOLD SEPARAT

GASKET - filler cap

1шт.

Part of master cylinder kit, P/N N6937

1шт.

44

NSS

NOT SOLD SEPARAT

BOOT - piston stop

1шт.

Part of maintenance kit, P/N N6938

1шт.

45

NSS

NOT SOLD SEPARAT

STOP - piston, used on L103952 and L103953 brake actuators

1шт.

Part of master cylinder repair kit, P/N L36218

1шт.

45

NSS

NOT SOLD SEPARAT

STOP - piston, used on L107985 and L107986 brake actuators

1шт.

46

NSS

NOT SOLD SEPARAT

BRACKET - master cylinder

1шт.

47

NSS

NOT SOLD SEPARAT

BRACKET - brake actuator

1шт.

48

114-310

BOLT,Hex, 7/16" - 20 x 3-3/4", Gr 5

2шт.

49

92-7

LOCK WASHER,7/16"

2шт.

50

425-117

NUT,7/16"-20, G5

- hex, 7/16"-20 NF

2шт.

N6937

GASKET KIT

KIT - master cylinder, Includes: Refs. 25, 26, 27, 28, 29, 32, 33, 33A, 37, 38, 39 and 43

1шт.

N6938

KIT

- maintenance, Includes: Refs. 3, 44 and N6937 kit

1шт.

L36218

REPAIR KIT

KIT - master cylinder repair, for service of L103952 and L103953 brake actuators, Includes: Refs. 4, 40 and 45

1шт.

Выбрано товаров: 84