Запчасти Case W14 (422) - L112958 AND L112959 BRAKE ACTUATORS (07) - BRAKES

Схема запчастей Case W14 - (422) - L112958 AND L112959 BRAKE ACTUATORS (07) - BRAKES
FIT
1:1
100%

Артикул

Название

Примечание

Количество

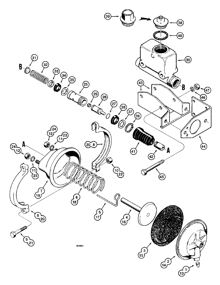
L112959

CLUSTER

BRAKE ACTUATOR - Wagner No. AF-105171, Includes: Ref. 1 - 47

1шт.

L112958

CLUSTER

BRAKE ACTUATOR - Wagner No. AF-105172, Includes: Ref. 1 - 47

1шт.

N6536

CYLINDER

AIR CHAMBER ASSEMBLY - brake actuator, no longer available, order N9055 air chamber, Includes: Ref. 1 - 12

1шт.

1

221-13

PLUG,Sq Hd, 3/8"-18

- square head, 3/8" NPT

1шт.

2

NSS

NOT SOLD SEPARAT

PLATE - pressure

1шт.

3

NSS

NOT SOLD SEPARAT

DIAPHRAGM - air chamber

1шт.

Part of maintenance kit, P/N N8820

1шт.

4

NSS

NOT SOLD SEPARAT

PUSH ROD - brake actuator

1шт.

5

NSS

NOT SOLD SEPARAT

ROD - stroke indicator

1шт.

6

NSS

NOT SOLD SEPARAT

SPRING - diaphragm return

1шт.

7

NSS

NOT SOLD SEPARAT

PLATE AND STUD ASSEMBLY - air chamber

1шт.

8

NSS

NOT SOLD SEPARAT

CLAMP - plate and stud assembly

2шт.

9

114-216

BOLT,Hex, 3/8" - 24 x 2", Gr 5

- hex head, 3/8"-24 NF x 2"

2шт.

10

86585245

SPECIAL NUT,JAM, 5/8" - 18

- hex, 3/8"-24 NF

2шт.

11

192-25

LOCK WASHER,5/8"

WASHER, LOCK, 5/8"

2шт.

12

129-107

NUT,5/8"-11, G5

2шт.

N9055

MASTER CYLINDER

AIR CHAMBER ASSEMBLY - brake actuator, Midland No. N30168, part No. stamped on assembly, Includes: Ref. 13 - 24

1шт.

13

221-1013

DRAIN PLUG,Sq Hd, 3/8"-18 NPTF

PLUG - square head, 3/8" NPT

1шт.

14

NSS

NOT SOLD SEPARAT

PLATE - pressure

1шт.

15

N9521

DIAPHRAGM

- air chamber

1шт.

16

N9942

PUSH ROD

- brake actuator

1шт.

17

D78296

INDICATOR

ROD - stroke indicator

1шт.

18

D78294

SPRING

- diaphragm return

1шт.

19

NSS

NOT SOLD SEPARAT

PLATE AND STUD ASSEMBLY - air chamber

1шт.

20

N9938

CLAMP

- plate and stud assembly

2шт.

21

N9937

BOLT

- special

2шт.

22

N9939

NUT

- special

2шт.

23

192-25

LOCK WASHER,5/8"

WASHER, LOCK, 5/8"

2шт.

24

129-107

NUT,5/8"-11, G5

2шт.

N6538

CYLINDER

MASTER CYLINDER - brake actuator, Includes: Ref. 25 - 47

1шт.

25

NSS

NOT SOLD SEPARAT

PISTON - main

1шт.

26

NSS

NOT SOLD SEPARAT

U-CUP SEAL - piston

1шт.

Part of master cylinder kit, P/N N8822

1шт.

27

A64436

O-RING,0.549" ID x 0.755" OD

- piston

1шт.

Part of master cylinder kit, P/N N8822

1шт.

28

N6567

VALVE

CHECK VALVE - piston assembly

1шт.

29

NSS

NOT SOLD SEPARAT

PISTON - secondary

1шт.

Part of master cylinder kit, P/N N8822

1шт.

30

NSS

NOT SOLD SEPARAT

HOUSING - reservoir

1шт.

31

NSS

NOT SOLD SEPARAT

CHECK VALVE - master cylinder

1шт.

Part of master cylinder kit, P/N N8822

1шт.

32

D78303

SPRING

- return

1шт.

33

NSS

NOT SOLD SEPARAT

RETAINER - spring

1шт.

34

NSS

NOT SOLD SEPARAT

U-CUP SEAL - master cylinder

1шт.

Part of master cylinder kit, P/N N8822

1шт.

35

NSS

NOT SOLD SEPARAT

BACKUP RING - seal

1шт.

Part of master cylinder kit, P/N N8822

1шт.

36

D27833

SNAP RING,1.625", Int, #162

Ring, Snap, , master cylinder 1.625", Int, #162

1шт.

Part of master cylinder kit, P/N N8822

1шт.

37

N7107

KIT, FIRST AID

STOP - piston, order L36218 kit

1шт.

Part of master cylinder repair kit, P/N L36218

1шт.

38

D78284

FILLER CAP

CAP - filler, used with L112959 brake actuator

1шт.

39

A19918

CAP

- filler, used with L112958 brake actuator

1шт.

40

NSS

NOT SOLD SEPARAT

GASKET - filler cap

1шт.

Part of master cylinder kit, P/N N8822

1шт.

41

NSS

NOT SOLD SEPARAT

BOOT - piston stop

1шт.

Part of maintenance kit, P/N N8820

1шт.

42

NSS

NOT SOLD SEPARAT

STOP - piston

1шт.

Part of master cylinder repair kit, P/N L36218

1шт.

43

NSS

NOT SOLD SEPARAT

BRACKET - master cylinder

1шт.

44

NSS

NOT SOLD SEPARAT

BRACKET - brake actuator

1шт.

45

114-310

BOLT,Hex, 7/16" - 20 x 3-3/4", Gr 5

2шт.

46

92-7

LOCK WASHER,7/16"

2шт.

47

425-117

NUT,7/16"-20, G5

- hex, 7/16"-20 NF

2шт.

N8822

KIT - master cylinder, Includes: Refs. 26, 27, 29, 31, 34, 35, 36 and 40

1шт.

N6938

KIT

- maintenance, Includes: Refs. 3, 41 and N6937 kit, replaces N8820

1шт.

L36218

REPAIR KIT

KIT - master cylinder repair, Includes: Ref. 4 on figure 418, and Refs. 37 and 42

1шт.

Выбрано товаров: 67