Запчасти Case W14 (024) - CYLINDER HEAD AND COVER, 336BD AND 336BDT DIESEL ENGINE (02) - ENGINE

Схема запчастей Case W14 - (024) - CYLINDER HEAD AND COVER, 336BD AND 336BDT DIESEL ENGINE (02) - ENGINE
FIT
1:1
100%

Артикул

Название

Примечание

Количество

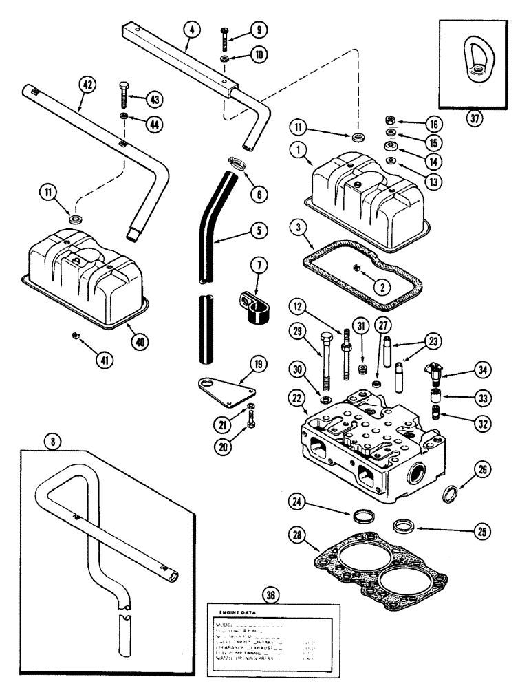
1

A166170

COVER

COVER ASSEMBLY - cylinder head, Includes: Ref. 2

2шт.

2

131-114

SPRING NUT,Rtnr, 1/4" - 20, 0.25" High

NUT - Tinnerman, 1/4 inch NC

1шт.

3

REF

INSTRUCTION

GASKET - cylinder head cover (See Figure 46)

2шт.

4

A166173

TUBE

TUBE - breather (Used with A67352 cylinder head)

1шт.

5

A137158

HOSE,1.00" ID x 24.00", SAE J200

Breather tube (Used with A67352 cylinder head)

1шт.

6

214-256

HOSE CLAMP,#20, 0.81" - 1.75", Type F Worm

CLAMP - hose, 1-3/16 to 1-3/4 inch

1шт.

7

D34033

CLAMP

CLIP - hose to flywheel housing

1шт.

8

A58733

TUBE

TUBE - breather (Used with A66709 cylinder head)

1шт.

9

182-587

SCREW,Cross Pan Hd, 1/4"-20 x 2 1/2"

SCREW - pan head slotted, 1/4 NC x 2-1/4 inch

2шт.

10

A166102

WASHER,6.45mm ID x 12.7mm OD x 0.81mm Thk

GASKET - tube, upper

2шт.

11

A58635

GASKET,17.27mm ID x 32mm OD x 6.6mm Thk

GASKET - tube, lower

2шт.

12

A67121

STUD

STUD - cylinder head cover

4шт.

13

A142098

GROMMET

GROMMET - cover stud (Replaces A23684)

4шт.

14

A156097

WASHER,11.94mm ID x 31.22mm OD x 1.32mm Thk

WASHER - cover stud (Replaces A23683)

4шт.

15

195-29

WASHER,7/16"

WASHER - flat, 15/32 x 59/64 x 1/16 inch (11 x 23 x 2 mm)

4шт.

16

25-107

NUT,7/16"-14, G5

NUT - hex, 7/16 inch NC

4шт.

19

A58734

BRACKET

BRACKET - breather tube

1шт.

20

193-528

SCREW,SEMS, Hex Soc Hd, 3/8"-16 x 1 1/2"

BOLT - hex, 3/8 NC x 1-1/2 inch

2шт.

21

195-25

WASHER,3/8"

WASHER - flat, 3/8 x 13/16 x 1/16 inch (10 x 21 x 2 mm)

1шт.

22

A67352

HEAD (CYLINDER)

HEAD ASSEMBLY - cylinder (Casting No. A67351), Includes: Ref. 23 - 27

2шт.

Ref. 22 - (Used with 17 mm injector nozzels)

1шт.

22

AR148939

REMAN-CYLINDER HEAD

Cylinder Head

2шт.

22

AC148939

CORE-CYLINDER HEAD

Return Number

2шт.

22

A66709

HEAD

HEAD ASSEMBLY - cylinder (Casting No. A58525) (Replaces A60558), Includes: Ref. 23 - 27

2шт.

Ref. 22A - (Used with pencil style injector nozzels)

1шт.

22

AR66686

REMAN-CYLINDER HEAD

Remanufactured CYLINDER HEAD

2шт.

22

AC66686

CORE-CYLINDER HEAD

Return Number

2шт.

23

A57448

GUIDE

GUIDE - intake and exhaust valves (Used with A67352 cylinder head)

4шт.

23

A41783

GUIDE

GUIDE - intake and exhaust valves (Used with A66709 cylinder head)

4шт.

24

A60557

INSERT

INSERT - intake valve seat

2шт.

25

A58619

INSERT

INSERT - exhaust valve seat (Used with A67352 cylinder head)

2шт.

25

A66192

INSERT

INSERT - exhaust valve seat (Used with A66709 cylinder head)

2шт.

26

A34124

PLUG,Cup, 1 5/8", Stainless

PLUG - cup type, 1-5/8 inch (41 mm)

2шт.

27

A58620

PLUG,Cup, 3/4", Stainless

PLUG - cup type, 3/4 inch (19 mm)

3шт.

28

REF

INSTRUCTION

GASKET - cylinder head (See Figure 44)

2шт.

29

A62732

STEP BOLT

BOLT - cylinder head

20шт.

30

A58629

BEARING WASHER,16.66mm ID x 25.4mm OD x 3.04mm Thk

WASHER - head bolt

20шт.

31

221-843

PLUG,Hex Soc, 3/8"-18

PLUG - hex socket head, 3/8 inch PT

3шт.

32

221-158

PIPE,Nipple, 3/8" NPT x 1"

NIPPLE - 3/8 PT x 1 inch

1шт.

33

221-337

COUPLING,Pipe, 3/8" NPT

COUPLING - nipple to valve

1шт.

34

A16764

VALVE

VALVE ASSEMBLY - shut-off

1шт.

36

321-6102

DECAL

DECAL - engine data, altitude compensating

1шт.

36

321-6038

DECAL

SPARE PART DECAL - engine data, natural aspirated (Fuel Pump Timing, 20°)

1шт.

36

321-2309

DECAL

DECAL - engine data, natural aspirated (Fuel Pump Timing, 31°)

1шт.

37

A60567

EYE

EYE - engine lifting

2шт.

40

A58929

COVER

COVER ASSEMBLY - cylinder head, Includes: Ref. 41

2шт.

41

131-114

SPRING NUT,Rtnr, 1/4" - 20, 0.25" High

NUT - Tinnerman, 1/4 inch NC

1шт.

42

A137159

TUBE

TUBE - breather (Used with A67352 cylinder head)

1шт.

43

13-440

BOLT,Hex, 1/4" - 20 x 2-1/2", Gr 5

BOLT, Hex, 1/4"-20 x 2 1/2", G5

2шт.

44

A34133

GASKET

GASKET - tube, upper

2шт.

Выбрано товаров: 50