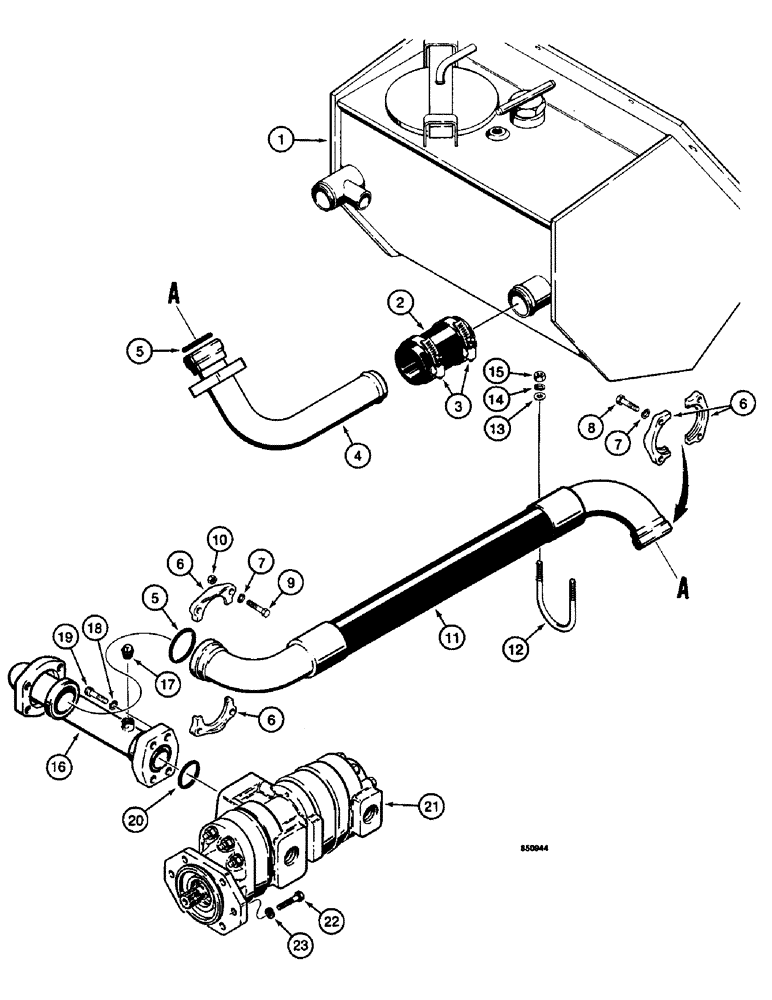
Запчасти Case W14 (458) - BASIC HYDRAULIC CIRCUIT, RESERVOIR TO PUMP, PIN 9151870 AND AFTER (08) - HYDRAULICS

Схема запчастей Case W14 - (458) - BASIC HYDRAULIC CIRCUIT, RESERVOIR TO PUMP, PIN 9151870 AND AFTER (08) - HYDRAULICS
FIT
1:1
100%

Артикул

Название

Примечание

Количество

1

REF

INSTRUCTION

RESERVOIR - parts list figure 454

1шт.

2

L74461

HYDRAULIC HOSE,2.00" ID x 5.00", SAE 100R1 Type A

1шт.

3

214-177

CLIP

CLAMP - hose

2шт.

4

L50654

TUBE,2" OD x 10.9, 7.9" L

- hydraulic, suction

1шт.

5

A14506

O-RING,0.139" Thk x 2.234" ID, -228, Cl 5, 75 Duro

- split flange

2шт.

6

A14141

FLANGE

SPLIT FLANGE - tube

4шт.

7

92-8

LOCK WASHER,1/2"

8шт.

8

13-824

BOLT,Hex, 1/2" - 13 x 1-1/2", Gr 5, Full Thd

4шт.

9

13-832

BOLT,Hex, 1/2" - 13 x 2", Gr 5

4шт.

10

25-108

NUT,1/2"-13, G5

- hex, 1/2"-13 NC

4шт.

11

L114737

HOSE,50.8mm ID x 871.22mm L, SAE 100R4

HOSE ASSEMBLY - hydraulic suction

1шт.

12

L51039

U-BOLT

- 5/16"-18 NC x 2-7/8"

1шт.

13

95-5

WASHER,3/8" x 7/8" x .083"

- flat, 5/16"

2шт.

14

92-5

LOCK WASHER,5/16"

2шт.

15

25-115

NUT,5/16"-24, G5

- hex, 5/16"-18 NC

2шт.

16

L106805

MANIFOLD

TUBE - at pump, models without auxiliary steering and without a backhoe, for models with auxiliary steering or with a backhoe, see figures 254 or 472

1шт.

17

221-12

PLUG,Sq Hd, 1/4"-18

- 1/4" NPT

1шт.

18

92-8

LOCK WASHER,1/2"

4шт.

19

61-832

HEX SOC SCREW,1/2"-13 x 2"

BOLT - hex socket head, 3/8"-16 NC x 2"

4шт.

20

A14506

O-RING,0.139" Thk x 2.234" ID, -228, Cl 5, 75 Duro

- flange

1шт.

21

L111787

PUMP, HYDRAULIC

PUMP - hydraulic, parts list figure 272

1шт.

22

13-824

BOLT,Hex, 1/2" - 13 x 1-1/2", Gr 5, Full Thd

2шт.

23

92-8

LOCK WASHER,1/2"

2шт.

Выбрано товаров: 23