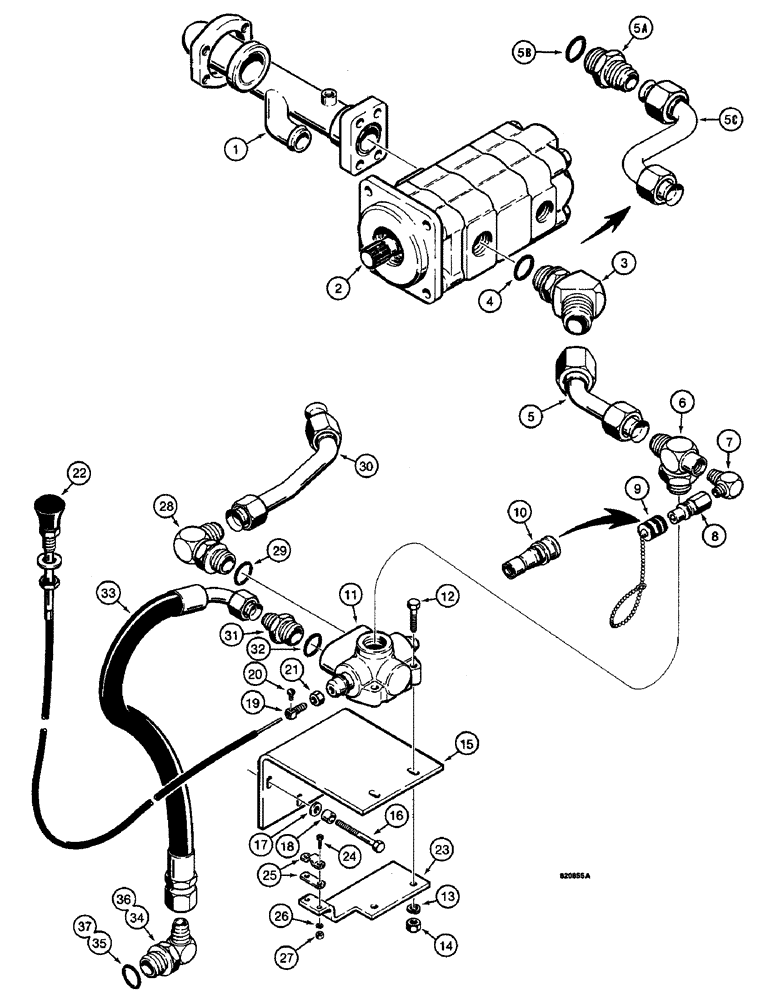
Запчасти Case W14 (476) - BACKHOE HYDRAULIC CIRCUIT, PUMP TO RELIEF VALVE (08) - HYDRAULICS

Схема запчастей Case W14 - (476) - BACKHOE HYDRAULIC CIRCUIT, PUMP TO RELIEF VALVE (08) - HYDRAULICS
FIT
1:1
100%

Артикул

Название

Примечание

Количество

1

L54948

MANIFOLD

TUBE - at pump, for o-rings and connecting parts see figure 454, Serial Range: -9151870

1шт.

1

L108299

MANIFOLD

TUBE - at pump, for o-rings and connecting parts see figure 456 9151870 to

1шт.

2

L110544

PUMP

- hydraulic, parts list figure 270, Serial Range: -9151870

1шт.

2

L111787

PUMP, HYDRAULIC

PUMP - hydraulic, parts list figure 272, Serial Range: -9151870

1шт.

3

218-5140

45 ELBOW,45 Degree Elbow, 1-5/16" - 12 Male JIC x 1-5/16" - 12 Male ORB

- 45 degree, adjustable, Includes: Ref. 4, Serial Range: -9151870

1шт.

4

218-5010

O-RING,0.116" Thk x 1.171" ID, -916, Cl 6, 90 Duro

- elbow

1шт.

5

L107496

HYD TUBE,1" OD x 7.1, 2.18" L

TUBE - to valve, Serial Range: -9151870

1шт.

5a

218-5069

HYD CONNECTOR,1-5/16" - 12 Male JIC x 1-5/16" - 12 Male ORB

Adapter - straight, Incl. Ref. 5B 9151870 to

1шт.

5b

218-5010

O-RING,0.116" Thk x 1.171" ID, -916, Cl 6, 90 Duro

- adapter

1шт.

5c

L111813

TUBE ASSY.,1" OD x 7.26, 5.86" L

TUBE - to valve 9151870 to

1шт.

6

L55496

FITTING

- special

1шт.

7

L100938

FITTING

ELBOW - 90 degree

1шт.

8

S206607

DISC

COUPLING - male

1шт.

9

S206608

CAP

COVER - dust

1шт.

10

S206610

MAKING-UP

COUPLING - female

1шт.

11

L55038

VALVE

SELECTOR VALVE - backhoe, parts list figure 480

1шт.

12

413-632

BOLT,Hex, 3/8" - 16 x 2", Gr 5

2шт.

13

92-6

LOCK WASHER,3/8"

2шт.

14

25-106

NUT,3/8"-16, G5

- hex, 3/8"-16 NC

2шт.

15

L107669

BRACKET

- selector valve

1шт.

16

13-652

BOLT,Hex, 3/8" - 16 x 3-1/4", Gr 5

- hex head, 3/8"-16 NC x 3-1/4"

3шт.

17

95-6

WASHER,3/8"

- flat, 3/8"

3шт.

18

L55430

ARM

SPACER - bracket

3шт.

19

L55199

SCREW,3/8" - 16 x 1"

- special

1шт.

20

169-73

SCREW,Fil Hd, #8 - 32 x 1/4"

SET SCREW - fillister head, No. 8 - 32 NC x 1/4"

1шт.

21

25-146

JAM NUT,Jam, 3/8"-16, G5

JAM NUT - hex, 3/8"-16 NC

1шт.

22

L55748

CABLE

ASSEMBLY - selector valve, parts list figure 480

1шт.

23

L55198

BRACKET

- cable

1шт.

24

163-12

SCREW,Hex, #10 - 24 x 3/4"

- slotted hex head, No. 10 - 24 NC

2шт.

25

L12441

CLAMP

- cable

1шт.

26

92-3

LOCK WASHER,#10

WASHER, LOCK, #10

2шт.

27

129-7

NUT,Hex, #10 - 24

- hex, No. 10 - 24 NC

2шт.

28

218-5110

ELBOW,90 Degree Elbow, 1-5/16" - 12 Male JIC x 1-5/16" - 12 Male ORB

adjustable, Incl. Ref. 29 90º, 1 5/16"-12, 37º x 1 5/16"-12, O-Ring

1шт.

29

218-5010

O-RING,0.116" Thk x 1.171" ID, -916, Cl 6, 90 Duro

- elbow

1шт.

30

L55032

TUBE,1" OD

- loader supply, Serial Range: -9151870

1шт.

30

L111824

TUBE ASSY.,1" OD

TUBE - loader supply 9151870 to

1шт.

31

218-5077

HYD CONNECTOR,1-1/16" - 12 Male JIC x 1-5/16" - 12 Male ORB

ADAPTER - backhoe hose, Incl. Ref. 32

1шт.

32

218-5010

O-RING,0.116" Thk x 1.171" ID, -916, Cl 6, 90 Duro

- adapter

1шт.

33

L54974

HOSE

- selector valve to relief valve

1шт.

34

218-5123

ELBOW,90 Degree Elbow, 1-1/16" - 12 Male JIC x 7/8" - 14 Male ORB

- 90 degree, used with 35A or 35C backhoe, Includes: Ref. 35

1шт.

35

237-6010

O-RING,0.097" Thk x 0.755" ID, -910, Cl 6, 90 Duro

- elbow

1шт.

36

218-5118

ELBOW,90 Degree Elbow, 1-1/16" - 12 Male JIC x 1-5/16" - 12 Male ORB

- 90 degree, used with 35 backhoe, Includes: Ref. 37

1шт.

37

218-5010

O-RING,0.116" Thk x 1.171" ID, -916, Cl 6, 90 Duro

- elbow

1шт.

Выбрано товаров: 43