Запчасти Case W14 (516) - HYDRECO THREE SPOOL VALVES (08) - HYDRAULICS

Схема запчастей Case W14 - (516) - HYDRECO THREE SPOOL VALVES (08) - HYDRAULICS
FIT
1:1
100%

Артикул

Название

Примечание

Количество

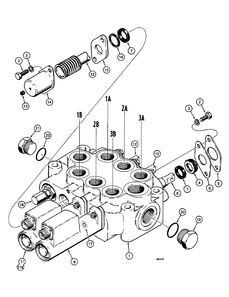
L100004

VALVE

- three spool, Hydreco No. MVT025DRF16

1шт.

L104940

LOCK VALVE

VALVE - three spool, Hydreco No. MVT025DRF21

1шт.

L108366

LOCK VALVE

VALVE - three spool, Hydreco No. MVTO25DRF27, Includes: Ref. 1 - 22

1шт.

1

NSS

NOT SOLD SEPARAT

BODY - valve

1шт.

2

113-102

BOLT,Hex, 5/16" - 18 x 3/4", Gr 5

Hex, 5/16"-18 x 3/4", G5, Full Thd

8шт.

3

192-20

LOCK WASHER,Helical Spring, 0.318" ID, CST, ZND

WASHER, LOCK, 5/16"

8шт.

4

D82728

RING

WIPER - spool

3шт.

5

D82721

PLATE

- retaining, outer

3шт.

6

D82720

PLATE ASSY.

PLATE - retaining, inner

3шт.

7

D82727

SEAL

- spool

6шт.

8

REF

INSTRUCTION

SPOOL ASSEMBLY - lift, parts list figure 518

1шт.

9

D82929

VALVE

DETENT ASSEMBLY - lift, parts list figure 520

1шт.

10

REF

INSTRUCTION

SPOOL ASSEMBLY - bucket, parts list figure 518

1шт.

11

D82928

DETENT

ASSEMBLY - bucket, parts list figure 522, L100004 valve

1шт.

11a

N7171

SPOOL

DETENT ASSEMBLY - bucket, parts list figure 522, L104939 and L108366 valves

1шт.

12

REF

INSTRUCTION

SPOOL ASSEMBLY - auxiliary, parts list figure 518

3шт.

13

D83096

PLUG

- cover

1шт.

14

D24779

COVER

- spool, auxiliary

1шт.

15

D82722

PLATE

- retaining

1шт.

16

D82723

BACK-UP RING

BACKUP RING - seal

1шт.

17

REF

INSTRUCTION

CIRCUIT RELIEF VALVE - parts list figure 524

4шт.

18

REF

INSTRUCTION

MAIN RELIEF VALVE - parts list figure 524

1шт.

19

273916

PLUG,Hex, 1-5/16" - 12 ORB

Includes Ref. 20 Hex Hd, 1 5/16"-12 ORB

1шт.

20

218-5010

O-RING,0.116" Thk x 1.171" ID, -916, Cl 6, 90 Duro

- plug

1шт.

21

218-5158

PLUG,Hex Hd, 1 1/16"-12 ORB

Includes: Ref. 21 Hex Hd, 1 1/16"-12 ORB

1шт.

22

218-5008

O-RING,0.116" Thk x 0.924" ID, -912, Cl 6, 90 Duro

- plug

1шт.

Выбрано товаров: 26