Запчасти Case W14 (032) - CRANKSHAFT AND FLYWHEEL, 336BD AND 336BDT DIESEL ENGINE (02) - ENGINE

Схема запчастей Case W14 - (032) - CRANKSHAFT AND FLYWHEEL, 336BD AND 336BDT DIESEL ENGINE (02) - ENGINE
FIT
1:1
100%

Артикул

Название

Примечание

Количество

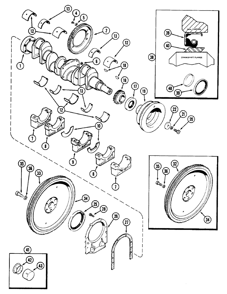
1

A166001

CRANKSHAFT

- engine (Replaces A58889)

1шт.

1

A166116

CRANK

SHAFT - engine, 0.010 inch undersize (0.254 mm) (Service Only)

1шт.

2

A157316

GEAR

- balancer drive (Replaces A148425)

1шт.

4

A155438

SCREW,Torx, 3/8" - 24 x 1 1/4"

- drive gear (Replaces A146984)

4шт.

5

A50820

WASHER

- flat, hardened

4шт.

REF: 5 - A50820 hardened washer goes on the nut side of the gear ,(not on the bolt side.) Ref. c.e. Bulletin #38-81.

1шт.

6

A51904

NUT

NUT - hex, special

4шт.

7

A154391

CAP

- main bearing, front and rear, wide (Order A58783)

2шт.

8

A154390

CAP

- main bearing, intermediate, narrow (Order A58784)

2шт.

9

A154392

CAP

- main bearing, thrust, center, wide (Order A58785)

1шт.

10

A62573

THRUST WASHER,88.06mm ID x 114.3mm OD x 4.7mm Thk

WASHER - thrust, center bearing, Standard, 0.185 inch (5 mm)

2шт.

10

A42932

BEARING WASHER,87.81mm ID x 114.55mm OD x 4.88mm Thk

WASHER - thrust, center bearing, 0.191 inch Oversize (5 mm)

2шт.

12

A43163

BEARING LINER

LINER SET - main bearing, wide, Standard (Set of 2)

3шт.

12

A43164

BEARING LINER

LINER SET - main bearing, wide, 0.002 inch undersize (0.051 mm) (Set of 2)

3шт.

12

A43165

BEARING LINER

LINER SET - main bearing, wide, 0.010 inch undersize (0.254 mm) (Set of 2)

3шт.

12

A43166

BEARING LINER

LINER SET - main bearing, wide, 0.020 inch undersize (0.508 mm) (Set of 2)

3шт.

12

A43167

BEARING LINER

LINER SET - main bearing, wide, 0.030 inch undersize (0.762 mm) (Set of 2)

3шт.

13

A43158

BEARING LINER

LINER SET - main bearing, narrow, Standard (Set of 2)

2шт.

13

A43159

BEARING LINER

LINER SET - main bearing, narrow, 0.002 inch undersize (0.051 mm) (Set of 2)

2шт.

13

A43160

BEARING LINER

LINER SET - main bearing, narrow, 0.010 inch undersize (0.254 mm) (Set of 2)

2шт.

13

A43161

BEARING SET

LINER SET - main bearing, narrow, 0.020 inch undersize (0.508 mm) (Set of 2)

2шт.

13

A43162

BEARING LINER

LINER SET - main bearing, narrow, 0.030 inch undersize (0.762 mm) (Set of 2)

2шт.

16

A66404

GEAR

- crankshaft

1шт.

17

A62049

OIL SEAL

- oil, front

1шт.

18

126-129

WOODRUFF KEY,#C, 5/16" x 1 1/8", HT

Gear and pulley #C, 5/16" x 1 1/8", HT

1шт.

19

A139051

PULLEY

- crankshaft, 3 groove

1шт.

19

A135580

PULLEY

- crankshaft, 2 groove

1шт.

20

114-613

BOLT,Hex, 5/8" - 18 x 1-1/2", Gr 5

- hex, 5/8 NF x 1-1/2 inch NF (Replaces A28028)

1шт.

21

92-10

LOCK WASHER,5/8"

WASHER, LOCK, 5/8"

1шт.

22

A156428

WASHER

- pulley bolt (Replaces A27903)

1шт.

25

A62050

OIL SEAL

- oil, rear (See Ref. 38)

1шт.

26

A57457

RETAINER

- rear oil seal

1шт.

27

A32830

GASKET

- rear oil seal retainer

1шт.

28

193-554

SCREW,SEMS, Hex Hd, 3/8"-16 x 1 1/4", G5

BOLT - hex sems, 3/8 NC x 1-1/4 inch (Replaces 13-620 and 92-6)

1шт.

32

A65049

FLYWHEEL

ASSEMBLY - crankshaft (Prior Engine Serial No. 10177925), Includes: Ref. 34

1шт.

33

A154190

FLYWHEEL

ASSEMBLY - crankshaft (Engine Serial No. 10177925 and after), Includes: Ref. 34

1шт.

34

A27920

GEAR

- starter ring

1шт.

35

28-1024

BOLT,Hex, 5/8" - 18 x 1-1/2", Gr 8

- hex, 5/8 NF x 1-1/2 inch

1шт.

36

A58629

BEARING WASHER,16.66mm ID x 25.4mm OD x 3.04mm Thk

WASHER - flywheel bolt

1шт.

38

A43194

KIT

WEAR SEAL KIT - oil, crankshaft, rear, wear kits, Includes: Ref. 39 and 40

1шт.

39

NSS

NOT SOLD SEPARAT

SEAL - oil, wear kits

1шт.

40

NSS

NOT SOLD SEPARAT

SLEEVE - wear kits

1шт.

41

A154684

SLEEVE

WEAR SLEEVE KIT - oil, crankshaft front, wear kits, Includes: Ref. 42 and 43

1шт.

42

NSS

NOT SOLD SEPARAT

SLEEVE - wear kits

1шт.

43

NSS

NOT SOLD SEPARAT

TOOL - installation, wear kits

1шт.

Выбрано товаров: 45