Запчасти Case W14 (528) - PARKER LOADER CONTROL VALVE AND LEVERS (3 SPOOL) (08) - HYDRAULICS

Схема запчастей Case W14 - (528) - PARKER LOADER CONTROL VALVE AND LEVERS (3 SPOOL) (08) - HYDRAULICS
FIT
1:1
100%

Артикул

Название

Примечание

Количество

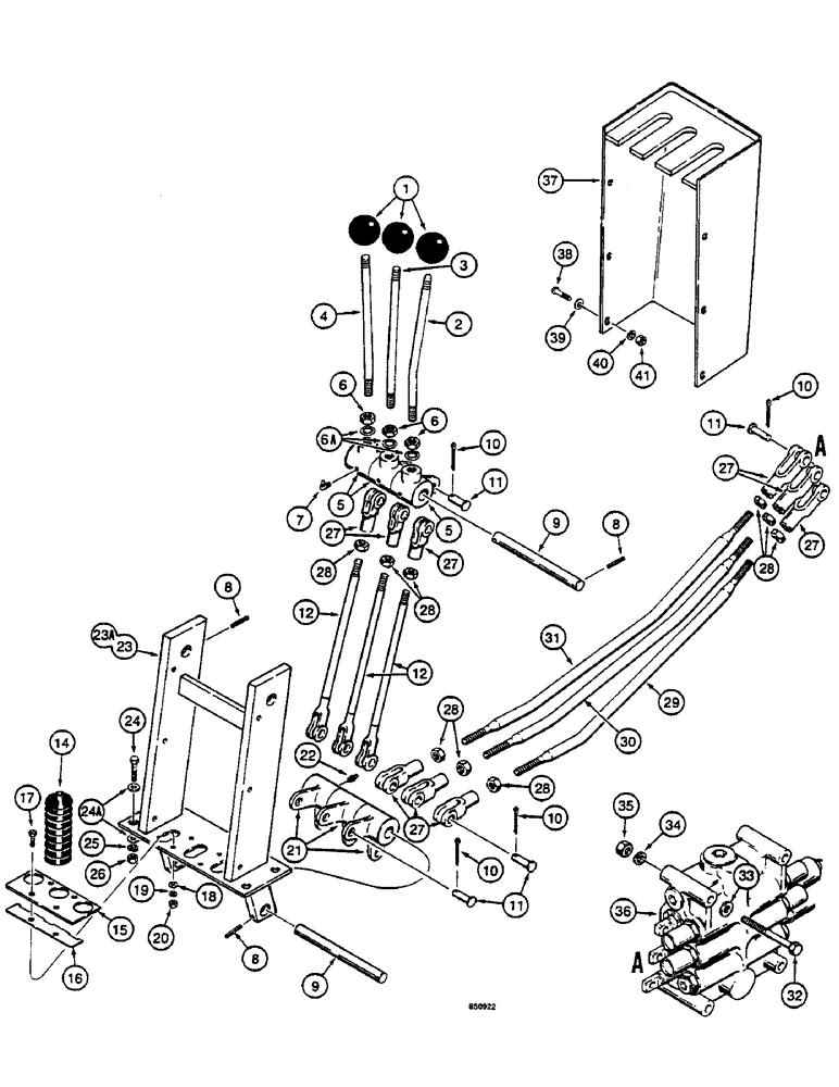
1

L56064

KNOB

- control lever

3шт.

2

L59087

LEVER

- lift

1шт.

3

L59089

LEVER

- bucket

1шт.

4

L59088

LEVER

- auxiliary

1шт.

5

L59090

DIPPER

BELLCRANK - upper

3шт.

6

86637932

JAM NUT,Jam, 5/8"-18, G5

- hex, 5/8"-18 NF

3шт.

6a

193-34

LOCK WASHER,Int Tooth, 5/8"

WASHER, LOCK, Int Tooth, 5/8"

3шт.

7

219-55

LUBE NIPPLE,90 Degree Elbow, 1/8" - 27 NPTF

NIPPLE, LUBE, 90º, 1/8" NPT x .84" lg

3шт.

8

138-223

LOCK PIN,1/8" x 2", Slotted

Pin, , used with L76950 console only, Ref. 23 1/8" x 2", Slotted

4шт.

9

L102849

SHAFT,19.05mm OD x 195.58mm L

- lever pivot

2шт.

10

132-48

COTTER PIN,1/8" x 1"

Pin, Split (Cotter), 1/8" x 1"

12шт.

11

141-6

CLEVIS PIN,1/2" x 1.360"

- 1/2"

12шт.

12

L59968

LINK

ROD - control

3шт.

13

RESERVED

1шт.

14

L59927

SEAL

- control rods, cab models

3шт.

15

L76911

PLATE

- seal retaining, cab models

1шт.

16

L59978

SEALING STRIP

- plate, cab models

1шт.

17

163-12

SCREW,Hex, #10 - 24 x 3/4"

MACHINE SCREW - hex head, No. 10 - 32 NF x 3/4"

4шт.

18

95-3

WASHER,#12

- flat, No. 10

4шт.

19

92-3

LOCK WASHER,#10

WASHER, LOCK, #10

4шт.

20

129-7

NUT,Hex, #10 - 24

- hex, No. 10 - 32 NF

4шт.

21

L51047

DIPPER

BELLCRANK - spool actuating, lower

3шт.

22

219-1

LUBE NIPPLE,1/8" - 27 NPTF

GREASE FITTING - straight, 1/8" NPT

3шт.

23

L76950

SUPPORT

CONSOLE - control, not available, order L106722 console

1шт.

23a

L106722

SUPPORT

CONSOLE - control

1шт.

24

13-620

BOLT,Hex, 3/8" - 16 x 1-1/4", Gr 5, Full Thd

4шт.

24a

95-6

WASHER,3/8"

- flat, 3/8"

8шт.

25

92-6

LOCK WASHER,3/8"

4шт.

26

25-106

NUT,3/8"-16, G5

- hex, 3/8"-16 NC

4шт.

27

213-6

ADJUSTABLE CLEVIS,1/2"-20 x 3"

CLEVIS - connecting link

9шт.

28

25-158

JAM NUT,Jam, 1/2"-20, G5

JAM NUT - hex, 1/2"-20 NF

9шт.

29

L73890

ROD

- control

1шт.

30

L73826

ROD

- control, bucket

1шт.

31

L79678

ROD

- control, auxiliary

1шт.

32

13-8124

BOLT,Hex, 1/2" - 13 x 7-3/4", Gr 5

- hex head, 1/2"-13 NC x 7-3/4"

3шт.

33

95-8

WASHER,1/2"

flat 1/2"

3шт.

34

92-8

LOCK WASHER,1/2"

3шт.

35

25-108

NUT,1/2"-13, G5

- hex, 1/2"-13 NC

3шт.

36

REF

INSTRUCTION

VALVE ASSEMBLY - 3 spool, parts list figure 502

1шт.

37

L59992

COVER

- ROPS models

1шт.

38

182-131

SCREW,Sl Pan Hd, #10 - 24 x 1 1/4"

- round head, slotted, No. 10 - 24 NC x 1-1/4"

6шт.

39

95-3

WASHER,#12

- flat, No. 10

6шт.

40

92-3

LOCK WASHER,#10

WASHER, LOCK, #10

6шт.

41

129-7

NUT,Hex, #10 - 24

- hex, No. 10 - 24 NC

6шт.

Выбрано товаров: 44