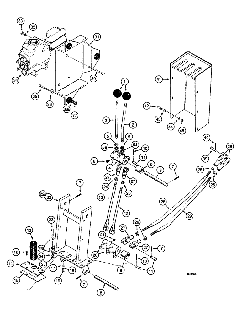
Запчасти Case W14 (530) - HYDRECO LOADER CONTROL VALVE & LEVERS (2 SPOOL), FOR PIN 9137617THRU PIN 9137623 & BEF. PIN 9137615 (08) - HYDRAULICS

Схема запчастей Case W14 - (530) - HYDRECO LOADER CONTROL VALVE & LEVERS (2 SPOOL), FOR PIN 9137617THRU PIN 9137623 & BEF. PIN 9137615 (08) - HYDRAULICS
FIT
1:1
100%

Артикул

Название

Примечание

Количество

1

L56064

KNOB

- control lever

2шт.

2

L59087

LEVER

- lift

1шт.

3

L59089

LEVER

- bucket

1шт.

4

L59090

DIPPER

BELLCRANK - lever, upper

2шт.

5

86637932

JAM NUT,Jam, 5/8"-18, G5

- hex, 5/8"-18 NF

2шт.

5a

193-34

LOCK WASHER,Int Tooth, 5/8"

WASHER, LOCK, Int Tooth, 5/8"

2шт.

6

219-55

LUBE NIPPLE,90 Degree Elbow, 1/8" - 27 NPTF

NIPPLE, LUBE, 90º, 1/8" NPT x .84" lg

2шт.

7

138-223

LOCK PIN,1/8" x 2", Slotted

Pin, , used with L76950 console only, Ref. 22 1/8" x 2", Slotted

4шт.

8

L102849

SHAFT,19.05mm OD x 195.58mm L

- lever pivot

2шт.

9

L55379

BUSHING,19.05mm ID x 26.9mm OD x 54mm L

SPACER - pivot shaft

2шт.

10

132-48

COTTER PIN,1/8" x 1"

Pin, Split (Cotter), 1/8" x 1"

6шт.

11

141-6

CLEVIS PIN,1/2" x 1.360"

- 1/2"

6шт.

12

L59968

LINK

ROD - control

2шт.

13

L59927

SEAL

- control rods, cab models

2шт.

14

L76911

PLATE

- seal retaining, cab models

1шт.

15

L70085

SEAL

- plate, cab models

1шт.

16

163-12

SCREW,Hex, #10 - 24 x 3/4"

MACHINE SCREW - hex heads, No. 10 - 32 NF x 3/4"

4шт.

17

95-3

WASHER,#12

- flat, No. 10

4шт.

18

92-3

LOCK WASHER,#10

WASHER, LOCK, #10

4шт.

19

129-7

NUT,Hex, #10 - 24

- hex, No. 10 - 32 NF

4шт.

20

L51047

DIPPER

BELLCRANK - spool actuating, lower

2шт.

21

219-1

LUBE NIPPLE,1/8" - 27 NPTF

GREASE FITTING - straight, 1/8" NPT

2шт.

22

L76950

SUPPORT

CONSOLE - control, not available, order L106722 console

1шт.

22a

L106722

SUPPORT

CONSOLE - control

1шт.

23

13-620

BOLT,Hex, 3/8" - 16 x 1-1/4", Gr 5, Full Thd

4шт.

23a

95-6

WASHER,3/8"

- flat, 3/8"

8шт.

24

92-6

LOCK WASHER,3/8"

4шт.

25

25-106

NUT,3/8"-16, G5

- hex, 3/8"-16 NC

4шт.

26

25-158

JAM NUT,Jam, 1/2"-20, G5

JAM NUT - hex, 1/2"-20 NF

6шт.

27

213-6

ADJUSTABLE CLEVIS,1/2"-20 x 3"

CLEVIS - connecting link

4шт.

28

L73826

ROD

- control, bucket

1шт.

29

L73890

ROD

- control, lift

1шт.

30

13-872

BOLT,Hex, 1/2" - 13 x 4-1/2", Gr 5

3шт.

31

L100006

BRACKET

- valve mounting

1шт.

32

92-8

LOCK WASHER,1/2"

3шт.

33

25-108

NUT,1/2"-13, G5

- hex, 1/2"-13 NC

3шт.

34

REF

INSTRUCTION

VALVE - loader, Hydreco, parts list figure 514

1шт.

35

13-840

BOLT,Hex, 1/2" - 13 x 2-1/2", Gr 5

- hex head, 1/2"-13 NC x 2-1/2"

3шт.

36

D64050

WASHER

- special

3шт.

36a

92-8

LOCK WASHER,1/2"

3шт.

37

25-108

NUT,1/2"-13, G5

- hex, 1/2"-13 NC

3шт.

38

L100609

CLEVIS

, Serial Range: --valve

2шт.

39

141-61

CLEVIS PIN,5/16" x 1 3/16"

- 5/16"

2шт.

40

132-26

COTTER PIN

Pin, Split (Cotter), 3/32" x 3/4"

2шт.

41

L59992

COVER

- ROPS models

1шт.

42

182-131

SCREW,Sl Pan Hd, #10 - 24 x 1 1/4"

- round head, slotted, No. 10 - 24 NC x 1-1/4"

6шт.

43

95-3

WASHER,#12

- flat, No. 10

6шт.

44

92-3

LOCK WASHER,#10

WASHER, LOCK, #10

6шт.

45

129-7

NUT,Hex, #10 - 24

- hex, No. 10 - 24 NC

6шт.

Выбрано товаров: 49