Запчасти Case W14 (538) - LOADER POSITIONING CONTROLS, LOADER BUCKET RETURN-TO-DIG (08) - HYDRAULICS

Схема запчастей Case W14 - (538) - LOADER POSITIONING CONTROLS, LOADER BUCKET RETURN-TO-DIG (08) - HYDRAULICS
FIT
1:1
100%

Артикул

Название

Примечание

Количество

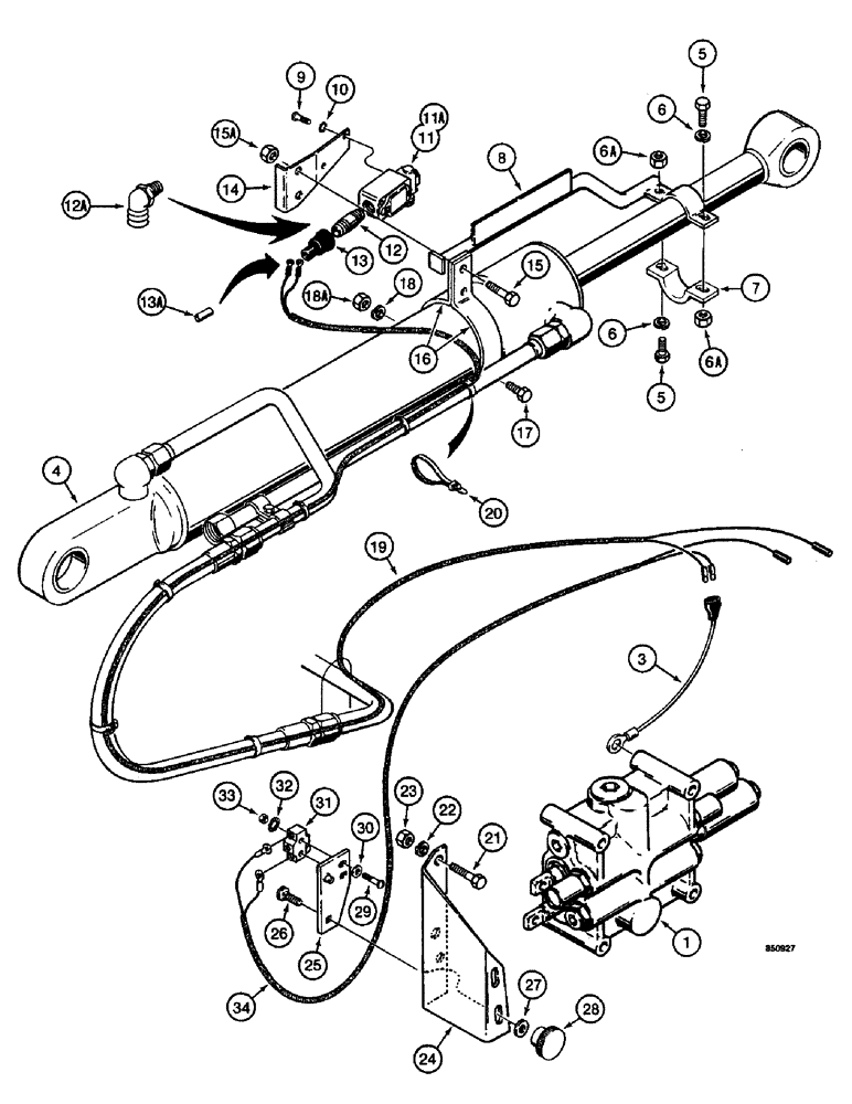
1

REF

INSTRUCTION

CONTROL VALVE - loader, see figures 500, 502, 514 or 516 for proper valve

1шт.

2

RESERVED

1шт.

3

L50380

ELECTRICAL WIRE

WIRE - ground, solenoid, used on some models, Serial Range: -9154965

1шт.

4

REF

INSTRUCTION

CYLINDER - right-hand bucket, see figures 492 or 494, loader bucket return-to-dig

1шт.

5

13-620

BOLT,Hex, 3/8" - 16 x 1-1/4", Gr 5, Full Thd

Loader bucket return-to-dig Hex, 3/8"-16 x 1 1/4", G5, Full Thd

2шт.

6

92-6

LOCK WASHER,3/8"

loader bucket return-to-dig 3/8"

2шт.

6a

25-106

NUT,3/8"-16, G5

- hex, 3/8"-16 NC, loader bucket return-to-dig

2шт.

7

L51822

CLAMP

- indicator retaining, loader bucket return-to-dig

1шт.

8

L55077

INDICATOR

- return-to-dig, loader bucket

1шт.

9

182-528

SCREW,Sl Pan Hd, #10 - 32 x 1/2"

MACHINE SCREW - pan head, No. 10 - 32 NF x 1/2", loader bucket return-to-dig

2шт.

10

193-6

LOCK WASHER,Ext Tooth, #10

WASHER, LOCK, , If used, loader bucket return-to-dig Ext Tooth, #10

2шт.

10

92-3

LOCK WASHER,#10

WASHER, LOCK, , If used, loader bucket return-to-dig #10

2шт.

11

L43856

SWITCH

ASSEMBLY - control, return-to-dig, no longer available, order L108879 switch, Ref. 11A, loader bucket return-to-dig

1шт.

NSS

NOT SOLD SEPARAT

HOUSING - switch, not shown, loader bucket return-to-dig

1шт.

L33933

KIT

- repair, total switch, not shown, loader bucket return-to-dig, includes lever assy., cover, gasket, seal and switch

1шт.

L30628

LEVER

ASSEMBLY - switch, not shown, loader bucket return-to-dig

1шт.

L73709

COVER - access, switch module, not shown, loader bucket return-to-dig

1шт.

L33934

GASKET - cover, not shown, loader bucket return-to-dig

1шт.

L33935

SEAL - not shown, loader bucket return-to-dig

1шт.

L30627

SWITCH - module, return-to-dig, not shown, loader bucket return-to-dig

1шт.

11a

L108879

SWITCH

ASSEMBLY - control, return-to-dig, not shown, loader bucket return-to-dig

1шт.

N7969

HEAD

- switch, not shown, loader bucket return-to-dig

1шт.

N7970

BODY

- switch, not shown, loader bucket return-to-dig

1шт.

N7971

CONNECTION,ELECTRIC

RECEPTACLE - switch, not shown, laoder bucket return-to-dig

1шт.

12

221-1185

FITTING

NIPPLE - 1/2" NPT, if used, loader bucket return-to-dig

1шт.

12a

L115560

ELBOW

- 90 degree, plastic, at switch, if used, loader bucket return-to-dig

1шт.

13

G46803

BOOT

- switch protection, loader bucket return-to-dig

1шт.

13a

L78495

SLEEVE,0.19" ID x 1.5" L

TUBING - shrink, if used, loader bucket return-to-dig

1шт.

14

L51559

BRACKET

- switch mounting, clam bucket, loader bucket return-to-dig

1шт.

15

13-616

BOLT,Hex, 3/8" - 16 x 1", Gr 5, Full Thd

Loader bucket return-to-dig Hex, 3/8"-16 x 1", G5, Full Thd

2шт.

15a

131-94

LOCK NUT,3/8"-16, GB

NUT - hex, self-locking, 3/8"-16 NC, special, loader bucket return-to-dig

2шт.

16

L51825

CLAMP

- switch bracket mounting, loader bucket return-to-dig

2шт.

17

113-209

BOLT,Hex, 3/8" - 16 x 1-1/2", Gr 5

Loader bucket return-to-dig Hex, 3/8"-16 x 1 1/2", G5

1шт.

18

92-6

LOCK WASHER,3/8"

loader bucket return-to-dig 3/8"

1шт.

18a

25-106

NUT,3/8"-16, G5

- hex, 3/8"-16 NC, loader bucket return-to-dig

1шт.

19

L50381

HARNESS

- return-to-dig, connects to main harness with bullet terminals, loader bucket return-to-dig, Serial Range: -9154965

1шт.

19

L114492

HARNESS

- return-to-dig, connects to main harness with blade terminals, loader bucket return-to-dig, Start Serial: 9154965

1шт.

20

L18337

CABLE TIE,9.95"-12.1" lg

STRAP - tie, 15 inch, nylon, loader bucket return-to-dig

6-8шт.

21

13-624

BOLT,Hex, 3/8" - 16 x 1-1/2", Gr 5

- hex head, 3/8"-16 NC x 1-1/2", loader bucket height control

2шт.

22

92-6

LOCK WASHER,3/8"

loader bucket height control 3/8"

2шт.

23

25-106

NUT,3/8"-16, G5

- hex, 3/8"-16 NC, loader bucket height control

2шт.

24

L53289

SUPPORT

- switch mounting bracket, loader bucket height control, Serial Range: -9154965

1шт.

24

L79050

SUPPORT

- switch mounting bracket, loader bucket height control, Start Serial: 9154965

1шт.

25

L114699

BRACKET

- switch mounting, loader bucket height control

1шт.

26

11-512

SCREW,Short Nk, 5/16" - 18 x 3/4", Gr 2

BOLT, CARRIAGE, , Loader bucket height control Short NK, 5/16"-18 x 3/4", G2

1шт.

27

95-5

WASHER,3/8" x 7/8" x .083"

- flat, 5/16", loader bucket height control

1шт.

28

A42918

KNOB

- height control, loader bucket

1шт.

29

182-52

SCREW,Sl Pan Hd, #6 - 32 x 1 1/4"

MACHINE SCREW - No. 6 - 32 NC x 1-1/4", loader bucket heght control

2шт.

30

195-10

WASHER,#8

Loader bucket height control #8

2шт.

31

L54683

SWITCH

- bucket height control, loader bucket height control

1шт.

32

193-89

LOCK WASHER,Ext-Int Tooth, #6

WASHER, LOCK, , Loader bucket height control Ext-Int Tooth, #6

2шт.

33

129-15

NUT,#6-32

Loader bucket height control #6-32

2шт.

34

L57525

HARNESS

- height control, connects to main harness with bullet terminals, loader bucket height control, Serial Range: -9154965

1шт.

34

L114491

HARNESS

- height control, connects to main harness with blade terminals, loader bucket height control, Start Serial: 9154965

1шт.

Выбрано товаров: 54