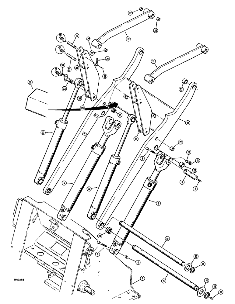
Запчасти Case W14 (544) - LOADER LIFT FRAME, MODELS WITH GRAPPLE BUCKET (09) - CHASSIS/ATTACHMENTS

Схема запчастей Case W14 - (544) - LOADER LIFT FRAME, MODELS WITH GRAPPLE BUCKET (09) - CHASSIS/ATTACHMENTS
FIT
1:1
100%

Артикул

Название

Примечание

Количество

1

REF

INSTRUCTION

FRONT FRAME ASSEMBLY - see figure 574

1шт.

2

13-888

BOLT,Hex, 1/2" - 13 x 5-1/2", Gr 5

2шт.

3

RESERVED

1шт.

4

131-10

NUT,1/2"-13, GB

NUT, LOCK, 1/2"-13, GB

2шт.

5

REF

INSTRUCTION

CYLINDER - lift, left-hand, see figures 488 and 490

1шт.

6

REF

INSTRUCTION

CYLINDER - lift, right-hand, see figures 488 and 490

1шт.

7

219-1

LUBE NIPPLE,1/8" - 27 NPTF

GREASE FITTING - straight, 1/8" NPT

2шт.

8

L51558

PIN,50.8mm OD x 121.92mm L

- mounting, lift cylinder to lift arm frame

2шт.

9

13-872

BOLT,Hex, 1/2" - 13 x 4-1/2", Gr 5

2шт.

10

92-8

LOCK WASHER,1/2"

2шт.

11

25-108

NUT,1/2"-13, G5

- hex, 1/2"-13 NC

2шт.

12

219-1

LUBE NIPPLE,1/8" - 27 NPTF

GREASE FITTING - straight, 1/8" NPT

2шт.

13

L16015

RING

- pin retaining, lift frame

2шт.

14

L47700

WASHER

- special

1шт.

15

L50516

SHAFT

- lift frame pivot

1шт.

16

D25280

SNAP RING,#175, Ext

Ring, Snap, , shaft #175, Ext

2шт.

17

L50511

WASHER

- special

1шт.

18

L50517

SHAFT

- grapple bucket cylinder pivot

1шт.

L78124

ARM

FRAME ASSEMBLY - loader lift, Includes: Ref. 19 - 22

1шт.

19

NSS

NOT SOLD SEPARAT

FRAME - lift

1шт.

20

L50508

BUSHING,63.75mm ID x 76.2mm OD x 40mm L

- 2-1/2" (63 mm) ID

2шт.

21

L55747

BUSHING

- 2-1/8" (53 mm) OD

2шт.

22

L50509

BUSHING,51.104mm ID x 63.5mm OD x 38.1mm L

- 2" (51 mm) ID

4шт.

23

REF

INSTRUCTION

CYLINDER - grapple bucket, left-hand, see figures 492 and 494

1шт.

24

REF

INSTRUCTION

CYLINDER - grapple bucket, right-hand, see figures 492 and 494

1шт.

25

L55302

DIPPER

BELLCRANK - grapple bucket

2шт.

26

219-1

LUBE NIPPLE,1/8" - 27 NPTF

GREASE FITTING - straight, 1/8" NPT

6шт.

27

L50514

PIN

- bellcrank to grapple bucket link and grapple bucket cylinder

4шт.

28

13-828

BOLT,Hex, 1/2" - 13 x 1-3/4", Gr 5

- hex head, 1/2"-13 NC x 1-3/4"

4шт.

29

R17756

ROD,12.7mm OD x 109.54mm L

PIN - bellcrank

4шт.

30

131-10

NUT,1/2"-13, GB

NUT, LOCK, 1/2"-13, GB

6шт.

31

L105077

LINK

- bucket, right-hand and left-hand, Includes: Ref. 32

2шт.

32

D31140

BUSHING,38.33mm ID x 47.63mm OD x 25.4mm L

- used in right-hand and left-hand links

4шт.

33

L107790

PIN,38.1mm OD x 172.72mm L

- bellcrank to lift arm

2шт.

34

13-824

BOLT,Hex, 1/2" - 13 x 1-1/2", Gr 5, Full Thd

2шт.

35

131-43

LOCK NUT,1 1/2"-12

NUT - hex, self-locking, 1/2"-13 NC

2шт.

36

L111350

PLATE

- lift frame spacer, if used, see service bulletin 49-81

1шт.

Выбрано товаров: 37