Запчасти Case W14 (590) - SUSPENSION SEAT (09) - CHASSIS/ATTACHMENTS

Схема запчастей Case W14 - (590) - SUSPENSION SEAT (09) - CHASSIS/ATTACHMENTS
FIT
1:1
100%

Артикул

Название

Примечание

Количество

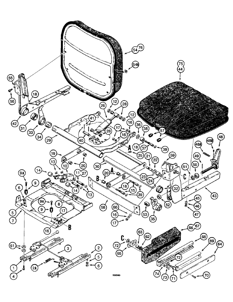
L73447

SEAT

ASSEMBLY - black, canopy models, if used, Includes: Ref. 1 - 76

1шт.

L112057

SEAT ASSY.

SEAT ASSEMBLY - brown, canopy models, if used, Includes: Ref. 1 - 76

1шт.

L73448

SEAT ASSY.

SEAT ASSEMBLY - black, cab models, if used, Includes: Ref. 1 - 76

1шт.

L112058

SEAT ASSY.

SEAT ASSEMBLY - brown, cab models, if used, Includes: Ref. 1 - 76

1шт.

D64865

KIT

- slide rail, Includes: Ref. 1 - 3

1шт.

1

NSS

NOT SOLD SEPARAT

SLIDE - left-hand, with handle

1шт.

2

NSS

NOT SOLD SEPARAT

SLIDE - right-hand

1шт.

2a

NSS

NOT SOLD SEPARAT

SPRING - slide rail

1шт.

3

D64866

BAR

KIT - latch wire

1шт.

4

113-103

BOLT,Hex, 5/16" - 18 x 1", Gr 5

4шт.

5

192-20

LOCK WASHER,Helical Spring, 0.318" ID, CST, ZND

WASHER, LOCK, 5/16"

8шт.

6

9635082

NUT,5/16" - 18, Gr 5

8шт.

D74519

BASE

ASSEMBLY - seat, Includes: Ref. 7 and 8

1шт.

7

NSS

NOT SOLD SEPARAT

BASE - seat, serial number attached

1шт.

8

D64843

FLANGED BEARING,0.508" ID x 0.753" OD x 0.562"

BEARING - flanged

2шт.

9

N7911

BUMPER

- rear

2шт.

9a

182-509

SCREW,Cross Pan Hd, 5/16" - 18 x 1"

MACHINE SCREW - pan Phillips head, 5/16"-18 NC x 1", plated

2шт.

D64853

LEVER

KIT - shock absorber lever, Includes: Ref. 10 and 11

1шт.

10

NSS

NOT SOLD SEPARAT

LEVER - shock absorber

1шт.

11

D64854

SHAFT

- hinge, shock, also included with D64855 shock absorber kit

2шт.

12

195-2066

WASHER,33/64" x 7/8" x .180"

- flat, 1/2", special, plated

2шт.

13

D66299

SNAP RING,#50, .392" Dia, E-Type

Ring, Retaining, , shaft #50, .392" Dia, E-Type

4шт.

14

D64864

ROLLER

- nylon

2шт.

15

D66298

STUD

BOLT - special, lever assembly

4шт.

16

92-6

LOCK WASHER,3/8"

10шт.

17

129-103

NUT,Hex, 3/8" - 16, Gr 5

NUT, 3/8"-16, G5

10шт.

18

219-411

LUBE NIPPLE,3/16" NPTF

GREASE FITTING - straight, 3/16" drive, no ball check

8шт.

D64844

LEVER

ASSEMBLY - outer, Includes: Ref. 19 - 21

1шт.

19

NSS

NOT SOLD SEPARAT

LEVER - outer

1шт.

20

D64845

FLANGED BEARING,0.504" ID x 0.763" OD x 0.687"

BEARING - flanged

4шт.

21

D64846

AXLE PIN

PIN - drive

2шт.

22

195-533

WASHER,1/2", SAE

- flat, 1/2", plated

2шт.

23

D66297

BEARING ASSY

BEARING - roller

2шт.

24

D66299

SNAP RING,#50, .392" Dia, E-Type

Ring, Retaining, , drive pin #50, .392" Dia, E-Type

2шт.

25

219-1

LUBE NIPPLE,1/8" - 27 NPTF

GREASE FITTING - straight, 1/8" NPT

1шт.

D64855

SHOCK ABSORBER

KIT - seat, Includes: Ref. 26 - 28

1шт.

26

NSS

NOT SOLD SEPARAT

SHOCK ABSORBER - seat

1шт.

27

D64854

SHAFT

- hinge, shock

1шт.

28

D64856

FLANGED BEARING,0.503" ID x 0.625" OD x 0.5"

BEARING - flanged

4шт.

D64847

BASE

LEVER ASSEMBLY - center, Includes: Ref. 29 - 33

1шт.

29

NSS

NOT SOLD SEPARAT

LEVER - center

1шт.

30

D64851

BAR

TORSION BAR - set of two

1шт.

31

D64848

HOUSING

- bearing, left-hand

1шт.

32

D64849

HOUSING

- bearing, right-hand

1шт.

33

D64850

LEVER

INDICATOR - ride level

1шт.

34

D64857

RETAINER

- T bar

1шт.

35

D64858

ADJUSTER

- yoke

1шт.

36

195-533

WASHER,1/2", SAE

- flat, 1/2", plated

2шт.

37

D66298

STUD

BOLT - special, lever assembly

2шт.

38

D66297

BEARING ASSY

BEARING - roller

2шт.

39

D66299

SNAP RING,#50, .392" Dia, E-Type

Ring, Retaining, , bolt #50, .392" Dia, E-Type

6шт.

40

D66300

SHAFT

PIN - hinge, shock absorber retaining, rear

1шт.

41

138-96

LOCK PIN,3/16" x 1", Slotted

PIN, 3/16" x 1", Slotted

2шт.

42

D64859

PANEL

- left-hand side, L73447 or L112057 seat

1шт.

42

D73729

PANEL

- left-hand side, L73448 or L112058 seat

1шт.

43

D64860

PANEL

- right-hand side, L73447 or L112057 seat

1шт.

43

D73730

PANEL

- right-hand side, L73448 or L112058 seat

1шт.

44

D64868

CUSHION ASSY.

CUSHION - L73447 seat, black, if used

1шт.

44

D73731

CUSHION

- L73448 seat, black, if used

1шт.

45

195-103

WASHER,5/16"

- flat, , plated 5/16"

4шт.

46

192-20

LOCK WASHER,Helical Spring, 0.318" ID, CST, ZND

WASHER, LOCK, 5/16"

4шт.

47

9635082

NUT,5/16" - 18, Gr 5

4шт.

N8420

HANDLE

ASSEMBLY - ratchet, Includes: Ref. 48, 48A and 48B

1шт.

48

NSS

NOT SOLD SEPARAT

HANDLE - ratchet

1шт.

48a

N9782

COIL SPRING

SPRING - handle

1шт.

48b

135-936

GROOVED PIN,3/16" x 3/4", Type G

PIN, GROOVED, , special, spring retention 3/16" x 3/4", Type G

1шт.

49

138-57

LOCK PIN,1/8" x 3/4", Slotted

PIN, 1/8" x 3/4", Slotted

1шт.

50

D65136

BEARING

THRUST BEARING - handle

1шт.

51

195-541

WASHER,5/8", SAE

- flat, 5/8", plated

1шт.

52

D64863

WASHER

- special

1шт.

53

D64862

PIN

- adjuster

1шт.

54

D73732

CUSHION

- backrest, L73448 seat, black, if used

1шт.

54

D65107

CUSHION

- backrest, L73447 seat, black, if used

1шт.

54a

N7915

CLIP

- cushion

1шт.

55

192-20

LOCK WASHER,Helical Spring, 0.318" ID, CST, ZND

WASHER, LOCK, 5/16"

4шт.

56

113-118

BOLT,Hex, 5/16" - 18 x 5/8", Gr 5

4шт.

57

D64867

BUMPER

- front

2шт.

58

D64852

ADJUSTER

BRACKET - cross strap, seat

1шт.

59

113-262

BOLT,Hex, 3/8" - 16 x 1-1/8", Gr 5, Full Thd

4шт.

60

95-6

WASHER,3/8"

- flat, 3/8"

4шт.

61

195-2173

WASHER,3/8" x 1" x .180"

- flat, 5/16", special, plated, used as a spacer

8шт.

62

192-23

LOCK WASHER,1/2"

WASHER, LOCK, 1/2"

2шт.

63

D66332

BUSHING

SPACER - armrest

2шт.

64

D66333

COVER

PLATE - armrest channel cover

2шт.

65

D66334

STOP

- armrest

2шт.

66

D66302

COVER

- left-hand armrest, black, L73447 or L73448 seat, if used

1шт.

66

N9924

COVER

- left-hand armrest, brown, L112057 or L112058 seat, if used

1шт.

67

N8388

COVER

- right-hand armrest, black, not shown, L73447 or L73448 seat, if used

1шт.

67

N9925

COVER

- right-hand armrest, brown, not shown, L112057 or L112058 seat, if used

1шт.

68

D66335

CHANNEL

- armrest

2шт.

69

D66336

RETAINER

- screw

2шт.

70

182-204

SCREW,Sl Pan Hd, 1/4" - 20 x 3/4"

MACHINE SCREW - pan head slotted, 1/4"-20 NC x 3/4"

4шт.

71

113-417

BOLT,Hex, 1/2" - 13 x 1-1/4", Gr 5, Full Thd

2шт.

72

195-533

WASHER,1/2", SAE

- flat, 1/2", plated

4шт.

73

113-101

BOLT,Hex, 5/16" - 18 x 1-1/2", Gr 5

4шт.

74

192-20

LOCK WASHER,Helical Spring, 0.318" ID, CST, ZND

WASHER, LOCK, 5/16"

4шт.

75

N8681

CUSHION

- L112058 seat, brown, if used

1шт.

75

N8683

CUSHION, SEAT

CUSHION - L112057 seat, brown, if used

1шт.

76

N8682

CUSHION

- backrest, L112058 seat, brown, if used

1шт.

76

N8684

CUSHION ASSY.

CUSHION - backrest, L112057 seat, brown, if used

1шт.

Выбрано товаров: 100