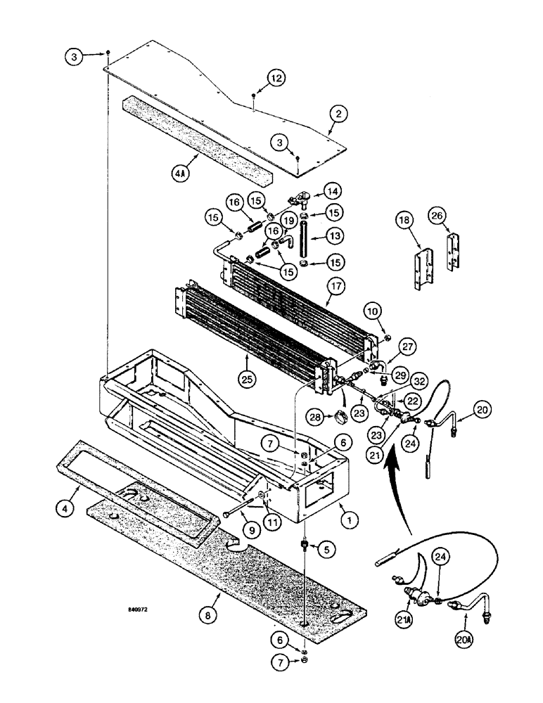
Запчасти Case W14 (630) - HEATER AND AIR CONDITIONING PLENUMS AND RELATED PARTS, USED W/ BOX TYPE PLENUM (09) - CHASSIS/ATTACHMENTS

Схема запчастей Case W14 - (630) - HEATER AND AIR CONDITIONING PLENUMS AND RELATED PARTS, USED W/ BOX TYPE PLENUM (09) - CHASSIS/ATTACHMENTS
FIT
1:1
100%

Артикул

Название

Примечание

Количество

L71526

AIR TUBE

PLENUM ASSEMBLY - heater and air conditioning, for open type plenum see figure 632, Includes: Ref. 1 - 4A

1шт.

1

F93690

AIR TUBE

PLENUM - heater and air conditioning

1шт.

2

F93689

COVER

- plenum

1шт.

3

187-1054

SELF-TAP SCREW,Hex Wash Hd, #10 x 1/2"

SCREW - hex slotted washer head, self-tapping, No. 10 x 1/2", plated

2шт.

4

REF

INSTRUCTION

SEAL - 71" (1803 mm) long, cut from D70610 bulk, Ref. 30

1шт.

4a

REF

INSTRUCTION

SEAL - 29-1/2" (749 mm) long, cut from D71366 bulk, Ref. 31

1шт.

5

F43229

MOUNTING PARTS

MOUNT - rubber

4шт.

6

195-102

WASHER,1/4"

- flat, , plated 1/4"

8шт.

7

7770

NUT,Hex, 1/4 - 20, Cl 5

1/4"-20, G5

8шт.

8

F43529

SEAL - floor

1шт.

9

13-480

CAP,Hex, 1/4" - 20 x 5", Gr 5

BOLT - hex head, 1/4"-20 NC x 5"

4шт.

10

131-2

NUT,1/4"-20, GB

NUT - hex, self-locking, 1/4"-20 NC

4шт.

11

195-102

WASHER,1/4"

- flat, , plated 1/4"

4шт.

12

187-1054

SELF-TAP SCREW,Hex Wash Hd, #10 x 1/2"

SCREW - hex slotted washer head, self-tapping, No. 10 x 1/2", plated

13шт.

13

REF

INSTRUCTION

HOSE - 5/8", 16 mm, ID x 6-1/8", 155 mm, long, see below, heater inlet

1шт.

Cut from Bulk Roll, P/N A42610

1шт.

14

F63865

VALVE

- heater temperature control

1шт.

15

214-253

HOSE CLAMP,#10, 0.56" - 1.06", Type F Worm

CLAMP - hose

6шт.

16

REF

INSTRUCTION

HOSE - 5/8", 16 mm, ID x 2", 51 mm, long, heater

2шт.

Cut from Bulk Roll, P/N A42610

1шт.

17

L77526

CORE

- heater

1шт.

18

L71645

FILLER

- heater core

2шт.

19

A60823

ELBOW

- 90 degree

1шт.

20

F43389

TUBE,0.375" OD

- coolant, used with F63726 valve, Ref. 21

1шт.

20a

L107772

TUBE,0.375" OD

- high pressure assembly, used with F64389 valve, Ref. 21A

1шт.

21

F63726

VALVE

- expansion, no longer available, order F64389, Ref. 21A, and L107772, Ref. 20A

1шт.

21a

F64389

VALVE

- expansion

1шт.

22

F43391

TUBE,0.25" OD

- equalizer, used with F63726 valve, Ref. 21

1шт.

23

222-991

GASKET,1/4 Tube, Fl, Copper

- copper, 1/4" (6 mm)

2шт.

24

222-993

GASKET,3/8 Tube, Fl, Copper

(9 mm) 3/8 Tube, Fl, Copper

2шт.

25

F63646

EVAPORATOR

- evaporator

1шт.

26

L71646

FILLER

- without heater core

2шт.

27

F43390

TUBE,0.625" OD x 2.1, 3.92" L

- gas

1шт.

28

214-253

HOSE CLAMP,#10, 0.56" - 1.06", Type F Worm

CLAMP - hose

2шт.

29

222-995

SEALING WASHER,15.88mm ID

- copper, 5/8" (16 mm)

1шт.

30

L35741

FOAM

- bulk, 50 ft. (15.2 m) roll, not shown

1шт.

31

D71366

FOAM

- bulk, 50 ft. (15.2 m) roll, not shown

1шт.

32

222-994

GASKET,1/2 Tube, Fl, Copper

- copper flange, 1/2" (13 mm)

1шт.

A42610

LARGE HOSE

HOSE - bulk roll, not shown, 5/8", 16 mm, ID x 50 ft., 15.2 m, long

1шт.

Выбрано товаров: 39