Запчасти Case W14 (052) - RADIATOR, FAN AND FAN BELTS, USED BEFORE PIN 9122830 (02) - ENGINE

Схема запчастей Case W14 - (052) - RADIATOR, FAN AND FAN BELTS, USED BEFORE PIN 9122830 (02) - ENGINE
FIT
1:1
100%

Артикул

Название

Примечание

Количество

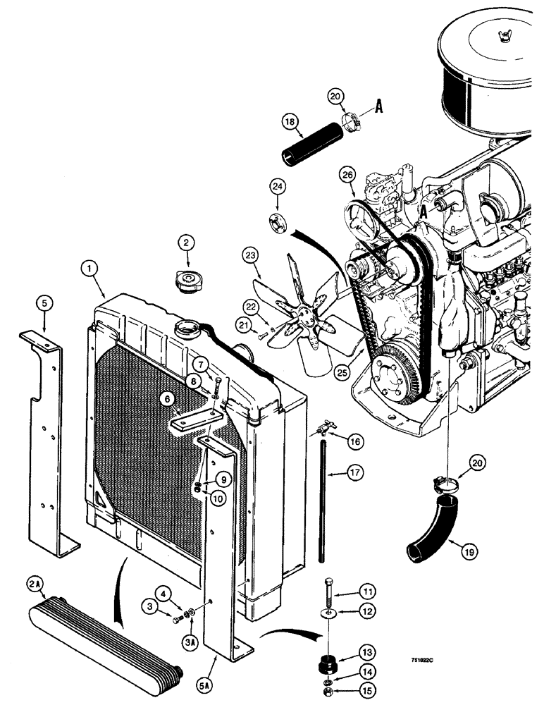
1

L52525

RADIATOR

- cooling, Includes: Ref. 2

1шт.

REF: 1 - L52525 Radiator - There is no shroud avail. for this radiator.

1шт.

2

D25826

CAP

- radiator

1шт.

2a

N6394

OIL COOLER - radiator

1шт.

3

14-512

BOLT,Hex, 5/16" - 24 x 3/4", Gr 5, Full Thd

- hex head, 5/16"-18 NC x 3/4"

6шт.

3a

95-5

WASHER,3/8" x 7/8" x .083"

- flat, 5/16"

6шт.

4

92-5

LOCK WASHER,5/16"

6шт.

5

L59039

SUPPORT

- radiator, left-hand

1шт.

5a

L59063

SUPPORT - radiator, right-hand

1шт.

6

L50641

CONNECTING STRIP

STRAP - radiator support

2шт.

7

13-620

BOLT,Hex, 3/8" - 16 x 1-1/4", Gr 5, Full Thd

4шт.

8

95-6

WASHER,3/8"

- flat, 3/8"

4шт.

9

92-6

LOCK WASHER,3/8"

4шт.

10

25-106

NUT,3/8"-16, G5

- hex, 3/8"-16 NC

4шт.

11

13-840

BOLT,Hex, 1/2" - 13 x 2-1/2", Gr 5

- hex head, 1/2"-13 NC x 2-1/2"

2шт.

12

195-2061

WASHER,5/8" x 1 7/8" x .134"

- flat, 1/2"

2шт.

13

L46821

SHOCK ABSORBER

BUSHING - rubber, radiator mount

2шт.

14

92-8

LOCK WASHER,1/2"

2шт.

15

25-108

NUT,1/2"-13, G5

- hex, 1/2"-13 NC

2шт.

16

A27862

COCK, DRAIN

VALVE - radiator drain

1шт.

17

L13809

RADIATOR HOSE,6.40 mm ID x 609.60, SAE 30R2 Type I

- Radiator drain 6.40 mm ID x 609.60, SAE 30R2 Type I

1шт.

18

L48820

HOSE

- upper, 2-1/2" (64 mm) ID x 7-3/4" (197 mm) long

1шт.

19

L18970

RADIATOR HOSE,2.60" ID x 9.50", SAE 20R4

Lower 2.60" ID x 9.50", SAE 20R4

1шт.

20

214-262

HOSE CLAMP,#44, 2.31" - 3.25", Type F Worm

CLAMP - hose

4шт.

21

13-616

BOLT,Hex, 3/8" - 16 x 1", Gr 5, Full Thd

L73972 fan only Hex, 3/8"-16 x 1", G5, Full Thd

4шт.

21

13-624

BOLT,Hex, 3/8" - 16 x 1-1/2", Gr 5

- hex head, 3/8"-16 NC x 1-1/2", A15519 fan only

4шт.

22

92-6

LOCK WASHER,3/8"

4шт.

23

L73972

FAN

- pusher

1шт.

23

A15519

FAN

- suction, used with backhoe

1шт.

24

L49007

SPACER

- A15519 fan only

1шт.

25

L51181

SET OF BELTS,0.69" W x 52.25" L

V-Belt (2), Fan and 40 amp alternator 0.69" W x 52.25" L

1шт.

25

L74972

SET OF BELTS,0.69" W x 57.00" L

Set of 2, Fan and 65 amp alternator 0.69" W x 57.00" L

1шт.

26

L57802

V-BELT,12.70" W

- L17683 compressor

1шт.

Выбрано товаров: 33