Запчасти Case W14 (054) - RADIATOR, FAN AND FAN BELT, USED ON PIN 9122830 AND AFTER (02) - ENGINE

Схема запчастей Case W14 - (054) - RADIATOR, FAN AND FAN BELT, USED ON PIN 9122830 AND AFTER (02) - ENGINE
FIT
1:1
100%

Артикул

Название

Примечание

Количество

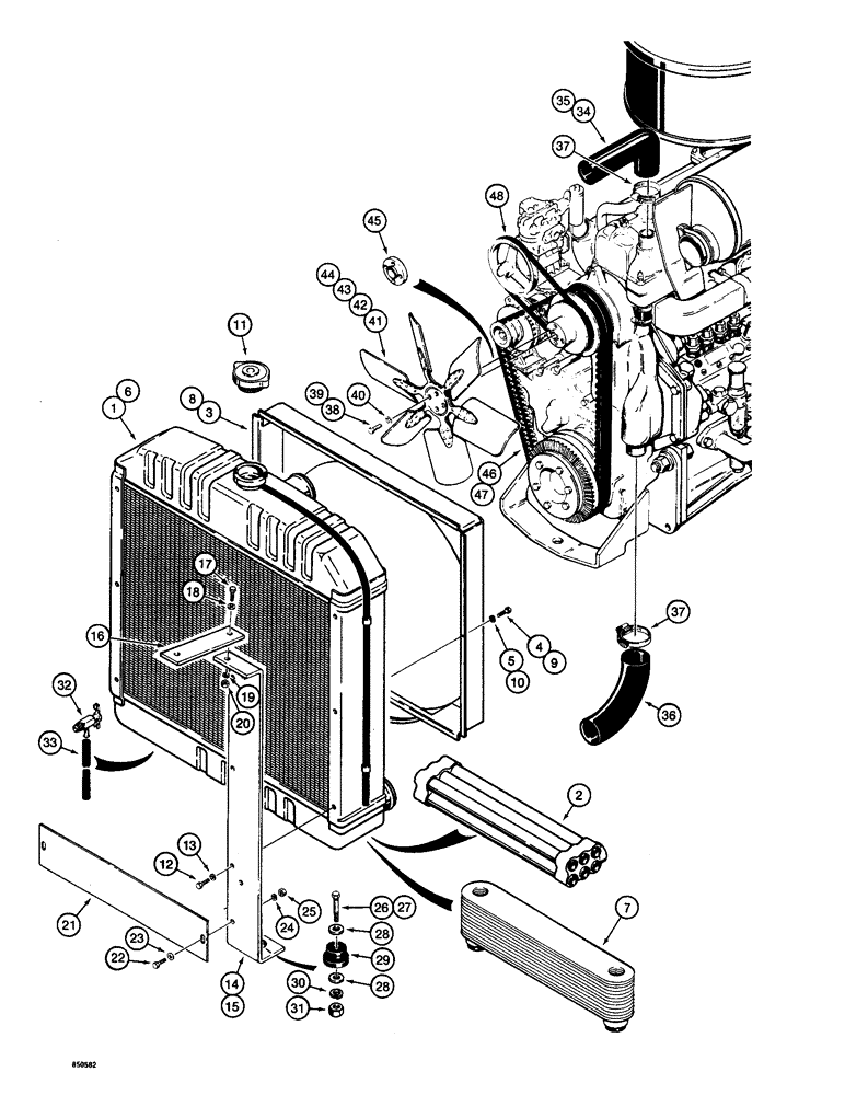
1

L73372

RADIATOR

- cooling, with oil cooler ports in side of tank, Includes: Ref. 2 - 5, Serial Range: -9154754

1шт.

REF: 1 - L73372 Radiator is a 5 row core.

1шт.

2

D87195

COOLER, OIL

OIL COOLER - radiator

1шт.

3

N6186

SHROUD

- radiator

1шт.

4

113-1

BOLT,Hex, 1/4" - 20 x 1/2", Gr 5

- hex head, 1/4"-20 NC x 1"

4шт.

5

192-19

LOCK WASHER,Helical Spring, 0.256" ID, CST, ZND

WASHER, LOCK, 1/4"

4шт.

6

L114407

RADIATOR

- cooling, with oil cooler ports in bottom of tank, Includes: Ref. 7 - 10, Start Serial: 9154754

1шт.

REF: 6 - L114407 Radiator is a 6 row core.

1шт.

7

L111959

COOLER

OIL COOLER - radiator

1шт.

8

N6186

SHROUD

- radiator

1шт.

9

113-1

BOLT,Hex, 1/4" - 20 x 1/2", Gr 5

- hex head, 1/4"-20 NC x 1"

4шт.

10

192-19

LOCK WASHER,Helical Spring, 0.256" ID, CST, ZND

WASHER, LOCK, 1/4"

4шт.

11

D25826

CAP

- radiator

1шт.

12

14-512

BOLT,Hex, 5/16" - 24 x 3/4", Gr 5, Full Thd

6шт.

13

92-5

LOCK WASHER,5/16"

6шт.

14

L114899

SUPPORT

- radiator, left-hand

1шт.

15

L114348

SUPPORT

- radiator, right-hand

1шт.

16

L50641

CONNECTING STRIP

STRAP - radiator support

2шт.

17

13-620

BOLT,Hex, 3/8" - 16 x 1-1/4", Gr 5, Full Thd

4шт.

18

95-6

WASHER,3/8"

- flat, 3/8"

4шт.

19

92-6

LOCK WASHER,3/8"

4шт.

20

25-106

NUT,3/8"-16, G5

- hex, 3/8"-16 NC

4шт.

21

L73939

BAFFLE

- air

1шт.

22

13-516

BOLT,Hex, 5/16" - 18 x 1", Gr 5

2шт.

23

95-5

WASHER,3/8" x 7/8" x .083"

- flat, 5/16"

2шт.

24

92-5

LOCK WASHER,5/16"

2шт.

25

9635082

NUT,5/16" - 18, Gr 5

- hex, 5/16"-18 NC

2шт.

26

13-840

BOLT,Hex, 1/2" - 13 x 2-1/2", Gr 5

- hex head, 1/2"-13 NC x 2-1/2", right-hand

1шт.

27

13-844

BOLT,Hex, 1/2" - 13 x 2-3/4", Gr 5

Hex, 1/2"-13 x 2 3/4", G5, LH

1шт.

28

195-2061

WASHER,5/8" x 1 7/8" x .134"

- flat, 1/2"

4шт.

29

L46821

SHOCK ABSORBER

BUSHING - rubber, radiator mount

2шт.

30

92-8

LOCK WASHER,1/2"

2шт.

31

25-108

NUT,1/2"-13, G5

- hex, 1/2"-13 NC

2шт.

32

A27862

COCK, DRAIN

VALVE - radiator drain

1шт.

33

L13809

RADIATOR HOSE,6.40 mm ID x 609.60, SAE 30R2 Type I

- Radiator drain 6.40 mm ID x 609.60, SAE 30R2 Type I

1шт.

34

L73958

RADIATOR HOSE,2.50" ID x 10.00", SAE 20R4 Class SC

- Upper, Formed, Used with Ref. 1 on Figure 54, L73372 radiator 2.50" ID x 10.00", SAE 20R4 Class SC

1шт.

35

L114378

HOSE,63.50 mm ID x 254.00 mm, SAE 20R4 Class D-2

RADIATOR HOSE, , Upper, Formed, Used w/Ref. 6 on Figure 54, L114407 63.50 mm ID x 254.00 mm, SAE 20R4 Class D-2

1шт.

36

L73957

RADIATOR HOSE,2.50" ID x 7.50", SAE 20R4 Class SC

- Lower 2.50" ID x 7.50", SAE 20R4 Class SC

1шт.

37

214-262

HOSE CLAMP,#44, 2.31" - 3.25", Type F Worm

CLAMP - hose

4шт.

38

13-616

BOLT,Hex, 3/8" - 16 x 1", Gr 5, Full Thd

D42282 or L73972 fan only Hex, 3/8"-16 x 1", G5, Full Thd

4шт.

39

13-624

BOLT,Hex, 3/8" - 16 x 1-1/2", Gr 5

- hex head, 3/8"-16 NC x 1-1/2", L49007 spacer only, if used

4шт.

40

92-6

LOCK WASHER,3/8"

4шт.

41

D42282

FAN

- reversible, not shown, Serial Range: -9154754

1шт.

42

L116363

FAN

- reversible, now shown, Start Serial: 9154754

1шт.

43

A172981

FAN

- pusher

1шт.

44

A173016

FAN

- suction

1шт.

45

L49007

SPACER

- fan, used with suction fan only, if used

1шт.

46

L51181

SET OF BELTS,0.69" W x 52.25" L

V-Belt (2), Fan and 40 amp alternator 0.69" W x 52.25" L

1шт.

47

L74972

SET OF BELTS,0.69" W x 57.00" L

Set of 2, Fan and 65 amp alternator 0.69" W x 57.00" L

1шт.

48

L57802

V-BELT,12.70" W

- Brake air compressor

1шт.

Выбрано товаров: 50