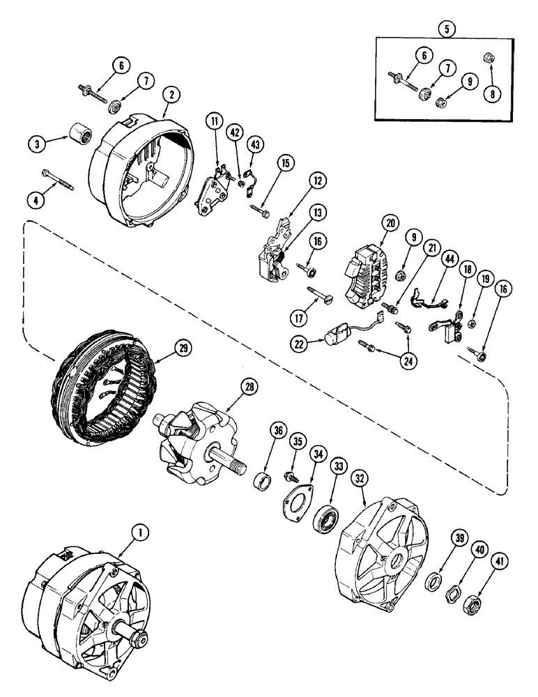
Запчасти Case W14 (104) - A167152 ALTERNATOR, METRIC EXTERNAL THREADS, 40 AMPERE - 24 VOLT (04) - ELECTRICAL SYSTEMS

Схема запчастей Case W14 - (104) - A167152 ALTERNATOR, METRIC EXTERNAL THREADS, 40 AMPERE - 24 VOLT (04) - ELECTRICAL SYSTEMS
FIT
1:1
100%

Артикул

Название

Примечание

Количество

1

A167152

ALTERNATOR

ALTERNATOR ASSEMBLY - 40 ampere, Delco-Remy No. 1105510, Includes: Ref. 2 - 44

1шт.

1

104260A1R

REMAN-ALTERNATOR

Remanufactured Alternator, 24 volt 40 ampere

1шт.

1

104260A1C

CORE-ALTERNATOR

Return Number

1шт.

1

104021A1R

REMAN-ALTERNATOR

Remanufactured 24 Volt, 35 Amp Alternator

1шт.

1

104021A1C

CORE-ALTERNATOR

Return Number, 24 Volt, 35 Amp Alternator

1шт.

2

A47595

FRAME

FRAME ASSEMBLY - slip ring end

1шт.

3

A47578

ROLLER BEARING,0.6694" ID x 0.937" OD x 0.73"

BEARING - roller

1шт.

4

163-6

SCREW,Hex, #10 - 24 x 1 3/4"

BOLT - hex, No. 10-24 x 1-3/4 inch

4шт.

5

A47597

TERMINAL CONNECTOR

TERMINAL KIT - battery, Includes: Ref. 6 - 9

1шт.

6

NSS

NOT SOLD SEPARAT

STUD - terminal

1шт.

7

NSS

NOT SOLD SEPARAT

INSULATOR - terminal

1шт.

8

NSS

NOT SOLD SEPARAT

NUT ASSEMBLY - terminal

1шт.

9

NSS

NOT SOLD SEPARAT

NUT ASSEMBLY - terminal

1шт.

11

A46890

REGULATOR

REGULATOR - voltage

1шт.

12

A47042

HOLDER

HOLDER ASSEMBLY - brush, Includes: Ref. 13

1шт.

13

A47987

BRUSH, COMMUTATOR

BRUSH BRUSH - alternator

2шт.

15

A47043

SCREW,#8 - 32 x 21"

SCREW - brush holder, grounded

1шт.

16

A45223

SCREW,Spcl, #8 - 32 x 1 1/8"

SCREW - brush holder, insulated

1шт.

17

A47581

SCREW,#8 - 32 x 1.43"

SCREW - brush holder, retaining

1шт.

18

A48339

DIODE

DIODE - trio

1шт.

19

129-16

NUT,#8-32

NUT, #8-32

3шт.

20

A46942

ELEC CONNECTOR

RECTIFIER BRIDGE - alternator

1шт.

21

A45221

SCREW,Hex Wshr Hd, #8 - 32 x 0.99"

SCREW - rectifier bridge attaching

1шт.

22

A47734

CAPACITOR

CAPACITOR - alternator

1шт.

24

A45228

SELF-TAP SCREW,Hex Wash Hd, #8-32 x .59", Spc

SCREW - capacitor bracket

2шт.

28

A46945

ROTOR

ROTOR ASSEMBLY - alternator

1шт.

29

A49388

STATOR

STATOR ASSEMBLY - alternator

1шт.

32

A49174

CAP

FRAME - drive end

1шт.

33

A49389

BEARING ASSY

BEARING - ball, drive end

1шт.

34

R15101

PLATE

PLATE - bearing retainer

1шт.

35

A46941

SCREW,Hex Washer, #10 - 24 x 0.52"

SCREW - bearing plate retaining

3шт.

36

A48261

COLLAR

COLLAR - rotor shaft, inner

1шт.

39

A49733

COLLAR

COLLAR - rotor shaft, outer

1шт.

40

R16171

SPRING WASHER

WASHER - lock, pulley nut

1шт.

41

A25546

NUT

NUT - pulley and fan retaining

1шт.

42

A45368

NUT

NUT - lead

1шт.

43

A45369

ELECTRICAL WIRE

WIRE LEAD - regulator

1шт.

44

A46931

TERMINAL CONNECTOR

TERMINAL - relay

1шт.

Выбрано товаров: 38