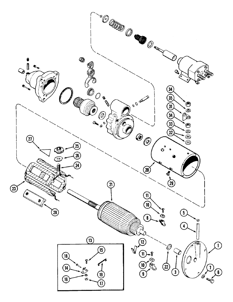
Запчасти Case W14 (112) - R26136 STARTER (04) - ELECTRICAL SYSTEMS

Схема запчастей Case W14 - (112) - R26136 STARTER (04) - ELECTRICAL SYSTEMS
FIT
1:1
100%

Артикул

Название

Примечание

Количество

A47498

STARTING MOTOR

STARTER ASSEMBLY - remanufactured, Includes: Ref. 1 - 76

1шт.

A47499

CORE-STARTER

RETURN NUMBER - starter, Use this number to return starter core for credit

1шт.

R26136

STARTER MOTOR

STARTER ASSEMBLY - new (Delco-Remy No. 1113403), Includes: Ref. 1 - 76

1шт.

1

A45003

FRAME

FRAME ASSEMBLY - commutator end (Replaces A43861), Includes: Ref. 3 - 5

1шт.

3

A42323

BUSHING

BUSHING - shaft

1шт.

4

R15023

WICK

WICK - oil

1шт.

5

221-1849

PLUG

PLUG - socket head, 1/8 inch PT

1шт.

6

114-1

BOLT,Hex, 1/4" - 28 x 1", Gr 5

BOLT, Hex, 1/4"-28 x 1", G5

4шт.

7

192-19

LOCK WASHER,Helical Spring, 0.256" ID, CST, ZND

WASHER, LOCK, 1/4"

4шт.

8

A49472

HOLDER

HOLDER - brush, insulated (Replaces R21590)

2шт.

9

A40217

HOLDER

HOLDER - brush, grounded

2шт.

10

R15024

BRUSH, COMMUTATOR

BRUSH BRUSH - starter

4шт.

11

D32481

SELF-TAP SCREW,Sltd Pan Hd, #8-32 x 13/16", w/LW

SCREW - brush attachment, self-tapping

4шт.

12

R15025

SPRING

SPRING - brush pressure

2шт.

13

A47072

BRUSH, COMMUTATOR

BRUSH SUPPORT KIT - brush (Replaces R15029), Includes: Ref. 14 - 19

2шт.

14

NSS

NOT SOLD SEPARAT

SUPPORT - brush

1шт.

15

175-449

SCREW,Phil Truss Hd, #10 - 32 x 3/4"

SCREW - truss head, No. 10 NF x 3/4 inch

2шт.

16

192-18

LOCK WASHER,Helical Spring, #10, 0.196" ID, CST, ZND

WASHER, LOCK, #10

2шт.

17

129-17

NUT,Hex, #10 - 24

NUT - hex, No. 10 NF (Replaces R15032)

2шт.

18

R15035

PIN

PIN - brush holder

1шт.

19

R15030

ELECTRICAL WIRE

WIRE LEAD - brush

1шт.

20

NSS

NOT SOLD SEPARAT

FRAME - starter body

1шт.

21

A40909

ARMATURE

ARMATURE - starter

1шт.

22

A41917

WASHER,14.25mm ID x 24.89mm OD x 1.57mm Thk

WASHER - thrust, commutator end

1шт.

23

A43860

COIL

COIL ASSEMBLY - field, Includes: Ref. 24

1шт.

24

A40896

STUD

STUD - field terminal

1шт.

A41925

BUSHING

BUSHING ASSEMBLY - field coil stud insulation, Includes: Ref. 25 and 26

1шт.

25

NSS

NOT SOLD SEPARAT

INSULATOR - field coil stud, inner

1шт.

26

NSS

NOT SOLD SEPARAT

SUPPORT - stud insulator

1шт.

27

A41977

RUBBER INSULATOR

INSULATION - field coil

1шт.

28

R15115

SHOE

SHOE - pole

4шт.

29

A42127

SCREW,3/8" - 24 x 0.20"

SCREW - pole shoe

8шт.

31

A40894

CONNECTOR, ELEC

CONNECTOR CONNECTOR - field, Serial Range: terminal-solenoid

1шт.

32

D30005

INSULATOR

WASHER - insulator, outer

2шт.

33

D30006

WASHER

WASHER - field stud

1шт.

34

129-145

JAM NUT,Jam, 1/2"-13, G5

NUT, Jam, 1/2"-13, G5

2шт.

35

192-113

LOCK WASHER,1/2"

WASHER - lock, 1/2 inch

1шт.

40

R21579

HOUSING

HOUSING ASSEMBLY - shift lever, Includes: Ref. 41 - 45

1шт.

41

R15023

WICK

WICK - oil

1шт.

42

221-1041

PLUG

PLUG - slotted headless, 1/8 inch PT

1шт.

43

A47261

BUSHING

BUSHING - lever housing

1шт.

44

R21582

OIL SEAL

SEAL - oil

1шт.

45

R15145

DISC

WASHER - brake

1шт.

46

A40892

WASHER

WASHER - thrust

1шт.

47

114-1

BOLT,Hex, 1/4" - 28 x 1", Gr 5

BOLT, Hex, 1/4"-28 x 1", G5

5шт.

48

192-19

LOCK WASHER,Helical Spring, 0.256" ID, CST, ZND

WASHER, LOCK, 1/4"

5шт.

51

R21587

PLUG

PLUG - lever housing

1шт.

52

A41924

GASKET

O-RING - plug

1шт.

53

R21562

GASKET

GASKET - drive housing

1шт.

54

A47523

DRIVE

DRIVE ASSEMBLY - starter pinion (Replaces A42397)

1шт.

55

A44340

HOUSING

HOUSING ASSEMBLY - drive end, Includes: Ref. 56 - 58

1шт.

56

A47257

BUSHING

BUSHING - drive housing (Replaces A40893)

1шт.

57

R15023

WICK

WICK - oil

1шт.

58

221-1041

PLUG

PLUG - slotted headless, 1/8 inch PT

1шт.

59

D32489

HEX SOC SCREW,5/16" - 18 x 0.86"

SCREW - housing

1шт.

60

D32488

HEX SOC SCREW,5/16" - 18 x 1.50"

SCREW - housing

1шт.

62

D32547

LEVER

LEVER - drive control

1шт.

63

A42199

PIN

SHAFT - pivot, shift lever

1шт.

64

A47259

O-RING,0.244" ID x 0.391" OD

O-RING - shaft

1шт.

65

A47258

O-RING,0.369" ID x 0.515" OD

O-RING - shaft

1шт.

66

G46146

SNAP RING,#37, Ext

Ring, Snap, , pivot shaft retaining #37, Ext

1шт.

67

A42309

PLUNGER

PLUNGER - solenoid

1шт.

68

A42308

BOOT

BOOT - plunger (rubber)

1шт.

69

A41242

SPRING

SPRING - plunger

1шт.

70

A41922

WASHER

WASHER - plunger

1шт.

71

A43380

BACK-UP RING

RETAINER - inner, spring

1шт.

72

A43419

SEAT

RETAINER - outer, spring

1шт.

73

G46146

SNAP RING,#37, Ext

Ring, Snap, , plunger retaining #37, Ext

1шт.

74

A43856

NUT

NUT - lock, 5/16 inch NF

1шт.

75

REF

INSTRUCTION

SOLENOID ASSEMBLY - starter (See Figure 128)

1шт.

76

R15159

SCREW,Hex, 1/4" - 20 x 3/8", w/ LW

SCREW - hex, solenoid mounting

4шт.

Выбрано товаров: 71