Запчасти Case W14 (120) - R46156 AND L106562 STARTER (04) - ELECTRICAL SYSTEMS

Схема запчастей Case W14 - (120) - R46156 AND L106562 STARTER (04) - ELECTRICAL SYSTEMS
FIT
1:1
100%

Артикул

Название

Примечание

Количество

A47498

STARTING MOTOR

STARTER ASSEMBLY - remanufactured, Includes: Ref. 1 - 77

1шт.

A47500

REMAN-STARTER

Reman For New P/N A47498

1шт.

A47499

CORE-STARTER

Return Number, use this part no. to return starter core for credit

1шт.

R46156

STARTING MOTOR

STARTER ASSEMBLY - engine, new (Delco-Remy No. 1113535) (Includes Ref. 1 - 37 and Ref. 39 - 77)

1шт.

L106562

STARTER MOTOR

STARTER ASSEMBLY - engine, new (Delco-Remy No. 1113534), Includes: Ref. 1 - 77

1шт.

104213A1R

REMAN-STARTER

Remanufactured Starter

1шт.

104213A1C

CORE-STARTER

Return Number

1шт.

RR46156

REMAN-STARTER

Remanufactured Starter

1шт.

RC46156

CORE-STARTER

Return Number

1шт.

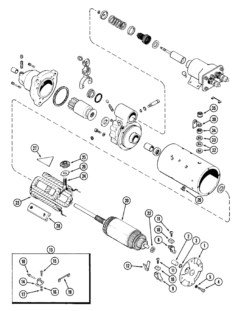
1

A45003

FRAME

FRAME ASSEMBLY - commutator end, Includes: Ref. 2 and 3

1шт.

2

A45152

BUSHING

BUSHING - commutator end

1шт.

3

A47133

WICK

WICK - oil (felt pad)

1шт.

4

114-1

BOLT,Hex, 1/4" - 28 x 1", Gr 5

BOLT, Hex, 1/4"-28 x 1", G5

4шт.

5

192-19

LOCK WASHER,Helical Spring, 0.256" ID, CST, ZND

WASHER, LOCK, 1/4"

4шт.

8

A49472

HOLDER

HOLDER - brush, insulated (Replaces R21590)

2шт.

9

A40217

HOLDER

HOLDER - brush, grounded

2шт.

10

R15024

BRUSH, COMMUTATOR

BRUSH BRUSH - starter

4шт.

11

D32481

SELF-TAP SCREW,Sltd Pan Hd, #8-32 x 13/16", w/LW

SCREW - brush, self-tapping

4шт.

12

R15025

SPRING

SPRING - brush tension

4шт.

13

A47072

BRUSH, COMMUTATOR

BRUSH BRUSH SUPPORT KIT - starter, Includes: Ref. 14 - 19

2шт.

14

NSS

NOT SOLD SEPARAT

SUPPORT - brush

1шт.

15

182-541

SCREW,Cross Pan Hd, #10-24 x 3/4"

SCREW - truss head, No. 10 x 3/4 inch NF

4шт.

16

192-18

LOCK WASHER,Helical Spring, #10, 0.196" ID, CST, ZND

WASHER, LOCK, #10

4шт.

17

129-17

NUT,Hex, #10 - 24

NUT - hex, No. 10 NF

4шт.

18

A47260

PIN

PIN - brush holder

1шт.

19

R15030

ELECTRICAL WIRE

WIRE LEAD - brush

1шт.

20

A40909

ARMATURE

ARMATURE - starter

1шт.

22

A41917

WASHER,14.25mm ID x 24.89mm OD x 1.57mm Thk

WASHER - thrust, commutator end

1шт.

23

A43860

COIL

COIL ASSEMBLY - field, Includes: Ref. 24

1шт.

24

A40896

STUD

STUD - field terminal

1шт.

A41925

BUSHING

BUSHING ASSEMBLY - inner, field terminal stud insulating, Includes: Ref. 25 and 26

1шт.

25

NSS

NOT SOLD SEPARAT

INSULATOR - field coil stud, inner

1шт.

26

NSS

NOT SOLD SEPARAT

SUPPORT - stud insulator

1шт.

27

A41977

RUBBER INSULATOR

INSULATOR - field coil

1шт.

28

R15115

SHOE

SHOE - pole

4шт.

29

A42127

SCREW,3/8" - 24 x 0.20"

SCREW - pole shoe

8шт.

30

A40894

CONNECTOR, ELEC

CONNECTOR CONNECTOR - field, Serial Range: terminal-solenoid

1шт.

32

D30005

INSULATOR

INSULATOR - field stud, outer, 1 inch (25 mm) OD

2шт.

33

D30006

WASHER

WASHER - terminal stud, 7/8 inch (22 mm) OD

1шт.

34

129-145

JAM NUT,Jam, 1/2"-13, G5

NUT, Jam, 1/2"-13, G5

1шт.

35

A47890

NUT

NUT - terminal stud

1шт.

39

A47896

HOUSING

HOUSING ASSEMBLY - shift lever, Includes: Ref. 40 - 45

1шт.

40

A47897

PLUG

PLUG - rubber

1шт.

41

A47888

WICK

WICK - oil

1шт.

42

A47889

PLUG

PLUG - oil wick

1шт.

43

A47842

PUMP

BUSHING - armature

1шт.

44

R21582

OIL SEAL

SEAL - oil

1шт.

45

R15145

DISC

WASHER - brake

1шт.

46

A40892

WASHER

WASHER - thrust, drive end

1шт.

47

R21587

PLUG

PLUG - housing

1шт.

48

A41924

GASKET

GASKET - plug

1шт.

49

114-1

BOLT,Hex, 1/4" - 28 x 1", Gr 5

BOLT, Hex, 1/4"-28 x 1", G5

5шт.

50

192-19

LOCK WASHER,Helical Spring, 0.256" ID, CST, ZND

WASHER, LOCK, 1/4"

5шт.

51

A47523

DRIVE

DRIVE ASSEMBLY - starter pinion

1шт.

52

R21562

GASKET

GASKET - drive housing to drive end

1шт.

55

A44340

HOUSING

HOUSING ASSEMBLY - drive end, Includes: Ref. 56 - 58

1шт.

56

A47257

BUSHING

BUSHING - drive end

1шт.

57

R15023

WICK

WICK - oil

1шт.

58

221-1041

PLUG

PLUG - slotted head, 1/8 inch PT

1шт.

59

D32488

HEX SOC SCREW,5/16" - 18 x 1.50"

SCREW - housing

5шт.

60

D32489

HEX SOC SCREW,5/16" - 18 x 0.86"

SCREW - housing

1шт.

62

D32547

LEVER

LEVER - shift control

1шт.

63

A42199

PIN

SHAFT - pivot, shift lever

1шт.

64

A47258

O-RING,0.369" ID x 0.515" OD

O-RING - shaft, 1/4 inch (6 mm) ID

1шт.

65

A47259

O-RING,0.244" ID x 0.391" OD

O-RING - shaft, 3/8 inch (10 mm) ID

1шт.

66

G46146

SNAP RING,#37, Ext

Ring, Snap, , shaft retaining #37, Ext

1шт.

67

A42309

PLUNGER

PLUNGER - solenoid

1шт.

68

A42308

BOOT

BOOT - plunger (rubber)

1шт.

69

A41242

SPRING

SPRING - plunger return

1шт.

70

A41922

WASHER

WASHER - spring seat

1шт.

71

A43380

BACK-UP RING

RETAINER - inner, plunger spring

1шт.

72

A43419

SEAT

RETAINER - outer, plunger spring

1шт.

73

G46146

SNAP RING,#37, Ext

Ring, Snap, , retainer to plunger #37, Ext

1шт.

74

131-31

LOCK NUT,5/16"-24, G8

NUT - hex, 5/16 inch NF

1шт.

75

A47899

SOLENOID SWITCH

SOLENOID ASSEMBLY - starter

1шт.

76

R15159

SCREW,Hex, 1/4" - 20 x 3/8", w/ LW

SCREW - hex, solenoid to body

4шт.

77

A42408

ELECTRICAL WIRE

WIRE LEAD - ground, solenoid

1шт.

Выбрано товаров: 77