Запчасти Case W14 (204) - LAMPS AND ROTATING BEACON, USED ON MODELS WITH CANOPY, USED BEFORE P.I.N. 9154965 (04) - ELECTRICAL SYSTEMS

Схема запчастей Case W14 - (204) - LAMPS AND ROTATING BEACON, USED ON MODELS WITH CANOPY, USED BEFORE P.I.N. 9154965 (04) - ELECTRICAL SYSTEMS
FIT
1:1
100%

Артикул

Название

Примечание

Количество

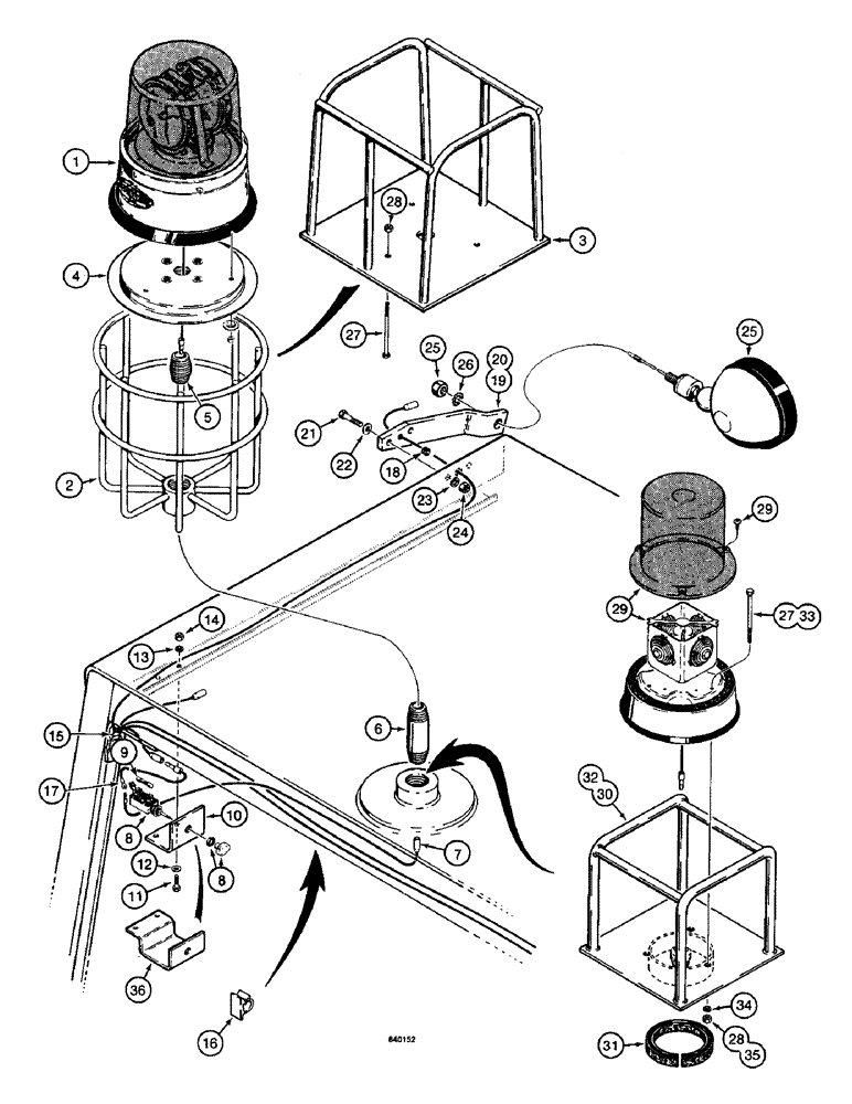
1

L16100

BEACON

ROTATING BEACON - 360 degree, amber lens, Do-Ray No. 4002, parts list figure 208

1шт.

1

L16676

BEACON

ROTATING BEACON - 360 degree, red lens, Do-Ray No. 4002, parts list figure 208

1шт.

REF: 1 For subs see figure 208 notes

1шт.

2

L16615

CAGE

- beacon, order L104480 cage and appropriate hardware

1шт.

3

L104480

CAGE

- beacon, used with L16100 and L16676 beacons

1шт.

4

L16101

MOUNT - beacon

1шт.

5

221-236

PIPE,Nipple, 1" NPT x 1 1/2"

NIPPLE - 1" NPT, used with Ref. 2 only

1шт.

6

221-244

NIPPLE - 1" NPT, used with Ref. 2 only

1шт.

7

L70707

ELECTRICAL WIRE

WIRE ASSEMBLY -, Serial Range: beacon-switch

1шт.

L16099

SWITCH

- rotating beacon, includes fuse, Includes: Ref. 8 and 9

1шт.

8

NSS

NOT SOLD SEPARAT

SWITCH - without fuse

1шт.

9

223-20

FUSE,20 Amp, Type SFE

- 20 amp, SFE

1шт.

10

L70860

LARGE PLATE

BRACKET - switch mount, used with canopy with headliner mounted with caps, no longer available, order Ref. 36, L114146 bracket

1шт.

11

13-412

BOLT,Hex, 1/4" - 20 x 3/4", Gr 5, Full Thd

2шт.

12

95-4

WASHER,1/4"

- flat, 1/4"

2шт.

13

92-4

LOCK WASHER,1/4"

WASHER, LOCK, 1/4"

2шт.

14

25-104

NUT,1/4"-20, G5

2шт.

15

L76549

HARNESS

- canopy

1шт.

16

L100659

CLIP

- harness

1шт.

17

L73339

ELECTRICAL WIRE

WIRE -, Serial Range: harness-switch

1шт.

18

S70739

GROMMET

- wire

2шт.

19

L79842

SUPPORT

BRACKET - flood lamp, right-hand

1шт.

20

L79843

SUPPORT

BRACKET - flood lamp, left-hand

1шт.

21

13-620

BOLT,Hex, 3/8" - 16 x 1-1/4", Gr 5, Full Thd

4шт.

22

95-6

WASHER,3/8"

- flat, 3/8"

4шт.

23

92-6

LOCK WASHER,3/8"

4шт.

24

25-106

NUT,3/8"-16, G5

- hex, 3/8"-16 NC

4шт.

25

REF

INSTRUCTION

FLOOD LAMP - front, parts list figure 190

2шт.

26

193-48

LOCK WASHER,Ext-Int Tooth, 1/2"

WASHER, LOCK, Ext-Int Tooth, 1/2"

2шт.

27

13-464

BOLT,Hex, 1/4" - 20 x 4", Gr 5

- hex head, 1/4"-20 NC x 4", used with L110647 cage

3шт.

28

131-650

NUT,1/4"-20, GB

NUT - hex, self-locking, 1/4"-20 NC, used with L110647 cage

3шт.

29

L110648

LAMP

ROTATING BEACON - 360 degree, amber lens, Signal Stat No. 378Y106, parts list figure 210

1шт.

30

L110647

CAGE

- beacon, used with L110648 beacon, no longer available, order L114301 cage and appropriate hardware

1шт.

31

L109042

GASKET

TRIM - edge

1шт.

32

L114301

CAGE

- beacon, used with L110648 beacon

1шт.

33

169-111

SCREW,Sl Fil Hd, #10 - 24 x 3"

MACHINE SCREW - slotted head, No. 10 - 24 NC x 3", used with L114301 cage

3шт.

34

92-3

LOCK WASHER,#10

WASHER, LOCK, , Used with L114301 cage #10

3шт.

35

129-7

NUT,Hex, #10 - 24

- hex, No. 10 - 24 NC, used with L114301 cage

3шт.

36

L114146

BRACKET

- switch mount, used with canopy with headliner self-retained

1шт.

Выбрано товаров: 39