Запчасти Case W14 (206) - LAMPS AND ROTATING BEACON, USED ON MODELS WITH CANOPY, USED ON P.I.N. 9154965 AND AFTER (04) - ELECTRICAL SYSTEMS

Схема запчастей Case W14 - (206) - LAMPS AND ROTATING BEACON, USED ON MODELS WITH CANOPY, USED ON P.I.N. 9154965 AND AFTER (04) - ELECTRICAL SYSTEMS
FIT
1:1
100%

Артикул

Название

Примечание

Количество

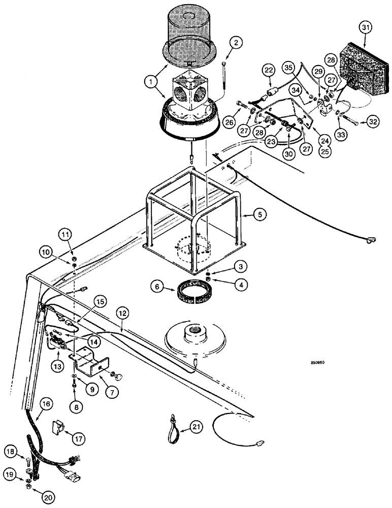
1

L110648

LAMP

ROTATING BEACON - 360 degree, amber lens, Signal Stat No. 368Y106, parts list figure 210

1шт.

REF: 1 For subs see figure 210 notes.

1шт.

2

169-111

SCREW,Sl Fil Hd, #10 - 24 x 3"

MACHINE SCREW - slotted head, No. 10 - 24 NC x 3"

3шт.

3

92-3

LOCK WASHER,#10

WASHER, LOCK, #10

3шт.

4

129-7

NUT,Hex, #10 - 24

- hex, No. 10 - 24 NC

3шт.

5

L114301

CAGE

- beacon

1шт.

6

L109042

GASKET

TRIM - edge

1шт.

7

L114146

BRACKET

- switch mount, used with canopy with headliner self-retained

1шт.

8

13-412

BOLT,Hex, 1/4" - 20 x 3/4", Gr 5, Full Thd

2шт.

9

95-4

WASHER,1/4"

- flat, 1/4"

2шт.

10

92-4

LOCK WASHER,1/4"

WASHER, LOCK, 1/4"

2шт.

11

25-104

NUT,1/4"-20, G5

2шт.

12

L114447

HARNESS

WIRE ASSEMBLY -, Serial Range: beacon-switch

1шт.

L16099

SWITCH

- rotating beacon, includes fuse, Includes: Ref. 13 and 14

1шт.

13

NSS

NOT SOLD SEPARAT

SWITCH - without fuse

1шт.

14

223-20

FUSE,20 Amp, Type SFE

- 20 amp, SFE

1шт.

15

L114446

HARNESS

WIRE -, Serial Range: harness-switch

1шт.

16

L116112

HARNESS

- canopy

1шт.

17

L100659

CLIP

- harness

1шт.

18

113-206

BOLT,Hex, 3/8" - 16 x 3/4", Gr 5, Full Thd

1шт.

19

192-21

LOCK WASHER,3/8"

WASHER, LOCK, 3/8"

1шт.

20

129-103

NUT,Hex, 3/8" - 16, Gr 5

NUT, 3/8"-16, G5

1шт.

21

L18337

CABLE TIE,9.95"-12.1" lg

STRAP - tie, 15 inch, nylon

1шт.

22

223-166

CONNECTOR, ELEC

CONNECTOR - female

2шт.

23

S70739

GROMMET

- wire

2шт.

24

L114477

BRACKET

- flood lamp, right-hand

1шт.

25

L114478

BRACKET

- flood lamp, left-hand

1шт.

26

13-620

BOLT,Hex, 3/8" - 16 x 1-1/4", Gr 5, Full Thd

4шт.

27

193-72

LOCK WASHER

- internal-external tooth lock, 3/8"

16шт.

28

129-103

NUT,Hex, 3/8" - 16, Gr 5

NUT, 3/8"-16, G5

8шт.

29

L113415

BRACKET

- lamp

2шт.

30

113-207

BOLT,Hex, 3/8" - 16 x 1", Gr 5

4шт.

31

L113375

LIGHT ASSY.

FLOOD LAMP - front, parts list figure 194

2шт.

32

113-110

BOLT,Hex, 5/16" - 18 x 2-1/4", Gr 5

Hex, 5/16"-18 x 2 1/4", G5

2шт.

33

193-71

LOCK WASHER,Ext-Int Tooth, 5/16"

WASHER, LOCK, Ext-Int Tooth, 5/16"

2шт.

34

192-20

LOCK WASHER,Helical Spring, 0.318" ID, CST, ZND

WASHER, LOCK, 5/16"

2шт.

35

9635082

NUT,5/16" - 18, Gr 5

2шт.

Выбрано товаров: 37