Запчасти Case W14B (6-40) - TRANSMISSION, CONTROL VALVE ASSEMBLY (06) - POWER TRAIN

Схема запчастей Case W14B - (6-40) - TRANSMISSION, CONTROL VALVE ASSEMBLY (06) - POWER TRAIN
FIT
1:1
100%

Артикул

Название

Примечание

Количество

REF

INSTRUCTION

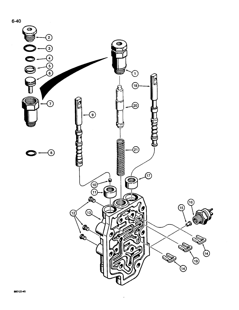
TRANSMISSION ASSEMBLY - for correct assembly and components see figures 6-10 - 6-40, Includes: Ref. 1 - 21

1шт.

E114307

VALVE

CONTROL VALVE ASSEMBLY - transmission, Includes: Ref. 1 - 21

1шт.

1

N13301

HOUSING

PISTON ASSEMBLY - air, Includes: Ref. 2 - 8

1шт.

2

N13302

PLUG

CAP - piston housing

1шт.

3

237-6012

O-RING,0.116" Thk x 0.924" ID, -912, Cl 6, 90 Duro

12-1, 90 Duro, .924 ID x .116" Thk, Piston housing cap

1шт.

4

A7982

O-RING,0.103" Thk x 0.612" ID, -114, Cl 5, 75 Duro

- piston

1шт.

5

L33575

RING

- piston

1шт.

6

L33576

PISTON

- air

1шт.

7

S300127

BODY

HOUSING - piston

1шт.

8

F62114

O-RING,0.103" Thk x 0.674" ID, -115, Cl 5, 75 Duro

- seal

1шт.

9

E114395

SPOOL

- range selector, Includes: Ref. 10

1шт.

10

221-850

PLUG,Hex Soc, 1/16"-27

- hex socket head, 1/16" NPT

1шт.

11

D63387

OIL SEAL,15.88mm ID x 28.7mm OD x 13.87mm Thk

OIL SEAL - body

1шт.

12

221-660

PLUG,Hex Hd, 1/16"-27

- hex head, 1/16" NPT

3шт.

13

NSS

NOT SOLD SEPARAT

BODY - transmission control valve

1шт.

14

E114397

STOP

- spool

2шт.

15

E114398

PIN

- neutral start switch

1шт.

16

E114399

SWITCH

- neutral start, see Figure 4-26 (Ref. 27) for electrical connection jumper to rear harness

1шт.

Comes with two serrated terminal posts that are removeable. These must be removed and replaced with (2) 182-82 Screws, (2) 192-6 Lockwashers and (2) 193-91 Internal Washers. Only L118468 Jumper wire will work with this switch.

1шт.

S300424 replaced the E114399 in3/89. New jumper wire L127410 to be used with the new switch

1шт.

17

D63387

OIL SEAL,15.88mm ID x 28.7mm OD x 13.87mm Thk

OIL SEAL - body

1шт.

18

N7205

SPOOL

- control valve, forward and reverse

1шт.

19

E114397

STOP

- spool

1шт.

20

E114401

SPOOL

- clutch cutout

1шт.

21

E114402

SPRING

- control valve

1шт.

Выбрано товаров: 25