Запчасти Case W14B (4-32) - STARTER, BATTERY, AND BATTERY CABLES (04) - ELECTRICAL SYSTEMS

Схема запчастей Case W14B - (4-32) - STARTER, BATTERY, AND BATTERY CABLES (04) - ELECTRICAL SYSTEMS
FIT
1:1
100%

Артикул

Название

Примечание

Количество

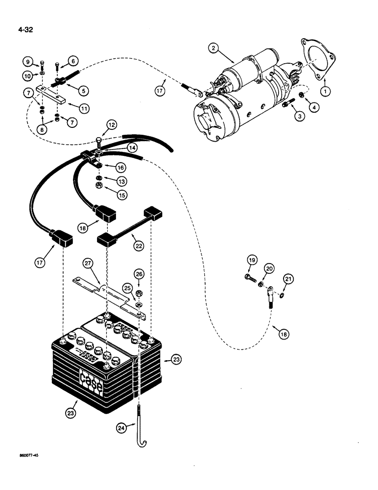
1

L112209

GASKET,0.79mm Thk

GASKET - starting motor

1шт.

2

A169694

STARTING MOTOR

STARTER - Delco No. 1990499, parts list Figures 4-8 and 4-10

1шт.

2

AR169694

REMAN-STARTER

Remanufactured, STARTER

1шт.

2

AC169694

CORE-STARTER

Return Number

1шт.

3

866-10040

12 PT SCREW,Flg, M10 x 40mm, Cl 12.9

BOLT - Ferry head , 10 mm - 1.5 x 40 mm (12.9)

3шт.

4

892-1110

LOCK WASHER,M10

WASHER - lock, 10 mm, plated

3шт.

5

49838

CLAMP

CLAMP - cable

1шт.

6

113-207

BOLT,Hex, 3/8" - 16 x 1", Gr 5

BOLT, Hex, 3/8"-16 x 1", G5, Full Thd

1шт.

7

192-21

LOCK WASHER,3/8"

WASHER, LOCK, 3/8"

2шт.

8

129-103

NUT,Hex, 3/8" - 16, Gr 5

NUT, 3/8"-16, G5

2шт.

9

113-209

BOLT,Hex, 3/8" - 16 x 1-1/2", Gr 5

BOLT, Hex, 3/8"-16 x 1 1/2", G5

1шт.

10

195-104

WASHER,3/8"

WASHER - flat, , plated 3/8"

1шт.

11

L14266

BRACKET

SPARE PART BRACKET - cable support

1шт.

12

413-516

BOLT,Hex, 5/16" - 18 x 1", Gr 5

BOLT - hex, 5/16" - 18 NC x 1", zinc plated

1шт.

13

192-20

LOCK WASHER,Helical Spring, 0.318" ID, CST, ZND

WASHER, LOCK, 5/16"

1шт.

14

195-103

WASHER,5/16"

WASHER - flat, , plated 5/16"

1шт.

15

9635082

NUT,5/16" - 18, Gr 5

NUT, 5/16"-18, G5

1шт.

16

L19029

CLAMP

CLAMP - cable

1шт.

17

L114085

CABLE

CABLE -, Serial Range: battery-starter

1шт.

18

L114086

CABLE

CABLE - battery ground

1шт.

19

814-12020

BOLT,Hex, M12 x 1.75 x 20mm, Cl 8.8, Full Thd

BOLT - hex head, 12 mm - 1.75 x 20 mm (8.8), plated

1шт.

20

892-1112

LOCK WASHER,M12

WASHER - lock, 12 mm, plated

1шт.

21

193-87

LOCK WASHER,Ext-Int Tooth, 1/2"

WASHER, LOCK, Ext-Int Tooth, 1/2"

1шт.

22

L114087

CABLE

CABLE -, Serial Range: battery-battery

1шт.

23

BHC30

BATTERY, DRY

BATTERY DRY BATTERY - 12 volt

2шт.

24

T31481

SCREW

BOLT - special, battery hold down

2шт.

25

195-103

WASHER,5/16"

WASHER - flat, , plated 5/16"

2шт.

26

231-1445

NUT,5/16"-18, GB

NUT - hex, self-locking, 5/16" - 18 NC, plated

2шт.

27

L112208

BRACKET

BRACKET - battery hold down

1шт.

Выбрано товаров: 0