Запчасти Case W14C (6-38) - TRANSMISSION, CONTROL AND MODULATOR VALVES (06) - POWER TRAIN

Схема запчастей Case W14C - (6-38) - TRANSMISSION, CONTROL AND MODULATOR VALVES (06) - POWER TRAIN
FIT
1:1
100%

Артикул

Название

Примечание

Количество

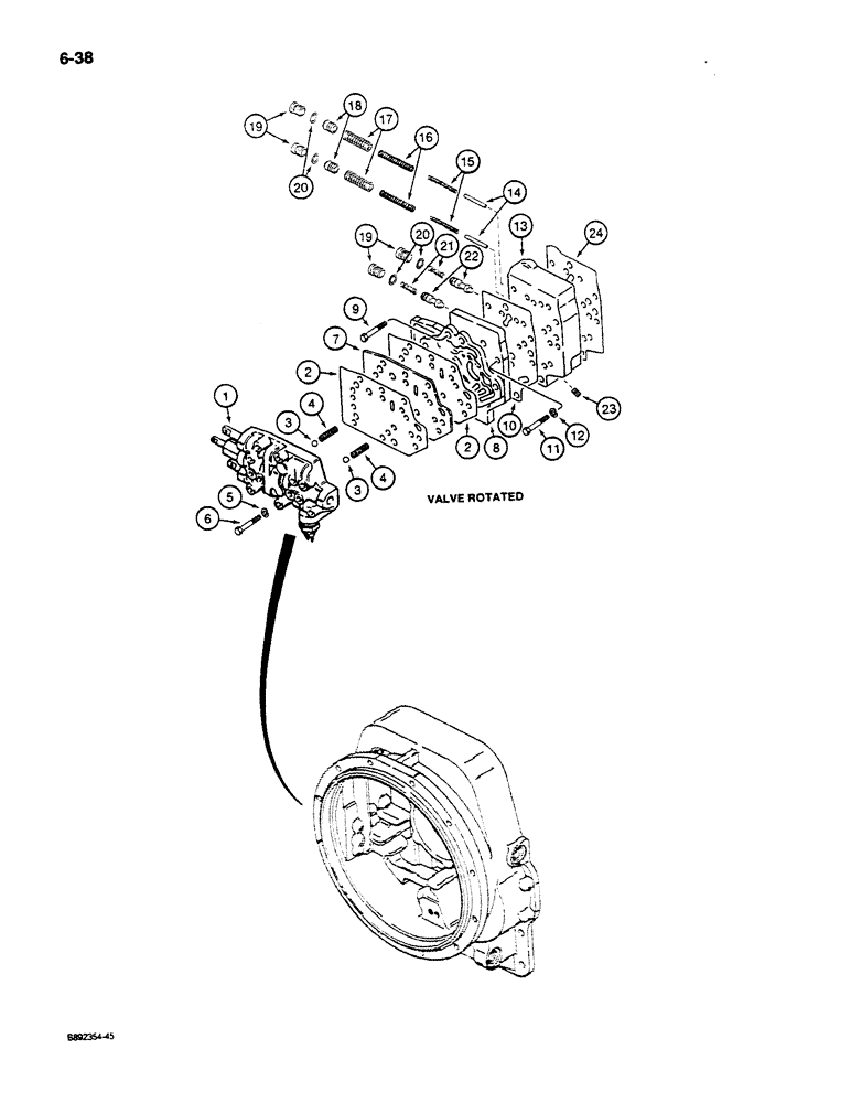
L127681

TRANSMISSION

ASSEMBLY - includes parts on Figures 6-14 through 6-40

1шт.

1

S300899

VALVE

ASSEMBLY - transmission control, parts list Figure 6-40

1шт.

2

N13334

GASKET

- control valve and seal plate

2шт.

3

211-210

BALL,3/8" Dia

- 3/8 inch, grade 200

2шт.

4

E114309

SPRING

- detent

2шт.

5

192-21

LOCK WASHER,3/8"

WASHER, LOCK, 3/8"

9шт.

6

113-213

BOLT,Hex, 3/8" - 16 x 2-1/4", Gr 5

9шт.

7

N13335

PLATE

- control valve seal

1шт.

8

N13332

PLATE

- adaptor, valve mounting

1шт.

9

426372

HEX SOC SCREW,3/8" - 16 x 2 3/4"

SCREW - special, mounting, adaptor plate to housing

7шт.

10

N13333

GASKET

- adaptor, Serial Range: plate-housing

1шт.

11

113-241

BOLT,Hex, 3/8" - 16 x 3", Gr 5

2шт.

12

192-21

LOCK WASHER,3/8"

WASHER, LOCK, 3/8"

2шт.

S300321

VALVE

ASSEMBLY - modulator

1шт.

13

NSS

NOT SOLD SEPARAT

BODY - modulator valve

1шт.

14

N8148

AXLE PIN

PIN - accumulator

2шт.

15

N8149

SPRING

- accumulator, inner

2шт.

16

N8150

SPRING

- accumulator, middle

2шт.

17

N8151

SPRING

- accumulator, outer

2шт.

18

NSS

NOT SOLD SEPARAT

SPOOL - accumulator

2шт.

19

86625138

PLUG,7/18" - 14

4шт.

20

237-6010

O-RING,0.097" Thk x 0.755" ID, -910, Cl 6, 90 Duro

10-1, 90 Duro, .755" ID x .097" Thk

1шт.

21

N8547

SPRING

- regulator

2шт.

22

NSS

NOT SOLD SEPARAT

SPOOL - regulator

2шт.

23

S300322

PLUG

- orifice

1шт.

24

E114409

GASKET

- modulator valve to converter housing

1шт.

Выбрано товаров: 26