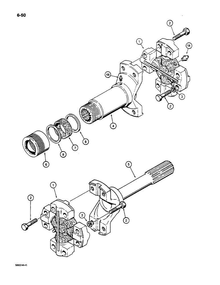
Запчасти Case W14C (6-50) - REAR AXLE DRIVESHAFT (06) - POWER TRAIN

Схема запчастей Case W14C - (6-50) - REAR AXLE DRIVESHAFT (06) - POWER TRAIN
FIT
1:1
100%

Артикул

Название

Примечание

Количество

L127603

SHAFT

ASSEMBLY - drive, rear axle

1шт.

Ref: L127603 shaft assy - see notes on new Rockford Powertrain driveshaft on Figure 6-44. 31-May-96

1шт.

1

S300904

UNIVERSAL JOINT

JOINT ASSEMBLY - universal, center cross

2шт.

1a

219-8

LUBE NIPPLE,1/4" - 28 NPTF

NIPPLE, LUBE, , straight, taper 1/4"-28 NPT x .54" lg

2шт.

2

326-628

BOLT,Hex, 3/8" - 16 x 1-3/4", Gr 8

- hex, 3/8 NF x 1-3/4 inch, grade 8

16шт.

3

492-11038

LOCK WASHER,3/8"

8шт.

4

S300907

JOINT

TUBE - shaft, internal spline

1шт.

4a

219-1

LUBE NIPPLE,1/8" - 27 NPTF

FITTING - grease, straight, 1/8 PT x 21/32 inch long

1шт.

5

S300913

SHAFT

- yoke, external spline

1шт.

6

A19923

CAP

- dust

1шт.

7

D73711

FELT SEAL

- felt

1шт.

8

D73712

WASHER

- backup, steel

2шт.

Выбрано товаров: 12