Запчасти Case W14C (2-10) - TURBOCHARGER SYSTEM, 6T-590 ENGINE (02) - ENGINE

Схема запчастей Case W14C - (2-10) - TURBOCHARGER SYSTEM, 6T-590 ENGINE (02) - ENGINE
FIT
1:1
100%

Артикул

Название

Примечание

Количество

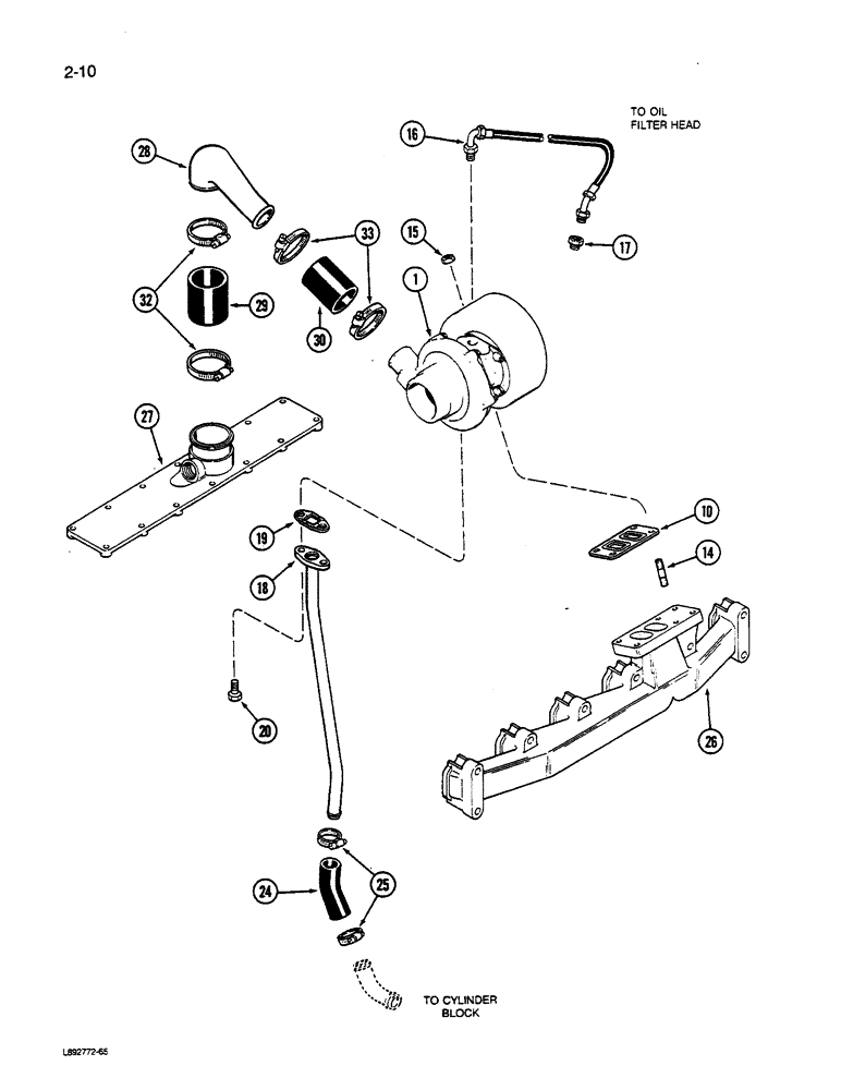
1

REF

INSTRUCTION

TURBOCHARGER ASSEMBLY - engine (See Figure 2-12)

1шт.

10

J901356

GASKET,0.5mm Thk

-, Serial Range: turbocharger-manifold

1шт.

14

J905417

STUD

- turbocharger mounting

4шт.

15

J901961

NUT

- hex, turbocharger mounting

4шт.

16

J909548

HOSE

ASSEMBLY - oil supply, turbocharger

1шт.

17

A77457

FITTING

CONNECTOR - supply hose

1шт.

18

J905354

TUBE

- oil drain

1шт.

19

J914388

GASKET

- drain tube

1шт.

20

J900630

BOLT,Hex Flg, M8 x 20, 8.8, Full Thd

- hex, 8 x 20 mm

2шт.

24

J903745

LARGE HOSE

HOSE - turbocharger oil drain

1шт.

25

214-255

HOSE CLAMP,#16, 0.81" - 1.5", Type F Worm

- turbocharger drain hose #16, 0.81/1.50 Type F Worm

2шт.

26

REF

INSTRUCTION

MANIFOLD - exhaust (See Figure 2-08)

1шт.

27

REF

INSTRUCTION

COVER - intake manifold (See Figure 2-08)

1шт.

28

J906973

AIR INTAKE TUBE,42 - 54.7 mm ID x 50.8 - 63.5 mm OD

TUBE - air intake

1шт.

29

J916529

TRANSMISSION SLEEVE

HOSE - crossover tube

1шт.

30

J916166

INTAKE AIR HOSE

HOSE - air intake

1шт.

32

214-261

HOSE CLAMP,#40, 2.06" - 3", Type F Worm

CLAMP - hose, 1-13/16 to 2-3/4 inch

2шт.

33

214-258

HOSE CLAMP,#28, 1.31" - 2.25", Type F Worm

2шт.

Выбрано товаров: 18