Запчасти Case W14C (4-36) - CAB AND CANOPY WIRING (04) - ELECTRICAL SYSTEMS

Схема запчастей Case W14C - (4-36) - CAB AND CANOPY WIRING (04) - ELECTRICAL SYSTEMS
FIT
1:1
100%

Артикул

Название

Примечание

Количество

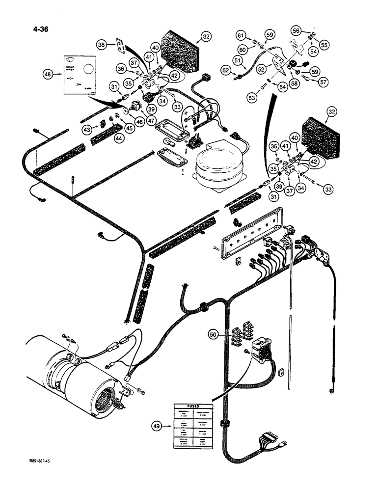
31

223-166

CONNECTOR, ELEC

CONNECTOR - harness female

2шт.

32

L113375

LIGHT ASSY.

LAMP - front flood, parts list Figure 4-38

2шт.

33

413-536

BOLT,Hex, 5/16" - 18 x 2-1/4", Gr 5

- hex, 5/16 NC x 2-1/4 inch

2шт.

34

193-71

LOCK WASHER,Ext-Int Tooth, 5/16"

WASHER, LOCK, Ext-Int Tooth, 5/16"

2шт.

35

492-11031

LOCK WASHER,5/16"

WASHER, LOCK, 5/16"

2шт.

36

425-105

NUT,5/16"-18, G5

- hex, 5/16 inch NC

2шт.

37

L113415

BRACKET

- flood lamp

2шт.

38

F45392

PLATE

- cover, flood lamp bracket

2шт.

39

L13766

GROMMET

- bracket

2шт.

40

413-616

BOLT,Hex, 3/8" - 16 x 1", Gr 5

- hex, 3/8 NC x 1 inch

4шт.

41

193-72

LOCK WASHER

- external-internal tooth lock, 3/8 inch

4шт.

42

192-21

LOCK WASHER,3/8"

WASHER, LOCK, 3/8"

4шт.

43

L74694

KNOB

- wiper

1шт.

44

A42561

JAM NUT,Hex, 7/16" - 28, RH Thd

- special, wiper switch

1шт.

45

195-2018

WASHER,.469" x 3/4" x .065"

- flat, 15/32 x 3/4 x 1/16 inch

1шт.

46

195-2066

WASHER,33/64" x 7/8" x .180"

- flat, 33/64 x 7/8 x 3/16 inch

1шт.

47

L111292

SWITCH

- wiper

1шт.

48

L112701

DECAL

- wiper

1шт.

49

R52564

DECAL

- fuses in cab

1шт.

50

A149798

FUSE

- 5 amp

1шт.

51

L114985

HARNESS

- canopy, parts used on models with rops only

1шт.

52

L113416

BRACKET

- flood lamp mounting to canopy roof, parts used on models with rops only

2шт.

53

413-612

BOLT,Hex, 3/8" - 16 x 3/4", Gr 5

Parts used on models wilth ROPS canopy only Hex, 3/8"-16 x 3/4", G5, Full Thd

4шт.

54

193-72

LOCK WASHER

- internal-external tooth lock, 3/8 inch, parts used on models with rops canopy only

8шт.

55

492-11038

LOCK WASHER,3/8"

parts used on models with rops canopy only 3/8"

4шт.

56

425-106

NUT,3/8"-16, Cl 5

Parts used on models with ROPS canopy only 3/8"-16, G5

4шт.

57

413-516

BOLT,Hex, 5/16" - 18 x 1", Gr 5

- hex, 5/16 NC x 1 inch, parts used on models with rops canopy only

4шт.

58

S83716

CLAMP,1/8", Insul, 5/16" Bolt

- lamp wire, parts used on models with rops canopy only

2шт.

59

193-71

LOCK WASHER,Ext-Int Tooth, 5/16"

WASHER, LOCK, , Parts used on models with ROPS canopy only Ext-Int Tooth, 5/16"

8шт.

60

492-11031

LOCK WASHER,5/16"

WASHER, LOCK, , parts used on models with rops canopy only 5/16"

4шт.

61

425-105

NUT,5/16"-18, G5

- hex, 5/16 inch NC, Parts used on models with ROPS canopy only

4шт.

62

A17599

GROMMET,1/4" ID x 7/16" Groove Dia

- flood lamp wire through canopy frame, parts used on models with rops only

4шт.

Выбрано товаров: 32