Запчасти Case W18 (230) - HYDRAULIC TANK AND RELATED PARTS, BEFORE TRACTOR SN. 9107854 (08) - HYDRAULICS

Схема запчастей Case W18 - (230) - HYDRAULIC TANK AND RELATED PARTS, BEFORE TRACTOR SN. 9107854 (08) - HYDRAULICS
FIT
1:1
100%

Артикул

Название

Примечание

Количество

1

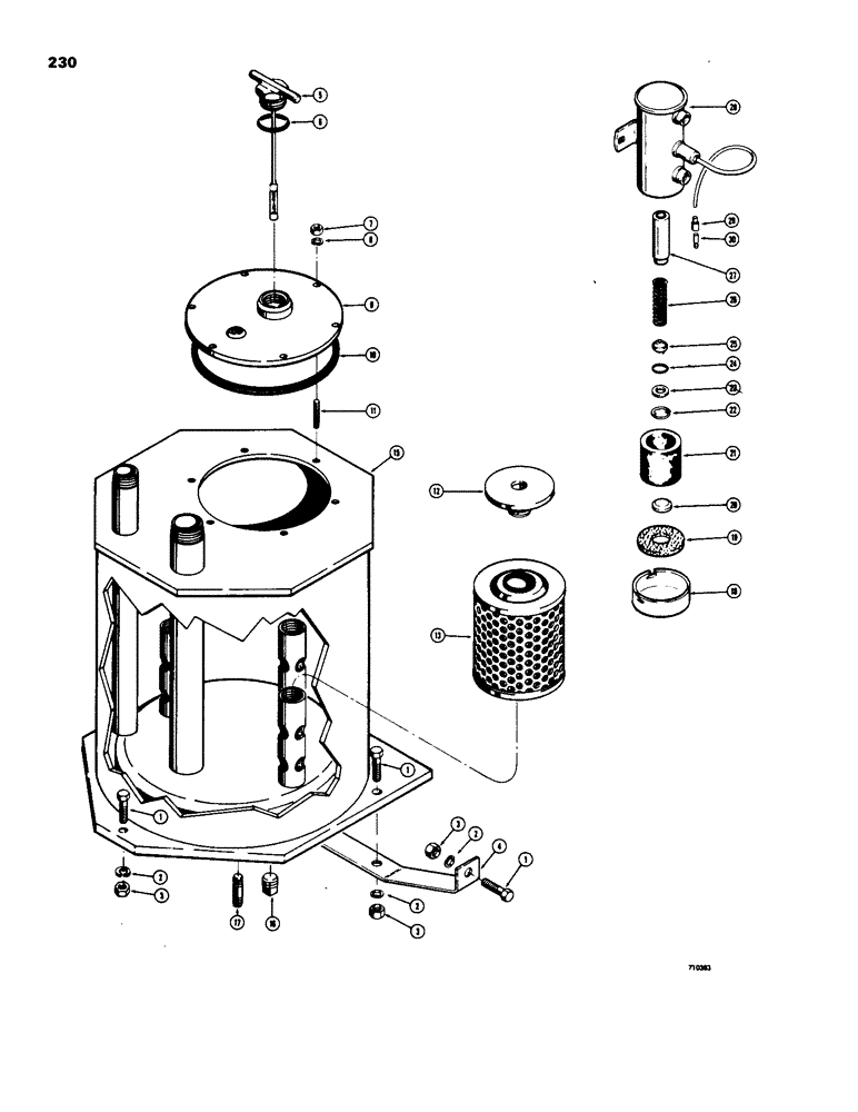
13-1028

BOLT,Hex, 5/8" - 11 x 1-3/4", Gr 5, Full Thd

5шт.

2

92-10

LOCK WASHER,5/8"

WASHER, LOCK, 5/8"

5шт.

3

25-1010

NUT,5/8"-11, G5

5шт.

4

L48332

SUPPORT - hydraulic tank

1шт.

5

L16680

GAUGE

- oil level

1шт.

6

218-5012

O-RING,0.118" Thk x 1.720" ID, -924, Cl 6, 90 Duro

SEAL - "O" ring

1шт.

7

25-106

NUT,3/8"-16, G5

- hex. (3/8" - 16 NC)

6шт.

8

92-6

LOCK WASHER,3/8"

6шт.

9

L48078

COVER - hydraulic tank

1шт.

10

L16974

SEAL

- cover, hydraulic tank

1шт.

11

L13023

STUD

- cover (3/8" - 16 NC)

6шт.

12

L12682

LOCK VALVE

RELIEF VALVE - filter

3шт.

51200336

FILTER, ELEMENT

ELEMENT KIT - hydraulic tank, Includes: Ref. 13 and 14

3шт.

13

NSS

NOT SOLD SEPARAT

ELEMENT - hydraulic tank

1шт.

14

NLS

NO LONGER SERVICED

- element (Not required in this application)

1шт.

15

L47429

TANK - hydraulic

1шт.

16

221-677

DRAIN PLUG,Sq Hd, 3/4" NPT

PLUG - magnetic drain

2шт.

17

L14422

STUD - hydraulic tank

4шт.

L14569

PUMP

- fuel transfer

1шт.

L52634

PUMP

- fuel transfer, Includes: Ref. 18 - 28

1шт.

18

A40312

COVER

- fuel pump

1шт.

19

A40315

GASKET

- cover, fuel pump

1шт.

20

A40311

MAGNET

- plunger, fuel pump

1шт.

21

A40314

FILTER CARTRIDGE

FILTER - fuel (L14569 pump)

1шт.

21

L33210

FILTER SCREEN

SCREEN - filtering (L52634 pump), fuel

1шт.

22

A40316

RETAINER

- seal, "O" ring, fuel pump

1шт.

23

A40317

WASHER

- special, retainer, fuel pump

1шт.

24

A40318

O-RING,0.429" ID x 0.106"

SEAL - "O" ring, valve, fuel pump

1шт.

25

A40313

CUP

VALVE - cup, fuel pump

1шт.

26

L32394

VALVE SPRING

SPRING - plunger (When stock is exhausted, order L35316 spring for service), fuel pump

1шт.

26

L35316

SPRING

- plunger, fuel pump

1шт.

27

A40310

PLUNGER

- fuel pump

1шт.

28

NSS

NOT SOLD SEPARAT

BODY - pump, fuel transfer

1шт.

29

L11779

TUBE,0.187" ID x 0.187" OD x 1" L

SLEEVE - insulation, fuel pump

1шт.

30

L11778

CONNECTOR, ELEC

CONNECTOR - male, bullet, fuel pump

1шт.

Выбрано товаров: 35