Запчасти Case W18 (288) - LOADER HYDRAULICS, LOADER LIFT CYLINDER HYDRAULICS (08) - HYDRAULICS

Схема запчастей Case W18 - (288) - LOADER HYDRAULICS, LOADER LIFT CYLINDER HYDRAULICS (08) - HYDRAULICS
FIT
1:1
100%

Артикул

Название

Примечание

Количество

1

REF

INSTRUCTION

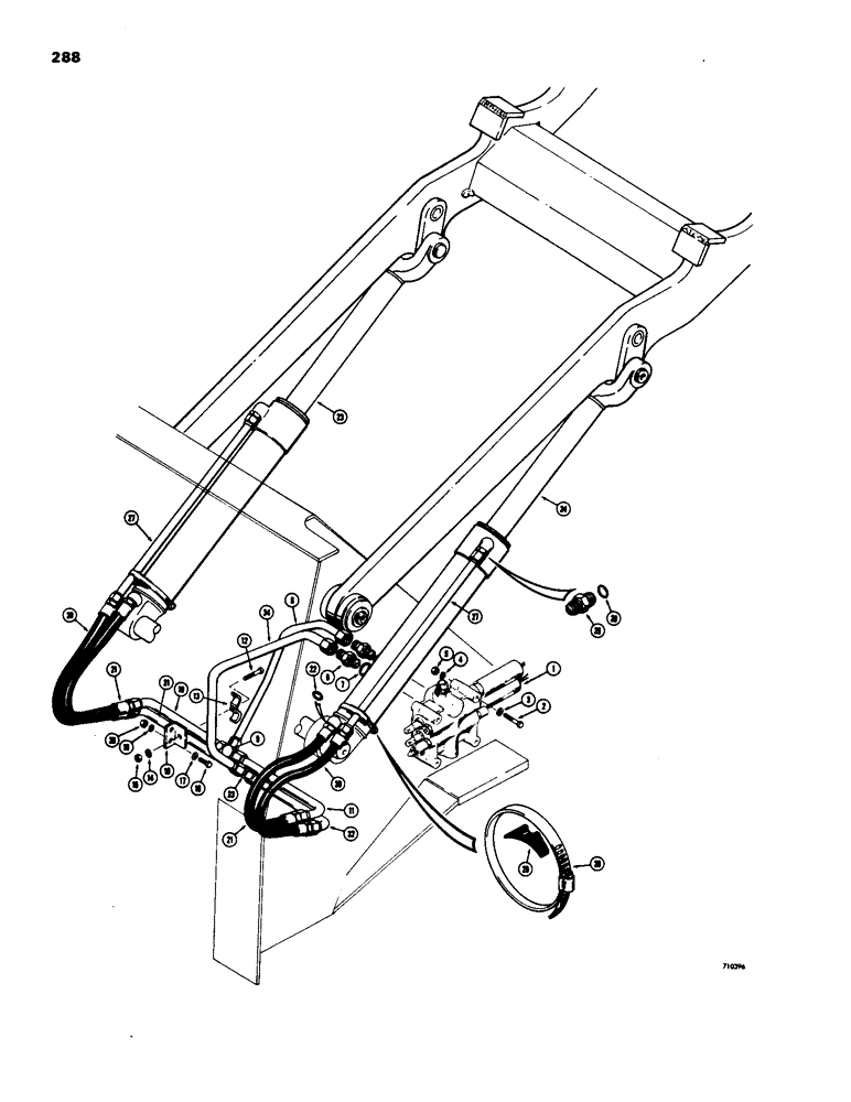
VALVE - hydraulic, loader control (See Figures 306 and 308 for proper valve)

1шт.

2

13-888

BOLT,Hex, 1/2" - 13 x 5-1/2", Gr 5

(Valve mounting) Hex, 1/2"-13 x 5 1/2", G5

3шт.

3

95-8

WASHER,1/2"

- standard wrot 1/2"

3шт.

4

92-8

LOCK WASHER,1/2"

3шт.

5

25-108

NUT,1/2"-13, G5

- hex. (1/2" - 13 NC)

3шт.

6

218-5069

HYD CONNECTOR,1-5/16" - 12 Male JIC x 1-5/16" - 12 Male ORB

CONNECTOR - male, straight, Incl. Ref. 7

2шт.

7

218-5010

O-RING,0.116" Thk x 1.171" ID, -916, Cl 6, 90 Duro

SEAL - "O" ring

1шт.

8

L47757

TUBE,1" OD

- valve to closed end of lift cylinder (At valve)

1шт.

9

218-598

TEE,1 5/16"-12 37 Degree

- hydraulic, male (Tubing union)

1шт.

10

L47431

TUBE,1" OD x 18.2, 4.2" L

- tee to L.H. lift cylinder, closed end

1шт.

11

L47426

TUBE,1" OD x 16.7, 4.2" L

- tee to R.H. lift cylinder, closed end

1шт.

12

13-628

BOLT,Hex, 3/8" - 16 x 1-3/4", Gr 5

2шт.

13

R15257

CLAMP

- tube

2шт.

14

92-6

LOCK WASHER,3/8"

2шт.

15

25-106

NUT,3/8"-16, G5

- hex. (3/8" - 16 NC)

2шт.

16

13-624

BOLT,Hex, 3/8" - 16 x 1-1/2", Gr 5

HHCS - 3/8" - 16 NC x 1-1/2"

4шт.

17

95-6

WASHER,3/8"

- standard wrot () 3/8"

4шт.

18

L47468

BRACKET

- tube clamping

2шт.

19

92-6

LOCK WASHER,3/8"

4шт.

20

25-106

NUT,3/8"-16, G5

- hex. (3/8" - 16 NC)

4шт.

21

T944673

SHELL

- valve to closed end of lift cylinder, at cylinder (37" long)

2шт.

22

218-5008

O-RING,0.116" Thk x 0.924" ID, -912, Cl 6, 90 Duro

SEAL - "O" ring (Closed end of cylinder)

2шт.

23

REF

INSTRUCTION

CYLINDER - hydraulic, L.H. loader lift (5" I.D. x 30.1" stroke) Parts list Figure 294 or 296

1шт.

24

REF

INSTRUCTION

CYLINDER - hydraulic, R.H. loader lift (5" I.D. x 30.1" stroke) Parts list Figure 294 or 296

1шт.

25

218-5064

HYD CONNECTOR,1-1/16" - 12 Male JIC x 1-1/16" - 12 Male ORB

CONNECTOR - male, straight, Incl. Ref. 26

2шт.

26

218-5008

O-RING,0.116" Thk x 0.924" ID, -912, Cl 6, 90 Duro

SEAL - "O" ring

1шт.

27

L47698

TUBE,0.75" OD x 33, 2.5" L

- valve to rod end of lift cylinder (At cylinder)

2шт.

28

214-277

HOSE CLAMP,#100, 5.88" - 6.75", Type F Worm

CLAMP - tube to cylinder

2шт.

29

D46440

SADDLE

- tube clamp

2шт.

30

L47758

HOSE

- valve to rod end of lift cylinder, at cylinder (37" long)

2шт.

31

L47453

TUBE,1" OD x 22.2, 4.2" L

- tee to L.H. lift cylinder, rod end

1шт.

32

L47426

TUBE,1" OD x 16.7, 4.2" L

- tee to R.H. lift cylinder, rod end

1шт.

33

218-598

TEE,1 5/16"-12 37 Degree

- hydraulic, male (Tubing union)

1шт.

34

L47466

TUBE,1" OD

- valve to rod end of lift cylinder (At valve)

1шт.

Выбрано товаров: 34