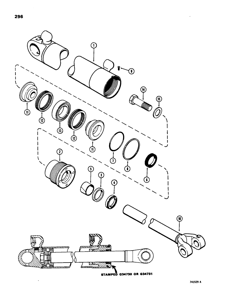
Запчасти Case W18 (296) - G34730 AND G34731 LIFT CYL., GLAND W/ CENTER BEARING, USED ON TRACTOR SN. 9115603 AND AFTER (08) - HYDRAULICS

Схема запчастей Case W18 - (296) - G34730 AND G34731 LIFT CYL., GLAND W/ CENTER BEARING, USED ON TRACTOR SN. 9115603 AND AFTER (08) - HYDRAULICS
FIT
1:1
100%

Артикул

Название

Примечание

Количество

G34730

CYLINDER BLOCK

CYLINDER ASSEMBLY - lift, R.H. (5" dia. x 30" stroke) stamped G34730 on gland, Includes: Ref. 1 - 15

1шт.

G34731

CYLINDER BLOCK

CYLINDER ASSEMBLY - lift, L.H. (5" dia. x 30" stroke) stamped G34731 on gland, Includes: Ref. 1 - 15

1шт.

1

G34728

TUBE,39.77" L

- cylinder body, R.H.

1шт.

1

G34729

TUBE

- cylinder body, L.H.

1шт.

G34735

GLAND

ASSEMBLY - hand stamp for identification, Includes: Ref. 2 - 8

1шт.

2

NSS

NOT SOLD SEPARAT

GLAND

1шт.

3

NSS

NOT SOLD SEPARAT

RING - center bearing

1шт.

4

D95148

WIPER SEAL

WIPER - piston rod (3" x 3-1/2" x 5/16")

1шт.

Part of seal kit P/N G34753

1шт.

5

G34313

BEARING

- center

1шт.

Part of seal kit P/N G34753

1шт.

6

D45572

ROD

SEAL - piston rod (3" x 3-1/2" x 7/16")

1шт.

Part of seal kit P/N G34753

1шт.

7

49393

O-RING,4.734" ID x 5.012" OD x 0.139"

"O" RING - gland (5" x 5-1/4" x 1/8")

1шт.

Part of seal kit P/N G34753

1шт.

8

S92639

RING

- gland "O" ring backup

1шт.

Part of seal kit P/N G34753

1шт.

9

187-1031

SELF-TAP SCREW,Pan, 0.164"-32 x 1/4"

SCREW - gland lock (#8 - 32 NC x 1/4" self tapping)

1шт.

10

G34140

PISTON

ROD - piston (3" dia.)

1шт.

11

D48562

PISTON,123.95mm Bore, 63.5mm Rod, 34.92mm W

- split

2шт.

12

D47206

PACKING

ASSEMBLY - piston ("V" type)

2шт.

Part of seal kit P/N G34753

1шт.

13

D47211

BEARING WASHER,95.28mm ID x 126.69mm OD x 19mm Thk

BEARING - center

1шт.

14

28-2056

BOLT,Hex, 1-1/4" - 12 x 3-1/2", Gr 8

- piston (1-1/4" x 3-1/2" NC hex.)

1шт.

15

G32351

WASHER

- piston bolt (1-3/8" x 2-1/2" x 5/32")

1шт.

G34753

SEAL

KIT - cylinder repair, Includes Refs. 4, 5, 6, 7, 8 and 12

1шт.

Выбрано товаров: 26