Запчасти Case W18 (236) - LOCKUP PARTS (09) - CHASSIS

Схема запчастей Case W18 - (236) - LOCKUP PARTS (09) - CHASSIS
FIT
1:1
100%

Артикул

Название

Примечание

Количество

1

D40678

LOCK

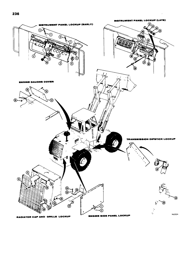
PADLOCK - tractor lockup (When stock is exhausted, order R29555 lock and R29554 key for service), Includes: Ref. 2

7шт.

2

D40679

KEY

- padlock

2шт.

1

R29555

KEY

PADLOCK - tractor lockup

7шт.

2

R29554

LOCK

KEY - tractor lockup, padlock

2шт.

3

L51004

SHIELD - instrument panel (R.H.) Before tractor Sn. 9112823 (When stock is exhausted, order L53913 and L53914 shields for service, models without insturment cluster

1шт.

3

L53914

SHIELD - instrument panel (R.H.) Tractor Sn. 9112823 and after, models without instrument cluster

1шт.

4

L51005

SHIELD - instrument panel (L.H.) Before tractor Sn. 9112823 When stock is exhausted, order L53913 and L53914 shields for service, models without instrument cluster

1шт.

4

L53913

SHIELD - instrument panel (L.H.) Tractor Sn. 9112823 and after, models without instrument cluster

1шт.

5

13-620

BOLT,Hex, 3/8" - 16 x 1-1/4", Gr 5, Full Thd

Instrument panel lockup models without instrument cluster Hex, 3/8"-16 x 1 1/4", G5, Full Thd

4шт.

6

13-616

BOLT,Hex, 3/8" - 16 x 1", Gr 5, Full Thd

Instrument panel lockup models without instrument cluster Hex, 3/8"-16 x 1", G5, Full Thd

2шт.

7

95-6

WASHER,3/8"

- standard wrot (), instrument panel lockup models without instrument cluster 3/8"

6шт.

8

131-6

LOCK NUT,3/8"-16, GC

NUT - hex., lock (3/8" - 16 NC), instrument panel lockup models without instrument cluster

6шт.

9

L50937

BRACKET - shield mounting, instrument panel lockup models without instrument cluster

2шт.

10

L50602

BUMPER - instrument panel shield (Used with L51004 and L51005 shields only), models withou instrument cluster

1шт.

11

25-146

JAM NUT,Jam, 3/8"-16, G5

- hex., jam (3/8" - 24 NF), instrument panel lockup

2шт.

12

L50626

COVER - gauges, front panel, tachometer and fuel gauge lockup

1шт.

13

71-418

SCREW - machine, fillister head (1/4" - 20 NC x 1-1/8"), tachometer and fuel gauge lockup

6шт.

14

A31132

SPACER - cover (13/32" long), tachometer and fuel gauge lockup

6шт.

15

131-2

NUT,1/4"-20, GB

NUT - hex., lock (1/4" - 20 NC), tachometer and fuel gauge lockup

6шт.

16

11-528

BOLT,Short NK, 5/16"-18 x 1 3/4", G2

CARRIAGE, 5/16"-18 x 1 3/4", G2, Radiator cap lockup

3шт.

17

L50933

COVER

- radiator cap access hole, lockup

1шт.

18

L50932

PLATE

- cover mounting, radiator cap lockup

1шт.

19

131-4

LOCK NUT,5/16"-18, GB

NUT - hex., lock (5/16" - 18 NC), radiator cap lockup

3шт.

20

13-620

BOLT,Hex, 3/8" - 16 x 1-1/4", Gr 5, Full Thd

Grille lockup Hex, 3/8"-16 x 1 1/4", G5, Full Thd

2шт.

21

L50176

BRACKET - grille lock

1шт.

22

95-6

WASHER,3/8"

- standard wrot (), grille lockup 3/8"

2шт.

23

131-6

LOCK NUT,3/8"-16, GC

NUT - hex., lock (3/8" - 16 NC), grille lockup

2шт.

24

13-520

BOLT,Hex, 5/16" - 18 x 1-1/4", Gr 5

HHCS - 5/16" - 18 NC x 1-1/4", engine side panel lockup

8шт.

25

95-5

WASHER,3/8" x 7/8" x .083"

- standard wrot (5/16"), engine side panel lockup

8шт.

26

L104187

BRACKET

- engine side panel locking (replaces L51011)

4шт.

27

131-4

LOCK NUT,5/16"-18, GB

NUT - hex., lock (5/16" - 18 NC), engine side panel lockup

8шт.

28

L51028

CAP

AND DIPSTICK - transmission oil fill (When stock is exhausted, order L54054 dipstick and L55049 bracket for service)

1шт.

29

L54054

DIPSTICK

CAP AND DIPSTICK - transmission oil fill lockup

1шт.

30

L55049

SUPPORT

BRACKET - locking, transmission oil fill lockup

1шт.

31

77-412

SCREW

- truss head (1/4" - 20 NC x 3/4"), instrument panel lockup models with instrument cluster

2шт.

32

L70174

COVER - switch, instrument panel lockup models with instrument cluster

1шт.

33

95-4

WASHER,1/4"

- flat (), instrument panel lockup models with instrument cluster 1/4"

2шт.

34

92-4

LOCK WASHER,1/4"

WASHER, LOCK, , Instrument panel lockup models with instrument cluster 1/4"

2шт.

35

25-104

NUT,1/4"-20, G5

Instrument panel lockup models with instrument cluster 1/4"-20, G5

2шт.

36

L70216

BUMPER - rubber, instrument panel lockup models with instrument cluster

2шт.

37

L71301

BRACKET - padlock tab, instrument panel lockup models with instrument cluster

1шт.

38

151-526

RIVET,Pop, 1/8" x .337"

Instrument panel lockup models with instrument cluster Pop, 1/8" x .337"

2шт.

39

182-92

SCREW - machine, slotted (#8 - 32 NC x 1-1/4"), instrument panel lockup models with instrument cluster Slotted Pan Hd, #8-32 x 1 1/4"

1шт.

40

L71471

SPACER - magnet, instrument panel lockup models with instrument cluster

3шт.

41

L71470

MAGNET - spacer, instrument panel lockup models with instrument cluster

2шт.

42

131-29

LOCK NUT,#8-32, GB

NUT - hex., lock (#8 - 32 NC), instrument panel lockup models with instrument cluster

1шт.

Выбрано товаров: 46