Запчасти Case W18 (272) - 4-IN-1 BUCKET (09) - CHASSIS

Схема запчастей Case W18 - (272) - 4-IN-1 BUCKET (09) - CHASSIS
FIT
1:1
100%

Артикул

Название

Примечание

Количество

L50824

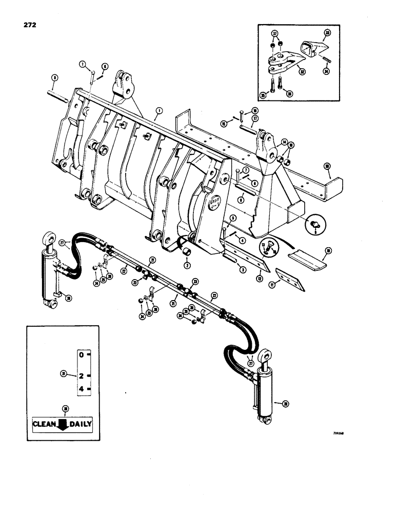
BUCKET ASSEMBLY - Drott, 1-3/4 cu. yd (Machinery item) with spillguard (Not shown), Includes: Ref. 1 - 30

1шт.

S602027

BUCKET ASSEMBLY - Drott, 1-1/2 cu. yd. (Machinery item) Without spillguard, Includes: Ref. 1 - 30

1шт.

S602031

BLADE ASSEMBLY - bucket, Includes: Ref. 1 - 13

1шт.

1

NSS

NOT SOLD SEPARAT

BLADE - bucket

1шт.

2

A17670

BUSHING

- clam cylinder mounting bracket

2шт.

3

A17662

PIN

- clam cylinder, lower

2шт.

4

132-48

COTTER PIN,1/8" x 1"

Pin, Split (Cotter), 1/8" x 1"

2шт.

5

A17663

PIN

- clevis (replaces 141-228)

2шт.

6

132-48

COTTER PIN,1/8" x 1"

Pin, Split (Cotter), 1/8" x 1"

2шт.

7

141-332

PIN

- clevis, 5/8" dia. x 4-3/4"

2шт.

8

A17660

PIN

- clam to blade, Includes: Ref. 9

2шт.

9

219-1

LUBE NIPPLE,1/8" - 27 NPTF

FITTING - grease, straight (1/8" NPT)

1шт.

10

19-1232

CARRIAGE BOLT,#3, 3/4" - 10 x 2", Gr 5

BOLT - plow, 3/4" - 10 NC x 2"

18шт.

11

A17655

POINT

CUTTING EDGE - end

2шт.

12

A17654

EDGE

CUTTING EDGE - center

1шт.

13

25-1012

NUT,3/4"-10, G5

18шт.

S601744

CLAW

CLAM ASSEMBLY - bucket, Includes: Ref. 14 - 20

1шт.

14

NSS

NOT SOLD SEPARAT

CLAM - bucket

1шт.

15

132-48

COTTER PIN,1/8" x 1"

Pin, Split (Cotter), 1/8" x 1"

2шт.

16

141-332

PIN

- clevis, 5/8" dia. x 5-1/2"

2шт.

17

A17664

PIN

- clam, Serial Range: cylinder-clam

2шт.

18

A18662

BUSHING

- clam hinge

4шт.

19

A17658

LARGE PLATE

PLATE - wear, clam rear

1шт.

20

A17657

EDGE

CUTTING EDGE - clam, front

1шт.

21

S218812

NUT,0.625" OD x 35" L

TUBE - to clam cylinder (R.H. rod end - L.H. closed end)

2шт.

22

A18675

TUBE

- to clam cylinder (L.H. rod end - R.H. closed end)

2шт.

23

218-842

TEE,37 Degree, 7/8"-14 x 7/8"-14, Fem Sw Br

- hydraulic, female swivel

2шт.

24

25-106

NUT,3/8"-16, G5

- hex. (3/8" - 16 NC)

3шт.

25

92-6

LOCK WASHER,3/8"

3шт.

26

D44073

CLAMP

- tube

3шт.

27

A17687

HOSE ASSY.

HOSE - clam cylinder

4шт.

28

REF

INSTRUCTION

CYLINDER - hydraulic, L.H. clam (4" I.D. x 10" stroke) See Figure 300 for cylinders

1шт.

29

REF

INSTRUCTION

CYLINDER - hydraulic, R.H. clam (4" I.D. x 10" stroke) See Figure 300 for cylinders

1шт.

30

A18673

DECAL

- clean daily

2шт.

31a

REF

INSTRUCTION

SPILLGUARD - bucket, used in L50824 bucket assembly only (Not shown)

1шт.

A17665

TOOTH

ASSEMBLY - bucket, Includes: Ref. 32 - 37

9шт.

32

NSS

NOT SOLD SEPARAT

SHANK - tooth, bucket

1шт.

33

A17667

TIP

- tooth, bucket

1шт.

34

138-316

LOCK PIN,1/2" x 2 1/2", Slotted

PIN, , Bucket teeth 1/2" x 2 1/2", Slotted

1шт.

35

13-1056

BOLT,Hex, 5/8" - 11 x 3-1/2", Gr 5

HHCS - 5/8" - 11 NC x 3-1/2", bucket teeth

1шт.

36

13-1048

BOLT,Hex, 5/8" - 11 x 3", Gr 5

Bucket teeth Hex, 5/8"-11 x 3", G5

1шт.

37

25-1010

NUT,5/8"-11, G5

Bucket teeth 5/8"-11, G5

2шт.

Выбрано товаров: 42