Запчасти Case W18 (318) - LOADER LIFT HYDRAULIC CIRCUIT (08) - HYDRAULICS

Схема запчастей Case W18 - (318) - LOADER LIFT HYDRAULIC CIRCUIT (08) - HYDRAULICS
FIT
1:1
100%

Артикул

Название

Примечание

Количество

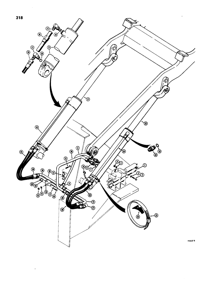
1

REF

INSTRUCTION

CONTROL VALVE - loader, see Figures 330 and 332 for proper valve

1шт.

2

13-888

BOLT,Hex, 1/2" - 13 x 5-1/2", Gr 5

3шт.

3

95-8

WASHER,1/2"

flat 1/2"

3шт.

4

92-8

LOCK WASHER,1/2"

3шт.

5

25-108

NUT,1/2"-13, G5

- hex, 1/2" - 13 NC

3шт.

6

218-5069

HYD CONNECTOR,1-5/16" - 12 Male JIC x 1-5/16" - 12 Male ORB

CONNECTOR - male, straight, Incl. Ref. 7

2шт.

7

218-5010

O-RING,0.116" Thk x 1.171" ID, -916, Cl 6, 90 Duro

- connector

1шт.

8

L47757

TUBE,1" OD

- valve to closed end of lift cylinder

1шт.

9

218-598

TEE,1 5/16"-12 37 Degree

- male

1шт.

10

L47431

TUBE,1" OD x 18.2, 4.2" L

- tee to left-hand lift cylinder, closed end

1шт.

11

L47426

TUBE,1" OD x 16.7, 4.2" L

- tee to right-hand lift cylinder, closed end

1шт.

12

13-628

BOLT,Hex, 3/8" - 16 x 1-3/4", Gr 5

2шт.

13

R15257

CLAMP

- tube

2шт.

14

92-6

LOCK WASHER,3/8"

2шт.

15

25-106

NUT,3/8"-16, G5

- hex, 3/8" - 16 NC

2шт.

16

13-624

BOLT,Hex, 3/8" - 16 x 1-1/2", Gr 5

- hex head, 3/8" - 16 NC x 1-1/2"

4шт.

17

95-6

WASHER,3/8"

- flat, 3/8"

4шт.

18

L47468

BRACKET

- tube clamp

2шт.

19

92-6

LOCK WASHER,3/8"

4шт.

20

25-106

NUT,3/8"-16, G5

- hex, 3/8" - 16 NC

4шт.

21

REF

INSTRUCTION

CYLINDER - left-hand lift, parts list and service note, Figure 324

1шт.

22

REF

INSTRUCTION

CYLINDER - right-hand lift, parts list and service note, Figure 324

1шт.

23

214-184

HOSE CLAMP,5-3/4" - 6-5/8", HD Worm

CLAMP - tube to cylinder

2шт.

24

L79937

SADDLE

- tube clamp

2шт.

25

L47758

HOSE

- to rod end of lift cylinders, 37" (940 mm) long

2шт.

26

L47453

TUBE,1" OD x 22.2, 4.2" L

- tee to left-hand lift cylinder, rod end

1шт.

27

L47426

TUBE,1" OD x 16.7, 4.2" L

- tee to right-hand lift cylinder, rod end

1шт.

28

218-598

TEE,1 5/16"-12 37 Degree

- male

1шт.

29

L47466

TUBE,1" OD

- valve to rod end of lift cylinder

1шт.

30

T944673

SHELL

- to closed end of lift cylinders, 37" (940 mm) long, used on W18 and W20 before tractor sn. 9126438 and used on W20B before tractor sn. 9127615, Includes: Ref. 31

2шт.

31

218-5008

O-RING,0.116" Thk x 0.924" ID, -912, Cl 6, 90 Duro

- used with L47758 hose, used on W18 and W20 before trator sn. 9126438 and used on W20B before tractor sn. 9127615

2шт.

Ref: #31 O-ring fits on the 1 1/16-12 end fitting between fitting threads and the fitting hex.

1шт.

Hex must be at least 1 1/4" high.

1шт.

32

218-5064

HYD CONNECTOR,1-1/16" - 12 Male JIC x 1-1/16" - 12 Male ORB

CONNECTOR - male, straight, used on W18 and W20 before tractor sn. 9126438 and used on W20B before tractor sn. 9127615, Incl. Ref. 33

2шт.

33

218-5008

O-RING,0.116" Thk x 0.924" ID, -912, Cl 6, 90 Duro

- connector, used on W18 and W20 before tractor sn. 9126438 and used on W20B before tractor sn 9127615

1шт.

34

L47698

TUBE,0.75" OD x 33, 2.5" L

- to rod end of lift cylinder, used on W18 and W20 before tractor sn. 9126438 and used on W20B before tractor sn. 9127615

1шт.

35

L77991

HOSE

- to closed end of lift cylinders, 37" (940 mm) long, used on W18 and W20 tractor sn 9126438 and after and used on W20B tractor sn. 9127615 and after

2шт.

36

L78024

PIPE,0.75" OD x 33.5, 1.2" L

TUBE - to rod end of lift cylinders, used on W18 and W20 tractor sn 9126438 and after and used on W20B tractor sn 9127615 and after

4шт.

37

218-5108

ELBOW,90 Degree Elbow, 1-1/16" - 12 Male JIC x 1-1/16" - 12 Male ORB

90º, adjustable, at cylinder ports, used on W18 and W20 tractor sn 9126438 and after and used on W20B tractor sn. 9127615 and after, Incl. Ref. 38

4шт.

38

218-5008

O-RING,0.116" Thk x 0.924" ID, -912, Cl 6, 90 Duro

- elbow, used on W18 and W20 tractor sn. 9126438 and after and used on W20B tractor sn. 9127615 and after

1шт.

Выбрано товаров: 40