Запчасти Case W18B (3-22) - FUEL INJECTION SYSTEM, 504BD AND 504BDT ENGINE (03) - FUEL SYSTEM

Схема запчастей Case W18B - (3-22) - FUEL INJECTION SYSTEM, 504BD AND 504BDT ENGINE (03) - FUEL SYSTEM
FIT
1:1
100%

Артикул

Название

Примечание

Количество

1

REF

INSTRUCTION

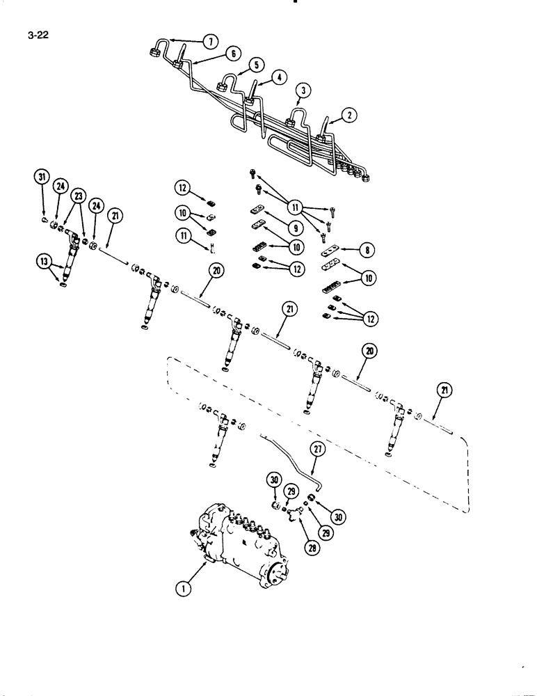
PUMP ASSEMBLY - injection (See Figure 3-28)

1шт.

2

A156885

TUBE

ASSEMBLY - fuel injection, No. 1 cylinder

1шт.

3

A156886

TUBE

ASSEMBLY - fuel injection, No. 2 cyiinder

1шт.

4

A156887

TUBE

ASSEMBLY - fuel injection, No. 3 cylinder

1шт.

5

A156888

TUBE

ASSEMBLY - fuel injection, No. 4 cylinder

1шт.

6

A156889

TUBE

ASSEMBLY - fuel injection, No. 5 cylinder

1шт.

7

A156890

PIPE

TUBE ASSEMBLY - fuel injection, No. 6 cylinder

1шт.

8

A58708

PLATE

- tube bracket (For 6 tubes)

1шт.

9

A58710

PLATE

- tube bracket (For 4 tubes)

1шт.

10

A58709

BRACKET

- tube clamp (For 2 tubes)

14шт.

11

163-19

SCREW,Sl Hex Wshr Hd, #10 - 24 x 1"

- machine, hex slotted washer head, No. 10 NC x 1 inch

7шт.

12

131-612

SPRING NUT,Flat, #10 - 24, 0.022" Thk

NUT - flat type, No. 10 NC

7шт.

13

REF

INSTRUCTION

NOZZLE ASSEMBLY - injector (See Figures 3-30 and 3-32)

6шт.

20

A76641

TUBE

- leak off, 5-3/4 inch long

2шт.

21

A76642

TUBE

- leak off, 4-13/16 inch long

3шт.

23

222-101

SLEEVE,3/16" Tube

- 3/16 inch tube OD

12шт.

24

222-111

TUBE NUT,7/16" - 24

NUT - hex, 3/16 tube OD x 7/16-24 inch

12шт.

27

A153816

TUBE

- leak-off, No. 1, Serial Range: nozzle-valve

1шт.

28

A59097

VALVE

ASSEMBLY - check, leak-off

1шт.

29

222-102

SLEEVE,1/4" Tube

2шт.

30

87017024

TUBE NUT,1/2"-24

NUT - hex, 1/4 tube OD x 1/2-24 inch

2шт.

31

47-37

RIVET,FH, 3/16" x 7/16"

- flat head, 3/16 x 7/16 inch

1шт.

Выбрано товаров: 22