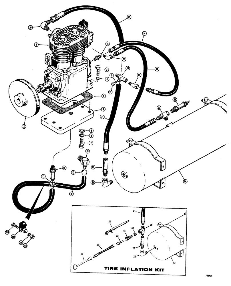
Запчасти Case W20 (177A) - BRAKE SYSTEM L57774 AIR COMPRESSOR AND RELATED PARTS (07) - BRAKES

Схема запчастей Case W20 - (177A) - BRAKE SYSTEM L57774 AIR COMPRESSOR AND RELATED PARTS (07) - BRAKES
24
26
17
1
5
29
2
7
27
13
6
28
23
21
16
12
20
28d
18
31
19
23
34
3
21
17
10
30
22
32
28a
15
33
9
14
11
24
25
28b
8
35
21
28c
4
22
FIT
1:1
100%

Артикул

Название

Примечание

Количество

1

L57774

COMPRESSOR

air, brake, See parts list Figures: 181A, 181C

1шт.

2

L57805

PULLEY

drive, compressor

1шт.

3

13-720

BOLT,Hex, 7/16" - 14 x 1-1/4", Gr 5, Full Thd

Compressor to plate

4шт.

4

92-7

LOCK WASHER,7/16"

4шт.

5

L32918

GASKET

flange

1шт.

6

L71527

PANEL

PLATE - mounting compressor

1шт.

7

13-820

BOLT,Hex, 1/2" - 13 x 1-1/4", Gr 5, Full Thd

(Mounting plate to front engine mount)

2шт.

8

92-8

LOCK WASHER,1/2"

2шт.

9

95-8

WASHER,1/2"

Flat

2шт.

222-82

TEE,1/2"-12 Male x 1/8 NPT Fem Run x 1/8 NPT Br

TEE ASSEMBLY - flex tube, 1/4" tube, Includes Ref: 10-12

1шт.

10

NSS

NOT SOLD SEPARAT

TEE - flex tube

1шт.

11

222-102

SLEEVE,1/4" Tube

1шт.

12

87017024

TUBE NUT,1/2"-24

flex tube

1шт.

13

221-401

ELBOW,45 Degree, 1/8"-27, NPT

ELBOW - street, 45° (1/8" NPT)

1шт.

14

L40303

HOSE

lubrication compressor (12-1/4")

1шт.

15

218-442

HYD CONNECTOR,1/2" - 20 Male JIC x 1/8" - 27 Male NPTF

male, straight

1шт.

16

217-152

FITTING,1/2" Hose Barb x 3/8" Male NPTF

1шт.

17

214-253

HOSE CLAMP,#10, 0.56" - 1.06", Type F Worm

hose

2шт.

18

L41213

HOSE

lubrication, compressor return

1шт.

19

217-186

FITTING,45 Degree Elbow, 1/2" Hose Barb x 1/2" Male NPTF

45° male (Hose stem type)

1шт.

20

218-484

ELBOW,90 Degree Elbow, 3/4" - 16 Male JIC x 3/8" - 18 Male NPTF

ELBOW 90° male (theaded type)

1шт.

21

L58528

AIR HOSE,0.50" ID x 26.50", SAE 100R1

Compressor Reservoir

1шт.

22

L12586

VALVE

check, air pressure

1шт.

23

221-1414

ELBOW,90 Degree, 1/2"-14, NPT

ELBOW - street 90° (1/2" NPT)

1шт.

24

L14823

TANK

RESERVOIR - air brake system

1шт.

25

221-1411

ELBOW,90 Degree, 1/8"-27, NPT

ELBOW - street 90° (1/8" NPT)

1шт.

26

L47886

HOSE

, Serial Range: governor-reservoir

1шт.

27

L48131

FITTING

TEE - special

1шт.

28

L48992

VALVE,1/4"

ASSEMBLY - safety

1шт.

28a

49858

O-RING,0.103" Thk x 0.75" ID, -116, Cl 5, 75 Duro

hose

1шт.

28b

13-616

BOLT,Hex, 3/8" - 16 x 1", Gr 5, Full Thd

1шт.

28c

92-6

LOCK WASHER,3/8"

1шт.

28d

25-106

NUT,3/8"-16, G5

hex (3/8" - 1 6 NC)

1шт.

29

217-1064

TEE,1/2" - 14 Female x 1/2" - 14 Male Run

TEE - pipe, Tire Inflation Kit

1шт.

30

217-44

REDUCER,1/2" - 14 NPT x 3/8" - 18 NPT

Bushing, Tire inflation kit

1шт.

31

L13978

VALVE

check - air, Tire Inflation Kit

1шт.

32

L13979

COUPLING

adapter, Tire Inflation Kit

1шт.

33

L15274

HOSE

inflation, Tire Inflation Kit

1шт.

34

L13983

FAN

CHUCK - air, Tire Inflation Kit

1шт.

35

L13977

GAUGE ASSY.

tire pressure, Tire Inflation Kit

1шт.

Выбрано товаров: 40