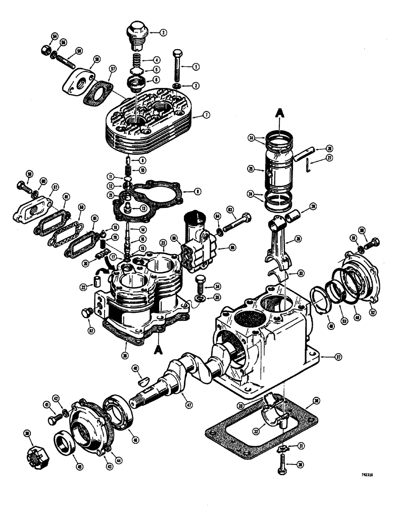
Запчасти Case W20 (181A) - L57774 AIR COMPRESSOR TU-FLO-400 (07) - BRAKES

Схема запчастей Case W20 - (181A) - L57774 AIR COMPRESSOR TU-FLO-400 (07) - BRAKES
67
8
5
66
49
15
56
57
62
36
32
9
37
50
55
11
40
38
65
1
20
51
42
44
28
68
47
63
39
2
46
18
25
60
35
41
4
26
14
34
59
21
12
33
6
53
48
7
22
61
19
13
30
24
52
45
64
61
58
43
24
27
3
54
29
10
16
23
31
17
33
FIT
1:1
100%

Артикул

Название

Примечание

Количество

L57774

COMPRESSOR

air, Includes Ref: 1-68

1шт.

1

113-110

BOLT,Hex, 5/16" - 18 x 2-1/4", Gr 5

1шт.

2

L32917

WASHER

WASHER - special

8шт.

L32899

CYLINDER

DISCHARGE VALVE AND HEAD ASSEMBLY, Includes Ref: 3-8

1шт.

3

L32916

CYLINDER END CAP

discharge valve

2шт.

4

L31451

SPRING

VALVE

2шт.

5

L32915

LOCK VALVE

discharge

2шт.

NSS

NOT SOLD SEPARAT

HEAD ASSEMBLY - cylinder

1шт.

6

L32909

SEAT

VALVE discharge

2шт.

7

NSS

NOT SOLD SEPARAT

HEAD - cylinder

1шт.

8

L32914

DOWEL

STOP - valve

2шт.

9

L32898

GASKET

head to cylinder block

1шт.

10

L31442

SPRING

VALVE inlet

2шт.

11

L31441

VALVE

inlet

1шт.

12

L31440

GUIDE

VALVE inlet

2шт.

L32880

CYLINDER

BLOCK ASSEMBLY, Includes Ref: 13-23

1шт.

13

L31409

GUIDE

plunger

2шт.

14

L31408

PLUNGER

unloader

2шт.

L31404

PISTON

ASSEMBLY - unloader, Includes Ref: 15-17

2шт.

15

NSS

NOT SOLD SEPARAT

PISTON - unloader

1шт.

16

L31406

BACK-UP RING

backup, unloader piston seal

1шт.

17

L31407

O-RING

SEAL - "O"ring, unloader piston

1шт.

18

L31412

SEAT

spring, unloader

1шт.

19

L31413

SPRING

unloader

1шт.

20

L32885

SADDLE

spring unloader

1шт.

L32881

BLOCK

cylinder, Includes Ref: 21-23

1шт.

21

L39948

SEAT

VALVE inlet

2шт.

22

L33174

BUSHING

BLOCK cylinder

2шт.

23

NSS

NOT SOLD SEPARAT

BODY - cylinder block

1шт.

24

L32910

RING

piston, standard (2.0625")

8шт.

24

L32911

RING

piston oversized (2.0725")

8шт.

24

L32912

RING

piston, oversized (2.0825")

8шт.

24

L32913

RING

piston, oversized (2.0925")

8шт.

L32904

PISTON

AND WRIST PIN ASSEMBLY - standard

2шт.

L32905

PISTON

AND WRIST PIN ASSEMBLY - .010" oversized, Includes Ref: 25, 26

2шт.

L32906

AXLE PIN

PISTON AND WRIST ASSEMBLY - .020" oversized, Includes Ref: 25, 26

2шт.

L32907

AXLE PIN

PISTON AND WRIST ASSEMBLY - .030" oversized, Includes Ref: 25, 26

2шт.

25

NSS

NOT SOLD SEPARAT

PISTON - air compressor

1шт.

26

NSS

NOT SOLD SEPARAT

WRIST PIN - piston

1шт.

27

L31437

ELECTRICAL WIRE

WIRE LOCK WIRE - wrist pin

2шт.

L32894

ROD

ASSEMBLY - connecting, standard (1.1253"), Includes Ref: 28-68

2шт.

L32895

ROD, CONNECTING

ASSEMBLY - connecting, undersized (1.1153"), Includes Ref: 28-68

2шт.

L32896

ROD, CONNECTING

ASSEMBLY - connecting, undersized (1.1053"), Includes Ref: 28-68

2шт.

L32897

EXCHANGE CONROD

ASSEMBLY - connecting, undersized (1.0953"), Includes Ref: 28-68

2шт.

28

NSS

NOT SOLD SEPARAT

ROD - connecting

1шт.

29

NSS

NOT SOLD SEPARAT

BUSHING - wrist pin

1шт.

30

L31427

BOLT

special connecting rod

2шт.

31

L31426

LOCK WASHER

WASHER - special, connecting rod

2шт.

32

NSS

NOT SOLD SEPARAT

CAP - rod

2шт.

33

L33720

INSERT

KIT - brg., L32894 rod (.05210" to 05185" thick)

1шт.

33

L33721

RING

INSERT KIT - brg., L32895 rod (.05710" to .05685" thick)

1шт.

33

L33722

INSERT

KIT - brg., L32896 rod (.06210" to .06185" thick)

1шт.

34

113-228

X

HHCS - 3/8" - 16 NC x 7/8"

6шт.

35

92-6

LOCK WASHER,3/8"

6шт.

36

L32879

GASKET

SPARE PART cylinder, Serial Range: block-crankcase

1шт.

37

L32878

CRANKCASE

COMPRESSOR air

1шт.

38

L32918

GASKET

flange

1шт.

39

25-1912

SLOTTED NUT,3/4"-16, G5, Thk

CRANKSHAFT (3/4" - 16 NF)

1шт.

40

126-216

WOODRUFF KEY,Hi-Pro, 1" Dia x 1/4" x 1 1/16"

special

1шт.

41

13-514

BOLT,Hex, 5/16" - 18 x 7/8", Gr 5

4шт.

42

192-110

LOCK WASHER,5/16"

light sect. lock () 5/16"

4шт.

43

L32889

COVER ASSY

end, front

1шт.

44

L32888

GASKET

COVER front end

1шт.

45

A50423

OIL SEAL

oil, front cover

1шт.

46

L32887

BEARING

ball

1шт.

47

L32886

CRANKSHAFT

COMPRESSOR air

1шт.

48

A57116

O-RING,2.612 mm ID x 2.818 mm OD x -H288 mm

COVER rear

1шт.

49

L31414

THRUST WASHER

CRANKSHAFT

1шт.

50

13-512

BOLT,Hex, 5/16" - 18 x 3/4", Gr 5

4шт.

51

192-110

LOCK WASHER,5/16"

light sect. lock () 5/16"

4шт.

52

L32890

COVER ASSY

CRANKCASE rear (With 1.381" I.D. bushing), Includes Ref: 53

1шт.

53

L32824

BUSHING

CRANKSHAFT (1.381" I.D.)

1шт.

52

L32891

COVER ASSY

SPARE PART CRANKCASE rear (With 1.371" I.D. bushing), Includes Ref: 53

1шт.

53

L32825

BUSHING

CRANKSHAFT (1.371" I.D.)

1шт.

52

L32892

COVER ASSY

CRANKCASE rear ((With 1.3 61" I.D. bushing), Includes Ref: 53

1шт.

53

L32826

BUSHING

CRANKSHAFT (1.361" I.D.)

1шт.

52

L32893

COVER ASSY

CRANKCASE rear (With 1.351" I.D. bushing), Includes Ref: 53

1шт.

53

L32827

BUSHING

CRANKSHAFT (1.351" I.D.)

1шт.

54

25-115

NUT,5/16"-24, G5

Hex

2шт.

55

192-110

LOCK WASHER,5/16"

light section lock () 5/16"

2шт.

56

L13524

CLAMP

FITTING - discharge

1шт.

57

L31456

GASKET

FITTING discharge

1шт.

58

D66472

STUD

FITTING discharge

2шт.

59

113-149

CAPSCREW,#10 - 24 x 3"

HHCS - 5/16" - 18 NC x 7/8"

2шт.

60

192-110

LOCK WASHER,5/16"

light sect. lock () 5/16"

2шт.

61

L31457

GASKET

strainer

2шт.

62

221-1662

PLUG

PIPE hex head (1/4" NPT)

1шт.

63

113-142

BOLT,Hex, 5/16" - 18 x 2-7/8", Gr 5

(Governor mounting)

2шт.

64

192-110

LOCK WASHER,5/16"

light sect. lock () 5/16"

2шт.

65

D66474

GOVERNOR

ASSEMBLY- compressor, See parts list Figure: 182

1шт.

66

L13526

GASKET

MOUNTING governor

1шт.

67

D66473

FITTING

inlet

1шт.

68

L32920

PLATE ASSY.

strainer

1шт.

Выбрано товаров: 93