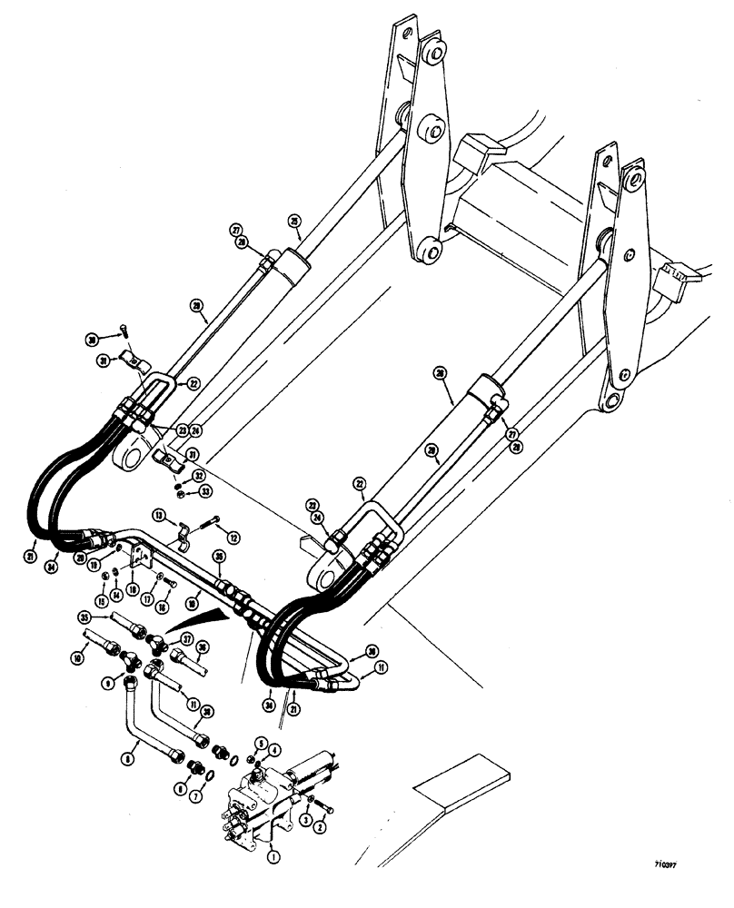
Запчасти Case W20 (290) - LOADER HYDRAULICS LOADER TILT CYLINDER HYDRAULICS (08) - HYDRAULICS

Схема запчастей Case W20 - (290) - LOADER HYDRAULICS LOADER TILT CYLINDER HYDRAULICS (08) - HYDRAULICS
22
18
28
8
34
38
20
11
17
35
22
10
31
31
25
2
27
10
19
4
28
16
3
24
29
36
9
37
6
23
21
27
35
26
13
33
21
30
12
36
29
11
32
24
1
5
23
34
15
14
7
FIT
1:1
100%

Артикул

Название

Примечание

Количество

1

REF

INSTRUCTION

VALVE - hydraulic, loader control, See Figures: 306, 308 for proper valve

1шт.

2

13-888

BOLT,Hex, 1/2" - 13 x 5-1/2", Gr 5

(Valve mounting)

3шт.

3

95-8

WASHER,1/2"

standard wrot

3шт.

4

92-8

LOCK WASHER,1/2"

3шт.

5

25-108

NUT,1/2"-13, G5

Hex

3шт.

6

218-5069

HYD CONNECTOR,1-5/16" - 12 Male JIC x 1-5/16" - 12 Male ORB

Male, Straight, Incl. Ref 7

2шт.

7

2l8-5010

SEAL - "O"ring

1шт.

8

L47509

TUBE,1" OD x 9.7, 5.4" L

valve to closed end of tilt cylinder (At valve)

1шт.

9

218-598

TEE,1 5/16"-12 37 Degree

TEE - hydraulic, male (Tubing union)

1шт.

10

L47419

TUBE,1" OD x 23.5, 4.2" L

tee to L.H. tilt cylinder, closed end

1шт.

11

L47453

TUBE,1" OD x 22.2, 4.2" L

tee to R.H. tilt cylinder, closed end

1шт.

12

13-628

BOLT,Hex, 3/8" - 16 x 1-3/4", Gr 5

2шт.

13

R15257

CLAMP

tube

2шт.

14

92-6

LOCK WASHER,3/8"

2шт.

15

25-106

NUT,3/8"-16, G5

hex. (3/8" - 16 NC)

2шт.

16

13-624

BOLT,Hex, 3/8" - 16 x 1-1/2", Gr 5

4шт.

17

95-6

WASHER,3/8"

standard wrot

4шт.

18

L47468

BRACKET

tube clamping

2шт.

19

92-6

LOCK WASHER,3/8"

4шт.

20

25-106

NUT,3/8"-16, G5

hex. (3/8" - 16 NC)

4шт.

21

L47758

HOSE

- valve to tilt cylinder, closed end (37" long)

2шт.

22

L47633

TUBE,0.75" OD

valve to closed end of tilt cylinder (At cylinder)

2шт.

23

218-5064

HYD CONNECTOR,1-1/16" - 12 Male JIC x 1-1/16" - 12 Male ORB

Male, straight, Incl. Ref: 24

2шт.

24

218-5008

O-RING,0.116" Thk x 0.924" ID, -912, Cl 6, 90 Duro

1шт.

25

REF

INSTRUCTION

CYLINDER - hydraulic, L.H. loader tilt (4" ID x 28.35" stroke), See parts list Figures: 298 or 299A

1шт.

26

REF

INSTRUCTION

CYLINDER - hydraulic, R.H. loader tilt (4" ID x 28.35" stroke), See parts list Figures: 298 or 299A

1шт.

27

218-5064

HYD CONNECTOR,1-1/16" - 12 Male JIC x 1-1/16" - 12 Male ORB

Male, straight, Incl. Ref: 28

2шт.

28

218-5008

O-RING,0.116" Thk x 0.924" ID, -912, Cl 6, 90 Duro

1шт.

29

L47691

TUBE

valve to rod end of tilt cylinder (At cylinder)

2шт.

30

13-624

BOLT,Hex, 3/8" - 16 x 1-1/2", Gr 5

2шт.

31

R15257

CLAMP

tube

4шт.

32

92-6

LOCK WASHER,3/8"

2шт.

33

25-106

NUT,3/8"-16, G5

hex. (3/8" - 16 NC)

2шт.

34

T944673

SHELL

- valve to tilt cylinder, rod end (37" long).

2шт.

35

L47431

TUBE,1" OD x 18.2, 4.2" L

tee to L.H. lift cylinder, rod end

1шт.

36

L47419

TUBE,1" OD x 23.5, 4.2" L

tee to R.H. lift cylinder, rod end

1шт.

37

218-598

TEE,1 5/16"-12 37 Degree

TEE - hydraulic, male (Tubing union)

1шт.

38

L48306

SPARE PART valve to rod end of tilt cylinder (At valve) 1" OD x 13, 9.3" L to 9107854

1шт.

38

L51674

TUBE,1" OD x 13.04, 9.31" L

valve to rod end of tilt cylinder (At valve), Start Serial: 9107854

1шт.

Выбрано товаров: 39