Запчасти Case W20 (299A) - G33592 AND G33593 TILT CYLINDERS, GLAND WITH CENTER BEARING (08) - HYDRAULICS

Схема запчастей Case W20 - (299A) - G33592 AND G33593 TILT CYLINDERS, GLAND WITH CENTER BEARING (08) - HYDRAULICS
14
2
19
4
3
17
12
6
8
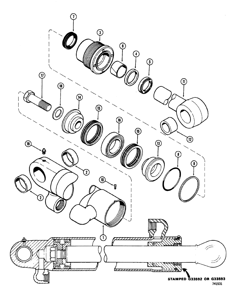
1
18
2
10
16
7
15
13
5
9
11
15
FIT
1:1
100%

Артикул

Название

Примечание

Количество

G33592

HYDRAULIC CYLINDER

ASSEMBLY- tilt, R.H (4" dia. x 28-3/8" stroke) stamped G33592 on gland, Includes Ref: 1-19

1шт.

G33593

CYLINDER

ASSEMBLY - tilt, L.H. (4" dia. x 28-3/8"" stroke) stamped G33593 on gland, Includes Ref: 1-19

1шт.

1

G32840

TUBE,41.44" L

ASSEMBLY - cylinder body, R.H., Includes Ref: 2

1шт.

1

G32841

TUBE

ASSEMBLY - cylinder body, L.H., Includes Ref: 2

1шт.

2

D44543

BUSHING,63.75mm ID x 76.2mm OD x 19.3mm L

tube

2шт.

T34331

GLAND ASSEMBLY - hand stamp for identification, Includes Ref: 3-9

1шт.

3

NSS

NOT SOLD SEPARAT

GLAND

1шт.

4

NSS

NOT SOLD SEPARAT

RING - center bearing

1шт.

5

D95144

WIPER SEAL,50.77mm ID x 63.52mm OD x 7.92mm Thk

Wiper - piston rod (2" x 2-1/2" x 5/16")

1шт.

Part of seal kit P/N G34594

1шт.

6

G34322

BEARING

BEARING - center

1шт.

Part of seal kit P/N G34594

1шт.

7

D36971

RING

SEAL - piston rod (2" x 2-1/2" x 7/16")

1шт.

Part of seal kit P/N G34594

1шт.

8

A27507

O-RING,0.139" Thk x 3.984" ID, -242, Cl 5, 75 Duro

GLAND (4" x 4-1/4" x 1/8")

1шт.

Part of seal kit P/N G34594

1шт.

9

G32176

BACK-UP RING,101.22mm ID x 107.32mm OD x 1.4mm Thk

Gland, "O" Ring

1шт.

Part of seal kit P/N G34594

1шт.

10

187-1031

SELF-TAP SCREW,Pan, 0.164"-32 x 1/4"

GLAND lock (#8-32 x 1/4" self tapping)

1шт.

11

G33594

PISTON

ROD ASSEMBLY (2" dia.), Includes Ref: 12

1шт.

12

D43223

BUSHING

ROD piston

1шт.

13

G33159

PISTON

split (rod end)

1шт.

14

D46930

PISTON

split (bolt end)

1шт.

15

D47204

PACKING,89.15mm ID x 100.86mm OD

ASSEMBLY - piston ("V" type)

2шт.

Part of seal kit P/N G34594

1шт.

16

D47209

BEARING,3.006" ID x 3.987" OD x 0.631"

center bearing

1шт.

17

28-2048

BOLT,Hex, 1-1/4" - 12 x 3", Gr 8

Piston (1-1/2" x 2-1/2" N.F. hex )

1шт.

18

G32351

WASHER

BOLT piston (1-3/8" x 2-1/2" x 1/8")

1шт.

19

219-1

LUBE NIPPLE,1/8" - 27 NPTF

(1/8" P.T. str.)

1шт.

G34594

SEAL

KIT - cylinder repair, Includes Refs. 5, 6, 7, 8, 9 and 15

1шт.

Выбрано товаров: 30