Запчасти Case W20 (015A) - OIL FILTER & HEAT EXCHANGER (401 BD) DIESEL ENG. USED PRIOR TO ENG. SN. 2523871 W/ SINGLE FILTER (02) - ENGINE

Схема запчастей Case W20 - (015A) - OIL FILTER & HEAT EXCHANGER (401 BD) DIESEL ENG. USED PRIOR TO ENG. SN. 2523871 W/ SINGLE FILTER (02) - ENGINE
22
39
3
40
7
31
15
2
18
1
6
4
26
25
9
22
30
31
8
1
12
16
14
18
36
13
35
37
40
17
12
24
23
38
5
FIT
1:1
100%

Артикул

Название

Примечание

Количество

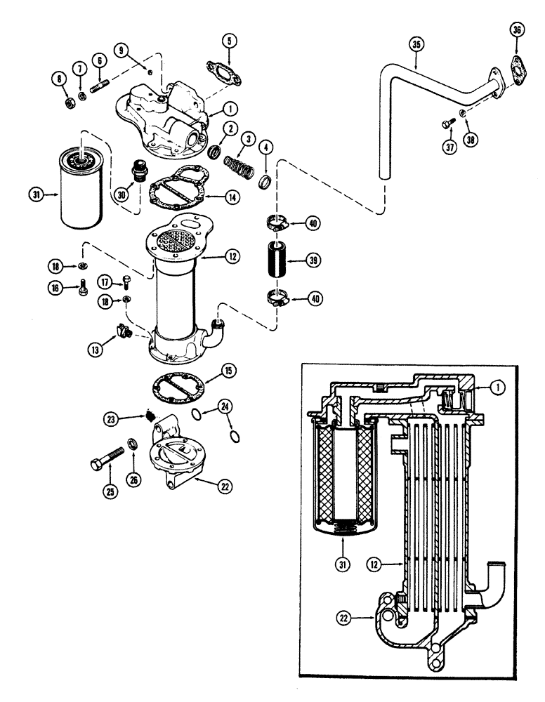
1

A58667

HEAD

ASSY heat exchanger & oil filter, Includes Ref: 2-4

1шт.

2

A21090

VALVE

oil filter relief

1шт.

3

A58669

SPRING

relief valve, free length, 2-13/16"

1шт.

4

41-1020

PLUG,Cup, 1 1/4"

relief valve, cup type, 1-1/4"

1шт.

5

A58670

GASKET

, Serial Range: head-block

1шт.

6

A50241

STUD

head to block, 1/2" NC x 2-1/8"

2шт.

7

92-8

LOCK WASHER,1/2"

2шт.

8

25-108

NUT,1/2"-13, G5

Hex

2шт.

9

221-1843

PLUG

hex socket head, 3/8" PT

1шт.

12

A58674

COOLER

EXCHANGER heat unit

1шт.

13

A23656

COCK, DRAIN

VALVE

1шт.

14

A58676

GASKET

, Serial Range: head-exchanger

1шт.

15

A58675

GASKET

, Serial Range: base-exchanger

1шт.

16

13-616

BOLT,Hex, 3/8" - 16 x 1", Gr 5, Full Thd

7шт.

17

13-622

BOLT,Hex, 3/8" - 16 x 1-3/8", Gr 5

Base

5шт.

17

13-640

BOLT,Hex, 3/8" - 16 x 2-1/2", Gr 5

Base

1шт.

18

92-6

LOCK WASHER,3/8"

13шт.

A64409

BASE

ASSY heat exchanger, Includes Ref: 22, 23

1шт.

22

NSS

NOT SOLD SEPARAT

BASE heat exchanger

1шт.

23

221-844

PLUG,Hex Soc, 1/2"-14

Base

1шт.

24

A64434

O-RING,0.93" ID x 1.142" x 0.106"

base to block, 15/16 x 1-1/8 x 3/32"

2шт.

25

13-848

BOLT,Hex, 1/2" - 13 x 3", Gr 5

Base to block

1шт.

25

13-872

BOLT,Hex, 1/2" - 13 x 4-1/2", Gr 5

Base to block

1шт.

26

92-8

LOCK WASHER,1/2"

2шт.

30

A63916

ADAPTER

oil filter to head, Replaces: A58671

1шт.

31

A58672

FILTER

oil

1шт.

35

A58677

TUBE

to water pump body

1шт.

36

A58680

OIL PAN GASKET SET

tube to water pump body

1шт.

37

13-516

BOLT,Hex, 5/16" - 18 x 1", Gr 5

Tube to pump

2шт.

38

92-5

LOCK WASHER,5/16"

2шт.

39

A58681

HOSE

heat exchanger, 1" I.D. x 2-1/2"

1шт.

40

214-256

HOSE CLAMP,#20, 0.81" - 1.75", Type F Worm

hose, 1-3/16" to 1-3/4"

2шт.

Выбрано товаров: 32