Запчасти Case W20 (202) - ALCOHOL EVAPORATOR (09) - CHASSIS

Схема запчастей Case W20 - (202) - ALCOHOL EVAPORATOR (09) - CHASSIS
23
17
34
33
17
24
26
19
18
29
25
17
15
18
9
6
28
16
7
19
10
18
8
4
20
1
5
31
13
1
35
3
21
32
22
19
30
27
12
2
FIT
1:1
100%

Артикул

Название

Примечание

Количество

L50013

KIT

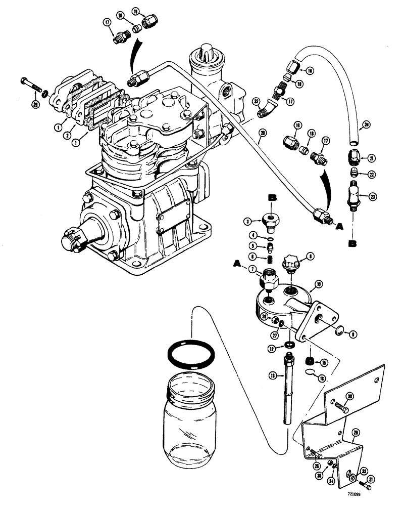
SPARE PART EVAPORATOR ASSEMBLY - alcohol, Includes Ref: 1-32

1шт.

L46411

KIT

alcohol evaporator, Includes Ref: 1-16

1шт.

1

L32929

GASKET

adapter

2шт.

2

L32928

ADAPTER

compressor

1шт.

L33157

VALVE

ASSEMBLY - check, at evaporator, Includes Ref: 3-7

1шт.

3

L33162

NUT

cap

1шт.

4

L33161

O-RING,0.299" ID x 0.072" Width

GROMMET - valve

1шт.

5

L33160

VALVE

check

1шт.

6

L33159

SPRING

valve

1шт.

7

NSS

NOT SOLD SEPARAT

HOUSING - valve

1шт.

L33145

EVAPORATOR

ASSEMBLY - alcohol, Includes Ref: 8-16

1шт.

8

L33151

PLUG

filler

1шт.

9

L33155

PLUG

expansion steel (1/2" dia)

1шт.

10

L33146

BODY

alcohol evaporator

1шт.

11

L33153

SEALING RING

, Serial Range: housing-jar

1шт.

12

L33156

RING

sealing evaporator tube

1шт.

13

L33152

TUBE,0.25" ID x 0.33" OD x 4.87" L

evaporator

1шт.

14

L33154

RESERVOIR

JAR - alcohol evaporator, plastic

1шт.

15

L33150

FILTER

air intake

1шт.

16

A58439

RETAINER

RING - filter

1шт.

222-5002

HYD CONNECTOR,1/2"-20 x 1/8" NPT, Hi-seal

ASSEMBLY - flex tube (1/4" tube), Includes Ref: 17-19

3шт.

17

NSS

NOT SOLD SEPARAT

CONNECTOR - flex tube (1/4" tube)

1шт.

18

222-5047

SLEEVE,1/4" Tube

1/4" Tube

1шт.

19

222-5060

NUT,1/2"-20

1/4" tube

1шт.

20

L46110

TUBE,17" L

alcohol evaporator to governor

1шт.

222-5023

ELBOW,90º, 1/2"-20 x 1/8" NPT, Hi-seal

ELBOW ASSEMBLY - flex tube (1/4" tube) 90°, Includes Ref: 21-23

1шт.

21

222-5060

NUT,1/2"-20

1 /4" tube

1шт.

22

222-5047

SLEEVE,1/4" Tube

1/4" Tube

1шт.

23

NSS

NOT SOLD SEPARAT

ELBOW - flex tube (1/4" tube) 90°

1шт.

24

L48192

TUBE,0.25" OD

check valve to governor

1шт.

25

L32588

BOLT,1/4" x 1 1/2"

special, 1/4" - 20 NC x 1-1/2" (Cadmium plated)

2шт.

26

13-414

BOLT,Hex, 1/4" - 20 x 7/8", Gr 5, Full Thd

(Evaporator to mounting bracket)

3шт.

27

92-4

LOCK WASHER,1/4"

3шт.

28

25-104

NUT,1/4"-20, G5

3шт.

29

L46593

BRACKET

evaporator mounting

1шт.

30

13-618

BOLT,Hex, 3/8" - 16 x 1-1/8", Gr 5

(Bracket mounting)

2шт.

31

13-614

BOLT,Hex, 3/8" - 16 x 7/8", Gr 5, Full Thd

Bracket mounting

1шт.

32

221-401

ELBOW,45 Degree, 1/8"-27, NPT

ELBOW - street, 45°

1шт.

33

95-6

WASHER,3/8"

standard wrot

3шт.

34

92-6

LOCK WASHER,3/8"

3шт.

35

25-106

NUT,3/8"-16, G5

hex. (3/81" - 16 NC)

3шт.

Выбрано товаров: 41