Запчасти Case W20 (220) - REAR FRAME AND TRUNNION (09) - CHASSIS

Схема запчастей Case W20 - (220) - REAR FRAME AND TRUNNION (09) - CHASSIS
22
17
22
28
24
16
31
10
23
32
30
20
13
12
21
15
10
35
19
21
1
2
6
23
18
24
18
20
3
3
2
33
14
25
7
5
4
27
9
11
6
9
34
31
4
3
8
18
29
26
7
17
2
5
33
18
FIT
1:1
100%

Артикул

Название

Примечание

Количество

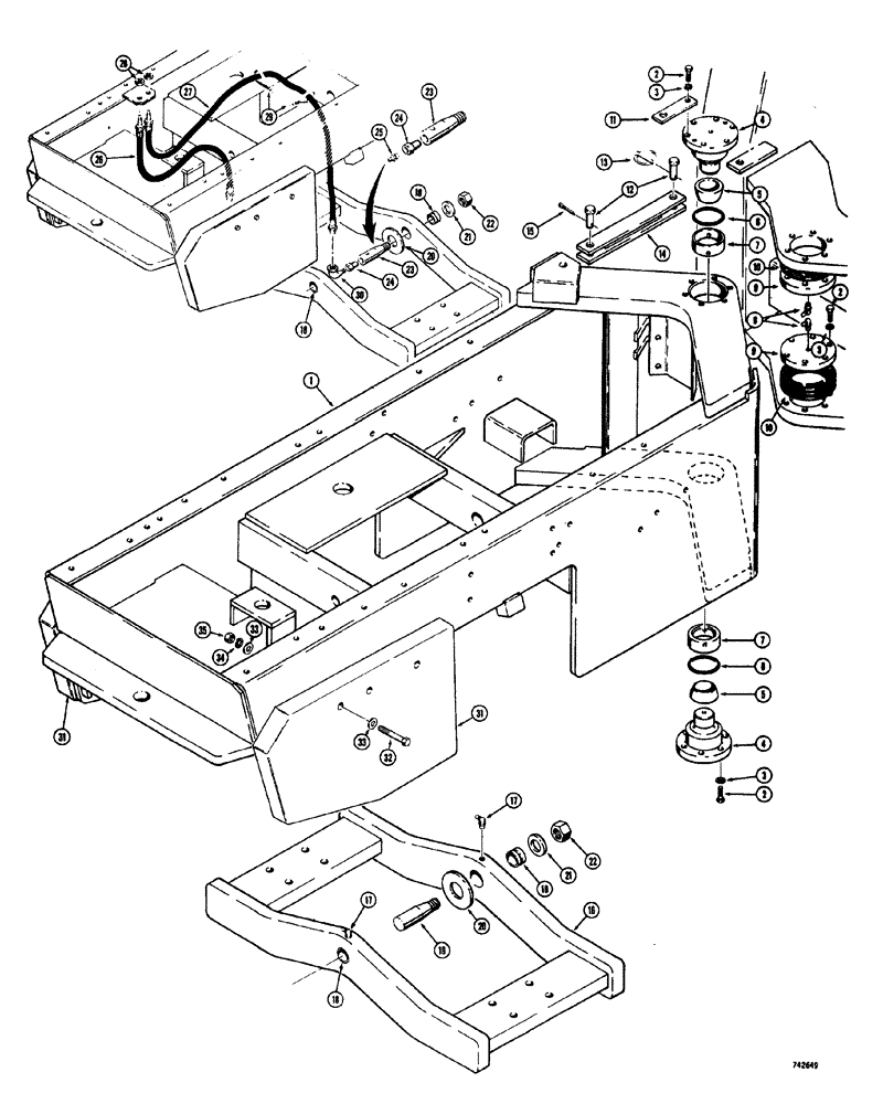
1

L47163

REAR FRAME ASSEMBLY - articulated loader, Serial Range: -9112658

1шт.

1

L54856

SPARE PART Used on tractor Sn 9112658 to 9115402, without trunnion pin hose lubrication system

1шт.

1

L58148

SPARE PART REAR FRAME ASSEMBLY - articulated loader (Used on tractor Sn 9112658 to 9115402 with trunnion pin hose lubrication system)

1шт.

1

L58928

SPARE PART REAR FRAME ASSEMBLY - articulated loader (Used on tractor Sn 9115403 and after with trunnion pin hose lubrication system)

1шт.

2

26-1032

BOLT,Hex, 5/8" - 11 x 2", Gr 8

HHCS - 5/8" - 11 NC x 2" (Spindle mounting)

24шт.

3

92-10

LOCK WASHER,5/8"

24шт.

L17468

SPINDLE

ASSEMBLY - frame pivot, Includes Ref: 4, 5

2шт.

4

NSS

NOT SOLD SEPARAT

SPINDLE - frame pivot

1шт.

5

L17462

THRUST BEARING

thrust, inner ring

1шт.

6

A30895

O-RING,0.21" Thk x 3.6" ID, -342, Cl 5, 75 Duro

thrust bearing at spindle

2шт.

7

L17463

THRUST BEARING

thrust outer ring

2шт.

8

219-37

LUBE NIPPLE,45 Degree Elbow, 1/4" - 28 NPTF

2шт.

9

L17465

CAP

thrust plate, spindle

2шт.

10

L17318

SHIM,113.54mm ID x 177.8mm OD x 0.56mm Thk

thrust bearing pre-load (.0149" thick)

1шт.

10

L17213

SHIM,113.5mm ID x 177.8mm OD x 0.91mm Thk

Thrust bearing pre-load

1шт.

10

L17212

SHIM,113.5mm ID x 177.8mm OD x 1.52mm Thk

Thrust bearing pre-load

1шт.

11

L47536

BRACKET

storage safety link

1шт.

12

L14050

PIN

safety link mounting

2шт.

13

A30338

PIN

Klik

1шт.

14

L47533

BAR

LINK - safety, front to rear frame

1шт.

15

132-150

COTTER PIN,1/4" x 1 1/2"

1шт.

L46477

TRUNNION

ASSEMBLY - rear frame (Before tractor Sn 9L09537) When stock is exhausted, order (1) L5277, Includes Ref: 16-18

1шт.

L52779

TRUNNION

ASSEMBLY - rear frame (Tractor Sn 9109537 thru 9112657) When stock is exhausted order L54857 trunnion for service, Includes Ref: 16-18

1шт.

L54857

TRUNNION

ASSEMBLY - rear frame (Tractor Sn 9112658 to 9115402), Includes Ref: 16-18

1шт.

L53933

TRUNNION ASSEMBLY - rear frame (Tractor Sn 9115403 and after), Includes Ref: 16-18

1шт.

16

NSS

NOT SOLD SEPARAT

TRUNNION - rear frame

1шт.

17

219-55

LUBE NIPPLE,90 Degree Elbow, 1/8" - 27 NPTF

L46477 trunnion only

2шт.

18

L46480

BUSHING,51.03mm ID x 63.65mm OD x 44.45mm L

L46477 trunnion

2шт.

18

L71372

BUSHING,51.03mm ID x 63.65mm OD x 44.45mm L

L52779 L54857 and L58933 trunnion

2шт.

19

L52775

PIN

trunnion pivot (Before tractor Sn 9109537)

2шт.

19a

13-1216

BOLT,Hex, 3/4" - 10 x 1", Gr 5

(Not shown)

2шт.

20

T47499

SHIM - 1/4" thick

1шт.

20

L47423

WASHER

1/8" thick

1шт.

20

L47424

WASHER,51.3mm ID x 114mm OD x 4.76mm Thk

3/16" thick

1шт.

21

L47224

WASHER

special 1-1/2" I.D. x 3" O.D

2шт.

22

131-77

NUT,1 1/2"-12

hex lock (1-1/2" - 12 NF)

2шт.

23

L52775

PIN

trunnion pivot, lube parts - tractor Sn 9109537 and after

2шт.

24

L52499

BOLT

FITTING - special, lube parts - tractor Sn 9109537 and after, trunnion pin lube parts - tractor Sn 9109537 and after

2шт.

25

86636814

LUBE NIPPLE,1/4"-28 x .52" lg

Tractor S/N 9112658 and after on models with L54856 frame only, Trunnion pin lube parts - tractor S/N 9109537 and after

1шт.

26

L54693

HOSE

ASSEMBLY - grease (27" long) Used with L58148 frame onlv, trunnion pin lube parts - tractor Sn 9109537 and after

1шт.

27

L54694

HOSE,4.8mm ID x 1041mm L

ASSEMBLY - grease (41" long) Used with L58148 frame only, trunnion pin lube parts - tractor Sn 9109537 and after

1шт.

28

F53473

LOCK NUT,1/8-27 NPSM

lock (Used with L54693 and L54694 Hose Ass'y only), trunnion pin lube parts - tractor Sn 9109537 and after

2шт.

29

L11541

CABLE TIE,203.2mm L, Nylon

CABLE STRAP grease hose retaining (Used with L54693 and L54694 hose assemblies only), trunnion pin lube parts - tractor Sn 9109537 and after

2шт.

30

219-402

ADAPTER,90 Degree, 1/4"-1/8 NPTF

elbow - 90° street special (Used with L54693 and L54694 hose assemblies only), trunnion pin lube parts - tractor Sn 9109537 and after

2шт.

31

L53315

WEIGHT

COUNTERWEIGHT - rear frame

2шт.

32

15-1696

CAPSCREW,Hex, 1" - 8 x 6"

HHCS - 1" - 8 NC x 6", counterweight

4шт.

33

195-53

WASHER,1" x 2" x .134"

plain (1"), counterweight

8шт.

34

92-16

LOCK WASHER,1"

Counterweight

4шт.

35

25-1016

NUT,1"-8, G5

Counterweight

4шт.

Выбрано товаров: 49