Запчасти Case W20 (236) - PADLOCK AND KEYS (09) - CHASSIS

Схема запчастей Case W20 - (236) - PADLOCK AND KEYS (09) - CHASSIS
2
28
5
8
8
7
14
4
38
3
13
32
9
34
29
36
7
25
37
10
15
11
12
17
21
8
22
41
24
33
19
39
6
1
30
27
42
31
20
18
40
23
5
16
35
28
FIT
1:1
100%

Артикул

Название

Примечание

Количество

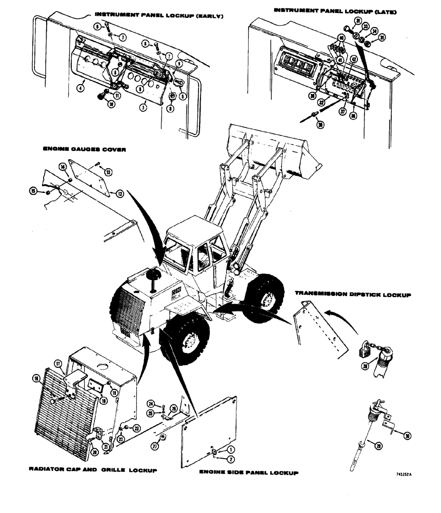
1

D40678

LOCK

pad - tractor lockup (When stock is exhausted order R29555 lock and R29554 key for service), Includes Ref: 2

7шт.

2

D40679

KEY

PADLOCK

2шт.

1

R29555

KEY

PADLOCK - tractor lockup

7шт.

2

R29554

LOCK

KEY - tractor lockup

2шт.

3

L51004

SPARE PART SHIELD - instrument panel (R H ) Before tractor Sn 9112823 (When stock is exhausted, order L53913 and L53914 shield for service, Lockup, Models without instrument cluster

1шт.

3

L53914

SPARE PART SHIELD - instrument panel (R H ) Tractor Sn 9112823 and after, lockup, models without instrument cluster

1шт.

4

L51005

SPARE PART SHIELD - instrument oanel (L H ) Before tractor Sn 91 12823 When stock is exhausted order L53913 and L53914 shields ior service, lockup, models without instrument cluster

1шт.

4

L53913

SPARE PART SHIELD - instrument panel (L H ) Tractor Sn 9112823 and after, lockup, models without instrument cluster

1шт.

5

13-620

BOLT,Hex, 3/8" - 16 x 1-1/4", Gr 5, Full Thd

Instrument panel lockup, models without instrument cluster

4шт.

6

13-616

BOLT,Hex, 3/8" - 16 x 1", Gr 5, Full Thd

Instrument panel lockup, models w/o instrument cluster

2шт.

7

95-6

WASHER,3/8"

standard wrot, instrument panel lockup, models without instrument cluster

6шт.

8

131-6

LOCK NUT,3/8"-16, GC

hex. lock (3/8" - 16 NC), instrument panel lockup, models without instrument cluster

6шт.

9

L50937

SPARE PART SHIELD mounting, instrument panel lockup, models without instrument cluster

2шт.

10

L50602

SPARE PART instrument panel shield (Used with L51004 and L51005 shields only), lockup, models without instrument cluster

1шт.

11

25-146

JAM NUT,Jam, 3/8"-16, G5

Hex, jam (3/8" - 24 NF), instrument panel lockup, models without instrument cluster

2шт.

12

L50626

SPARE PART gauges, front panel, tachometer and fuel gauge lockup

1шт.

13

71-418

SPARE PART fillister head (1/4" - 20 NC x 1-1/8"), tachometer and fuel gauge lockup

6шт.

14

A31132

SPARE PART cover (13/32" long), tachometer and fuel gauge lockup

6шт.

15

131-2

NUT,1/4"-20, GB

hex, tachometer and fuel gauge lockup

6шт.

16

11-528

BOLT,Short NK, 5/16"-18 x 1 3/4", G2

Radiator cap lockup

3шт.

17

L50933

COVER

radiator cap access hole, lockup

1шт.

18

L50932

PLATE

SPARE PART COVER mounting, radiator cap lockup

1шт.

19

131-4

LOCK NUT,5/16"-18, GB

Radiator cap lockup

3шт.

20

13-620

BOLT,Hex, 3/8" - 16 x 1-1/4", Gr 5, Full Thd

Grille lockup

2шт.

21

L50176

SPARE PART grille lockup

1шт.

22

95-6

WASHER,3/8"

standard wrot, grille lockup

2шт.

23

131-6

LOCK NUT,3/8"-16, GC

hex , lock (3/8" - 16 NC), grille lockup

2шт.

24

13-520

BOLT,Hex, 5/16" - 18 x 1-1/4", Gr 5

HHCS - 5/16" - 18 NC x 1-1/4", engine side panel lockup

8шт.

25

95-5

WASHER,3/8" x 7/8" x .083"

standard wrot (5/16"), engine side panel lockup

8шт.

26

L51011

SPARE PART engine side panel locking

4шт.

27

131-4

LOCK NUT,5/16"-18, GB

Engine side panel lockup

8шт.

28

L51028

CAP

AND DIPSTICK - transmission oil fill lockup (When stock is exhausted order L54054 dipstick and L55049 bracket for service

1шт.

29

L54054

DIPSTICK

AND CAP - transmission oil fill lockup

1шт.

30

L55049

SUPPORT

transmission oil fill lockup

1шт.

31

77-412

SCREW

truss head (1/4" - 20 NC x 3/4"), instrument panel lockup, models with instrument cluster

2шт.

32

L70174

SPARE PART switch, instrument panel lockup, models with instrument cluster

1шт.

33

95-4

WASHER,1/4"

flat (), instrument panel lockup, models with instrument cluster 1/4"

2шт.

34

92-4

LOCK WASHER,1/4"

Instrument panel lockup, models with instrument cluster

2шт.

35

25-104

NUT,1/4"-20, G5

Instrument panel lockup, models with instrument cluster

2шт.

36

L70216

SPARE PART rubber, instrument panel lockup, models with instrument cluster

2шт.

37

L71301

SPARE PART padlock tab, instrument panel lockup, models with instrument cluster

1шт.

38

151-526

RIVET,Pop, 1/8" x .337"

Instrument panel lockup, models with instrument cluster

2шт.

39

182-92

SPARE PART machine, slotted (#8 - 32 NC x 1-1/4"), instrument panel lockup, models with instrument cluster Slotted Pan Hd, #8-32 x 1 1/4"

1шт.

40

L71471

SPARE PART SPACER - magnet, instrument panel lockup, models with instrument cluster

3шт.

41

L71470

SPARE PART spacer, instrument panel lockup, models with instrument cluster

2шт.

42

131-29

LOCK NUT,#8-32, GB

hex lock (#8 - 32 NC), instrument panel lockup, models with instrument cluster

1шт.

Выбрано товаров: 46