Запчасти Case W20 (268) - LOADER LIFT FRAME AND RELATED PARTS (09) - CHASSIS

Схема запчастей Case W20 - (268) - LOADER LIFT FRAME AND RELATED PARTS (09) - CHASSIS
40
7
15
34
37
39
12
30
1
22
12
10
43
6
25
9
30
27
30
21
17
18
4
3
35
38
13
42
39
40
36
41
32
5
40
14
45
44
19
28
27
40
24
26
16
20
33
31
31
24
29
11
8
FIT
1:1
100%

Артикул

Название

Примечание

Количество

1

REF

INSTRUCTION

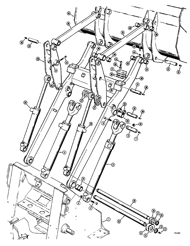
FRONT FRAME ASSEMBLY - articulated loader, See Figure: 240 for bushings and proper frame

1шт.

2

RESERVED

1шт.

3

26-1088

BOLT,Hex, 5/8" - 11 x 5-1/2", Gr 8

HHCS - 5/8" - 11 NC x 5-1/2" Grade 8

2шт.

4

131-64

LOCK NUT,5/8"-11, GC

hex, lock (5/8" - 11 NC)

2шт.

5

REF

INSTRUCTION

CYLINDER - hydraulic L.H. lift, See Figures: 294, 296

1шт.

6

REF

INSTRUCTION

CYLINDER - hydraulic, R.H. lift, See Figures: 294, 296

1шт.

7

219-1

LUBE NIPPLE,1/8" - 27 NPTF

straight (1/8" NPT)

2шт.

8

L15725

PIN

mounting lift cylinder to lift arm frame

2шт.

9

26-1080

BOLT,Hex, 5/8" - 11 x 5", Gr 8

HHCS - 5/8" - 11 NC x 5"

2шт.

10

131-64

LOCK NUT,5/8"-11, GC

hex lock (5/8" - 11 NC)

2шт.

11

219-1

LUBE NIPPLE,1/8" - 27 NPTF

straight (1/8" NPT)

2шт.

12

L16016

RING

pin retaining lift frame

2шт.

13

L47559

SHIM

WASHER - special (.312" thick)

1шт.

14

L47699

SHIM

WASHER - special (.375" thick)

1шт.

15

L47566

SHAFT

lift frame pivot

1шт.

16

L16015

RING

pin retaining, tilt cylinder closed end

2шт.

17

L47700

WASHER

special (.312" thick)

1шт.

18

L47701

WASHER

special (.375" thick)

1шт.

19

L47565

SHAFT

tilt cylinder pivot

1шт.

L58537

ARM

FRAME ASSEMBLY - loader lift, Includes Ref: 20-24

1шт.

20

NSS

NOT SOLD SEPARAT

FRAME - loader lift

1шт.

21

L47560

BUSHING,76.45mm ID x 88.14mm OD x 88.9mm L

lift, Serial Range: arm-chassis

2шт.

22

D33024

BUSHING,51.02mm ID x 63.5mm OD x 25.4mm L

lift, Serial Range: arm-bellcrank

4шт.

23

L15802

BUSHING,63.75mm ID x 75.48mm OD x 89mm L

lift arm to lift cylinder

2шт.

24

D33023

BUSHING,51.02mm ID x 63.5mm OD x 50.8mm L

lift, Serial Range: arm-bucket

4шт.

25

REF

INSTRUCTION

CYLINDER - hydraulic, L.H. tilt, See Figures: 298, 299A

1шт.

26

REF

INSTRUCTION

CYLINDER - hydraulic, R.H. tilt, See Figures: 298, 299A

1шт.

27

L45013

WASHER

special, tilt, Serial Range: cylinder-bellcrank

1шт.

28

L47356

ARM ASSY.

BELLCRANK - bucket, R.H. (When stock is exhausted order 53725 bellcrank for service)

1шт.

28

L53725

ARTICULATION

BELLCRANK - bucket, R.H.

1шт.

29

L47357

ARM ASSY.

BEI LCRANK - bucket, L.H. (When stock is exhausted order 53726 bellcrank for service)

1шт.

29

L53726

ARTICULATION

BEI LCRANK - bucket, L.H.

1шт.

30

219-1

LUBE NIPPLE,1/8" - 27 NPTF

straight (1/8" NPT)

6шт.

31

L41563

PIN - bellcrank to lift frame and tilt cylinder (When stock i exhausted order L40421 pin for service)

4шт.

31

L40421

PIN,50.8mm OD x 202.44mm L

BELLCRANK to lift frame and tilt cylinder

4шт.

32

L47562

PIN

BELLCRANK to bucket link

2шт.

33

26880

ARM

HHCS - 1/2" - 13 NC x 5" (Grade 8)

4шт.

34

131-70

NUT,1/2"-13, GB

hex , lock (1/2" - 13 NC)

6шт.

35

61-824

HEX SOC SCREW,1/2"-13 x 1 1/2"

SCREW - hex socket head (1/2" - 13 NC x 1-1/2")

8шт.

36

92-8

LOCK WASHER,1/2"

8шт.

37

L41558

BLOCK

spacer (At bellcrank and lift frame) If used

4шт.

38

L14452

SHIM

SPARE PART block

12шт.

39

L47561

LINK

bucket, Includes Ref: 40

2шт.

40

D33024

BUSHING,51.02mm ID x 63.5mm OD x 25.4mm L

link

4шт.

41

219-1

LUBE NIPPLE,1/8" - 27 NPTF

straight (1/8" NPT)

4шт.

42

L15800

PIN,50.8mm OD x 274.32mm L

loader arm and, Serial Range: link-bucket

4шт.

43

26-1072

BOLT,Hex, 5/8" - 11 x 4-1/2", Gr 8

HHCS - 5/8" - 11 NC x 4-1/2"

4шт.

44

131-64

LOCK NUT,5/8"-11, GC

hex lock (5/8" - 1 1 NC)

4шт.

45

REF

INSTRUCTION

BUCKET - loader, See parts list Figures: 270, 272

1шт.

Выбрано товаров: 49