Запчасти Case W20 (040) - ENGINE, RADIATOR AND RELATED PARTS (02) - ENGINE

Схема запчастей Case W20 - (040) - ENGINE, RADIATOR AND RELATED PARTS (02) - ENGINE
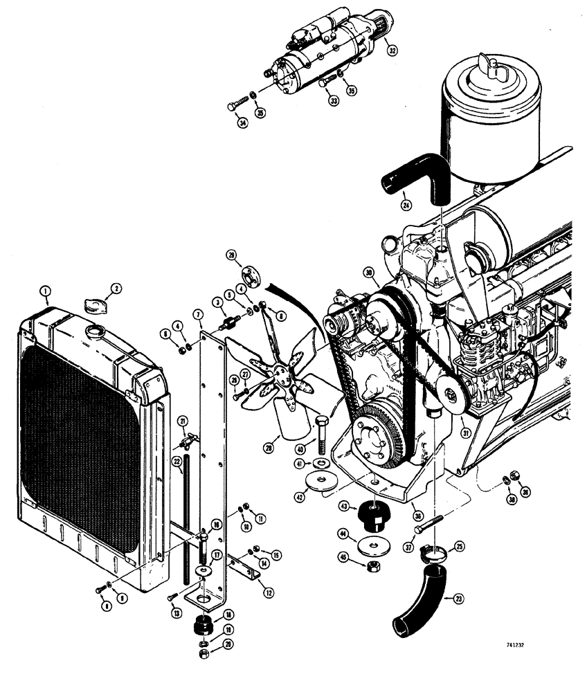
7
40
44
13
6
17
6
12
26
42
35
29
11
39
34
38
4
4
16
5
8
33
35
27
19
3
28
1
10
45
23
31
22
21
15
24
9
37
2
36
43
18
14
32
20
30
25
41
FIT
1:1
100%

Артикул

Название

Примечание

Количество

1

L46068

RADIATOR

cooling, Includes Ref: 2

1шт.

2

D25826

CAP

radiator

1шт.

3

L11236

BOLT

BOLT special

2шт.

4

92-5

LOCK WASHER,5/16"

4шт.

5

95-5

WASHER,3/8" x 7/8" x .083"

standard wrot, 5/16"

2шт.

6

9635082

NUT,5/16" - 18, Gr 5

4шт.

7

L48383

SUPPORT

radiator

2шт.

8

13-616

BOLT,Hex, 3/8" - 16 x 1", Gr 5, Full Thd

6шт.

9

95-6

WASHER,3/8"

standard wrot

6шт.

10

92-6

LOCK WASHER,3/8"

6шт.

11

25-106

NUT,3/8"-16, G5

hex, 3/8" - 16 NC

6шт.

12

L48387

STABILIZER

radiator

1шт.

13

13-516

BOLT,Hex, 5/16" - 18 x 1", Gr 5

4шт.

14

92-5

LOCK WASHER,5/16"

4шт.

15

9635082

NUT,5/16" - 18, Gr 5

4шт.

16

13-848

BOLT,Hex, 1/2" - 13 x 3", Gr 5

2шт.

17

195-2061

WASHER,5/8" x 1 7/8" x .134"

flat, 1/2"

2шт.

18

L46821

SHOCK ABSORBER

BUSHING rubber, radiator mount

2шт.

19

92-8

LOCK WASHER,1/2"

2шт.

20

25-108

NUT,1/2"-13, G5

Hex

2шт.

21

A23655

VALVE

radiator drain

1шт.

22

L13809

RADIATOR HOSE,6.40 mm ID x 609.60, SAE 30R2 Type I

Radiator drain

1шт.

23

L46256

RADIATOR HOSE,66.50mm ID x 119.40 mm, SAE 20R4

Lower

1шт.

24

L46257

RADIATOR HOSE,2.50" ID x 9.30", SAE 20R4 Class SC or D-1

Upper

1шт.

25

214-262

HOSE CLAMP,#44, 2.31" - 3.25", Type F Worm

hose, radiator

4шт.

26

13-616

BOLT,Hex, 3/8" - 16 x 1", Gr 5, Full Thd

A15504 fan

4шт.

26

13-624

BOLT,Hex, 3/8" - 16 x 1-1/2", Gr 5

A15519 fan

4шт.

27

92-6

LOCK WASHER,3/8"

4шт.

28

A15504

FAN

pusher, radiator cooling

1шт.

28

A15519

FAN

suction, radiator cooling

1шт.

29

L49007

SPACER

A15519 fan only

1шт.

30

L48204

SET OF BELTS,0.60" W

V-Belt, Fan and alternator drive, 30 and 35 amp alternators only

1шт.

30

L51524

SET OF BELTS,0.60" W

V-Belt, Fan and alternator drive, 70 amp alternator only

1шт.

31

L57804

BELT,0.50" W

BELT L14814 compressor drive, (TU- FLO- 300)

1шт.

31

L57804

BELT,0.50" W

L57774 compressor drive, (TU-FLO-400)

1шт.

32

REF

INSTRUCTION

STARTER electrical, See parts list 52-55C

1шт.

33

13-824

BOLT,Hex, 1/2" - 13 x 1-1/2", Gr 5, Full Thd

2шт.

34

13-852

BOLT,Hex, 1/2" - 13 x 3-1/4", Gr 5

1шт.

35

92-8

LOCK WASHER,1/2"

3шт.

36

L47865

BRACKET

engine mounting

1шт.

37

13-1248

BOLT,Hex, 3/4" - 10 x 3", Gr 5

4шт.

38

92-12

LOCK WASHER,3/4"

4шт.

39

25-1012

NUT,3/4"-10, G5

4шт.

40

13-1264

BOLT,Hex, 3/4" - 10 x 4", Gr 5

1шт.

41

D34666

WASHER,33.34mm ID x 63.5mm OD x 2.38mm Thk

plain, 3/4"

1шт.

42

A61406

WASHER

special

1шт.

43

S93392

MOUNTING PARTS

rubber engine

1шт.

44

A19068

WASHER

special

1шт.

45

131-657

LOCK NUT,3/4"-10, GB

lock, hex, 3/4" - 10 NC

1шт.

Выбрано товаров: 49