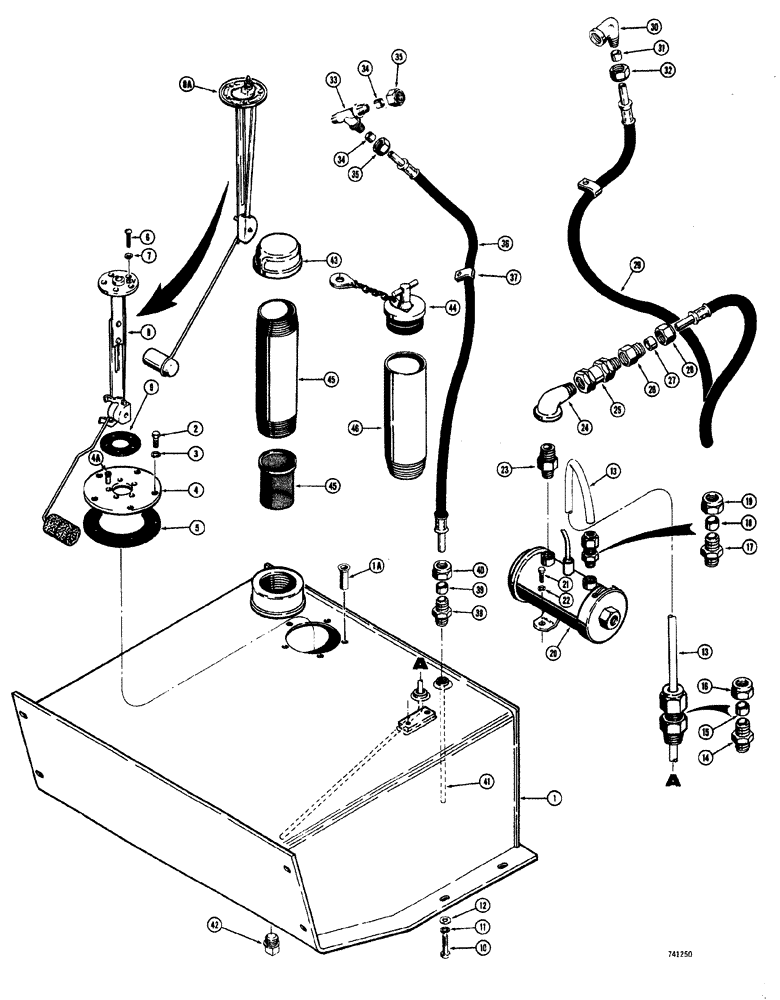
Запчасти Case W20 (226) - FUEL TANK AND RELATED PARTS (03) - FUEL SYSTEM

Схема запчастей Case W20 - (226) - FUEL TANK AND RELATED PARTS (03) - FUEL SYSTEM
8a
2
42
40
4a
3
1
34
25
45
11
20
5
30
14
43
38
6
15
7
24
12
39
19
41
34
46
35
8
29
13
23
31
9
18
16
36
21
27
32
22
17
35
45
44
33
4
13
10
1a
26
28
37
FIT
1:1
100%

Артикул

Название

Примечание

Количество

L47114

SPARE PART fuel (Used before tractor Sn 9115403), Includes Ref: 1-9

1шт.

L58183

TANK

ASSEMBLY - fuel (Used tractor Sn 9115403 and after), Includes Ref: 1-9

1шт.

1

NSS

NOT SOLD SEPARAT

TANK - fuel

1шт.

1a

L13176

NUT

RIVNUT - 1/4" - 20 NC

5шт.

2

13-416

BOLT,Hex, 1/4" - 20 x 1", Gr 5

5шт.

3

92-4

LOCK WASHER,1/4"

5шт.

4

L13193

LARGE PLATE

PLATE, LARGE ASSEMBLY - hand hole cover

1шт.

4a

L13194

NUT

RIVNUT - #10 - 32 NF

5шт.

5

L13195

GASKET

hand hole cover

1шт.

6

173-240

RHMS - #10 - 32 NC x 3/4"

5шт.

7

92-3

LOCK WASHER,#10

5шт.

8

L13302

TRANSMITTER

SPARE PART fuel tank (Used on L47114 tank only) Metal stamp 12V on top

1шт.

8a

L57177

TRANSMITTER

fuel tank (Used on L58183 tank assembly only) 90 ohms stamped on case

1шт.

9

AH822

GASKET - fuel sending

1шт.

10

13-824

BOLT,Hex, 1/2" - 13 x 1-1/2", Gr 5, Full Thd

8шт.

11

92-8

LOCK WASHER,1/2"

8шт.

12

195-2061

WASHER,5/8" x 1 7/8" x .134"

flat (1/2")

8шт.

L46867

FUEL TUBE

ASSEMBLY - fuel intake, Includes Ref: 13-16

1шт.

13

NSS

NOT SOLD SEPARAT

TUBE - intake

1шт.

222-638

FITTING,9/16"-24 x 3/8" NPT, Comp

ASSEMBLY - straight through, Includes Ref: 14-16

1шт.

14

NSS

NOT SOLD SEPARAT

BODY - fitting

1шт.

15

222-654

FERRULE,3/8" Tube, Comp

fitting

1шт.

16

222-664

TUBE NUT,9/16"-24, 45 Degree Fl, Comp

fitting

1шт.

222-606

FITTING,9/16"-24 x 1/8" NPT, Comp

ASSEMBLY - straight, Includes Ref: 17-19

1шт.

17

NSS

NOT SOLD SEPARAT

BODY - connector

1шт.

18

222-654

FERRULE,3/8" Tube, Comp

connector

1шт.

19

222-664

TUBE NUT,9/16"-24, 45 Degree Fl, Comp

connector

1шт.

20

REF

INSTRUCTION

PUMP - fuel, See parts list Figure: 230

1шт.

21

13-48

BOLT,Hex, 1/4" - 20 x 1/2", Gr 5

2шт.

22

92-4

LOCK WASHER,1/4"

2шт.

23

217-60

REDUCER,1/4" - 18 NPT x 1/8" - 27 NPT

NIPPLE - hex pipe (Reducing)

1шт.

24

221-412

ELBOW,90 Degree, 1/4"-27, NPT

elbow, street 90°

1шт.

25

L17627

VALVE

check, fuel (If used)

1шт.

222-14

FITTING,5/8"-24 Inv Fl x 1/4" NPT Fem

CONNECTOR ASSEMBLY - female, tube, Includes Ref: 26-28

1шт.

26

NSS

NOT SOLD SEPARAT

BODY - connector

1шт.

27

222-104

SLEEVE,3/8" Tube

connector

1шт.

28

222-114

NUT,5/8"-24

connector

1шт.

29

L48023

HOSE ASSY.

fuel pump to primary filter (21" long) When stock is exhausted, order L47879 hose for service

1шт.

29

L47879

HOSE

fuel pump to primary filter (22 ' long)

1шт.

222-47

ELBOW,90 Degree, 5/8"-24 Fem x 1/4"-27 NPTF

ELBOW ASSEMBLY - tube, 90°, Includes Ref: 30-32

1шт.

30

NSS

NOT SOLD SEPARAT

BODY - elbow

1шт.

31

222-104

SLEEVE,3/8" Tube

elbow

1шт.

32

222-114

NUT,5/8"-24

elbow

1шт.

222-642

TEE,3/8"-24 x 1/8" NPT Run x 3/8"-24 BR

ASSEMBLY, male, Includes Ref: 33-35

1шт.

33

NSS

NOT SOLD SEPARAT

BODY - tee

1шт.

34

222-102

SLEEVE,1/4" Tube

Tee

2шт.

35

87017024

TUBE NUT,1/2"-24

ee

2шт.

36

L48042

HOSE

fuel return

1шт.

37

214-102

HOSE CLAMP,#7, 7/16", Spring

self -tightening

1шт.

222-639

FITTING,7/16"-24 x 1/4" NPT, Comp

ASSEMBLY - tube, fuel return, Includes Ref: 38-40

1шт.

38

NSS

NOT SOLD SEPARAT

BODY - fitting

1шт.

39

222-102

SLEEVE,1/4" Tube

1шт.

40

87017024

TUBE NUT,1/2"-24

fitting

1шт.

41

L48035

FUEL TUBE

fuel return

1шт.

42

221-35

DRAIN PLUG,Sq Soc, 3/4"-14 NPTF

square socket head (3/4")

1шт.

43

L47929

CAP

fuel tank threaded iron (When stock is exhausted order L53399 cap for service)

1шт.

45

L46934

PIPE

filler extension (When stock is exhausted, order L53397 pipe and L53399 stopper type cap for service

1шт.

46

L53397

PIPE

filler extension (Use with L53399 stopper type cap for service only)

1шт.

47

L46933

FILTER

fuel (When stock is exhausted, order L5Zb5U strainer for service)

1шт.

Выбрано товаров: 59