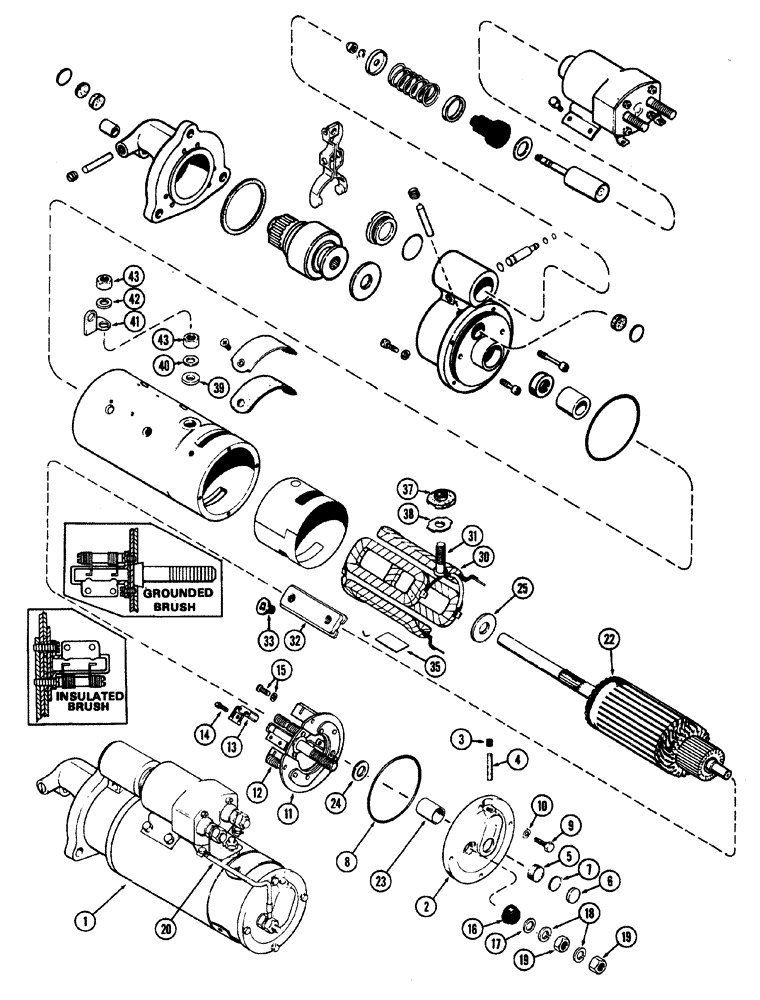
Запчасти Case W20 (052) - D42964 STARTER, USED PRIOR TO TRAC. SERIAL NO. 9115403 (04) - ELECTRICAL SYSTEMS

Схема запчастей Case W20 - (052) - D42964 STARTER, USED PRIOR TO TRAC. SERIAL NO. 9115403 (04) - ELECTRICAL SYSTEMS
18
1
43
10
32
13
30
19
43
38
12
9
9
11
15
39
16
20
33
5
14
3
25
1
23
37
4
35
40
8
24
41
2
31
6
17
42
FIT
1:1
100%

Артикул

Название

Примечание

Количество

1

D42964

X

STARTER ASSY (Delco #1113949), Includes Ref: 2-43

1шт.

2

A42314

GASKET

FRAME ASSY commutator end, Includes Ref: 3-7

1шт.

3

221-1041

PLUG

slotted head, 1/8" PT

1шт.

4

R15023

WICK

oil

1шт.

5

A41923

PLUG

felt

1шт.

6

41-57

PLUG,Exp, 1 1/32"

expansion, 1-1/32"

1шт.

7

A41973

GASKET

plug

1шт.

8

D31954

O-RING,0.139" Thk x 4.11" ID, -243, Cl 5, 75 Duro

commutator frame, 4-1/8" x 4-3/8" x 1/8"

1шт.

9

114-1

BOLT,Hex, 1/4" - 28 x 1", Gr 5

Commutator frame

4шт.

10

192-19

LOCK WASHER,Helical Spring, 0.256" ID, CST, ZND

4шт.

11

A42373

PLATE

ASSY brush, Includes Ref: 12

1шт.

12

A25393

SPRING

starter brush

8шт.

13

A41456

BRUSH, COMMUTATOR

BRUSH starter

8шт.

14

174-211

SCREW,Sl Rnd Hd, #8 - 32 x 5/16"

round head, brush lead, #8-32 x 5/16"

8шт.

15

A43847

SCREW,3/8" - 32 x 1/2"

round head, brush plate, #8-32 x 1/2"

3шт.

16

A41918

INSULATOR

terminal stud

1шт.

17

D30006

WASHER

terminal stud, 1/2" x 7/8" x 1/32"

1шт.

18

192-113

LOCK WASHER,1/2"

lock, terminal stud, 1/2"

2шт.

19

129-105

NUT,Hex, 1/2" - 13, Gr 5

2шт.

20

A41978

ELECTRICAL WIRE

WIRE, Serial Range: brush-field

1шт.

22

A41458

ARMATURE

starter

1шт.

23

A25336

BUSHING

armature shaft

1шт.

24

A41917

WASHER,14.25mm ID x 24.89mm OD x 1.57mm Thk

spacer, comm end

1шт.

25

A40892

WASHER

spacer, drive housing

1шт.

30

A41590

COIL

ASSY field, Includes Ref: 31

1шт.

31

A40896

STUD

field terminal

1шт.

32

R15115

SHOE

pole

4шт.

33

74-610

SCREW,3/8" - 24 x 5/8"

flat head, pole shoes, 3/8" x 5/8"

8шт.

35

A41977

RUBBER INSULATOR

wire junction

2шт.

A41925

BUSHING

ASSY inner, terminal insulating, Includes Ref: 37, 38

1шт.

37

NSS

NOT SOLD SEPARAT

INSULATOR field coil stud, inner

1шт.

38

NSS

NOT SOLD SEPARAT

SUPPORT stud insulator

1шт.

39

D30005

INSULATOR

WASHER outer, terminal

1шт.

40

D30006

WASHER

terminal stud, 1/2" x 7/8" x 1/32"

1шт.

41

A40894

CONNECTOR, ELEC

CONNECTOR coil, Serial Range: stud-solenoid

1шт.

42

192-113

LOCK WASHER,1/2"

lock, 1/2"

1шт.

43

129-145

JAM NUT,Jam, 1/2"-13, G5

2шт.

Выбрано товаров: 37