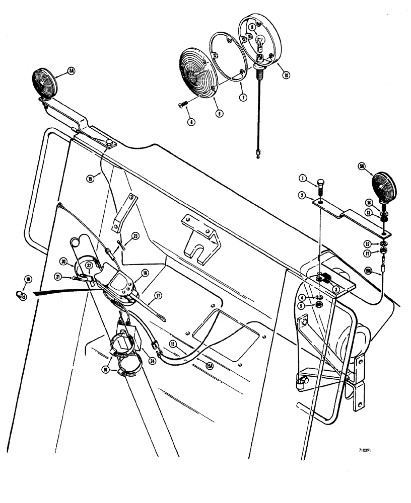
Запчасти Case W20 (262) - TURN SIGNALS AND FLASHER LIGHTS USED ON MODELS WITHOUT CAB USED BEFORE TRACTOR S.N. 9115403 (04) - ELECTRICAL SYSTEMS

Схема запчастей Case W20 - (262) - TURN SIGNALS AND FLASHER LIGHTS USED ON MODELS WITHOUT CAB USED BEFORE TRACTOR S.N. 9115403 (04) - ELECTRICAL SYSTEMS
19
20
1
15a
18
9
11
5a
5
2
3
4
12
14
21
17
7
6
13
15a
15
10
5a
8
15
23
24
22
16
FIT
1:1
100%

Артикул

Название

Примечание

Количество

1

13-824

BOLT,Hex, 1/2" - 13 x 1-1/2", Gr 5, Full Thd

1шт.

2

L48046

SPARE PART signals

2шт.

3

NLS

NO LONGER SERVICED

tube

2шт.

4

92-8

LOCK WASHER,1/2"

2шт.

5

25-108

NUT,1/2"-13, G5

Hex

2шт.

5a

L17324

LAMP

flasher, double face, Includes Ref: 6-14

2шт.

L32214

LENS

KIT - light, flasher, Includes Ref: 6-8

2шт.

6

NSS

NOT SOLD SEPARAT

LENS - light flasher

1шт.

7

NSS

NOT SOLD SEPARAT

GASKET lens

1шт.

8

NSS

NOT SOLD SEPARAT

SCREW - special

3шт.

9

L32257

BULB

flasher light

1шт.

10

NSS

NOT SOLD SEPARAT

BODY - light, flasher (Double face)

1шт.

11

129-125

NUT,1/2"-20, G5

1шт.

12

192-23

LOCK WASHER,1/2"

1шт.

13

L32256

WASHER

rubber

1шт.

14

195-105

WASHER,7/16"

standard wrot (Zinc plated)

1шт.

15

L17325

WIRE green, LH

1шт.

15a

L17326

WIRE HARNESS

ASSEMBI Y - red, R.H. (Not shown)

1шт.

16

214-258

HOSE CLAMP,#28, 1.31" - 2.25", Type F Worm

Flasher switch

2шт.

17

L52823

SIGNAL

turn and flasher (Use L59394 signal and L59393 wire), Includes Ref: 18-24

1шт.

18

NSS

NOT SOLD SEPARAT

SWITCH - turn signal

1шт.

19

A14928

BULB

direction indicator (24 volt)

1шт.

20

L32658

STRAP

mounting, signal

1шт.

L32659

KIT

HARDWARE - mounting, turn signal

1шт.

21

169-148

SCREW,Sl Fil Hd, #8 - 32 x 1"

flat head machine (#8 - 32 NC x 1")

2шт.

22

NSS

NOT SOLD SEPARAT

CLIP - strap mounting

2шт.

23

NSS

NOT SOLD SEPARAT

USE - 6 amp

1шт.

24

L32657

FLASHER UNIT

signal

1шт.

Выбрано товаров: 28